GB/T 29536-2013 金属管材成形极限图(FLD)试验方法
GB/T 29536-2013 Testing method for the forming limit diagram(FLD)of metal tube
国家标准
中文简体
现行
页数:12页
|
格式:PDF
基本信息
标准号
GB/T 29536-2013
相关服务
仅限个人学习交流使用
标准类型
国家标准
标准状态
现行
中国标准分类号(CCS)
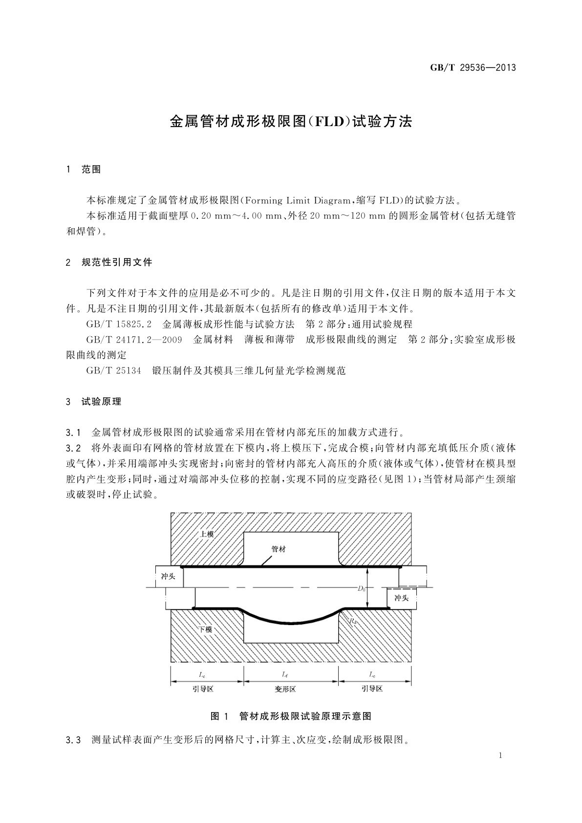
J32 金属管材成形极限图(FLD)试验方法
国际标准分类号(ICS)
77.040.10
发布日期
2013-06-09
实施日期
2014-03-01
发布单位/组织
中华人民共和国国家质量监督检验检疫总局、中国国家标准化管理委员会
归口单位
全国锻压标准化技术委员会(SAC/TC 74)
适用范围
-
发布历史
-
2014-03
文前页预览
免费预览已结束,剩余部分可下载查看
研制信息
- 起草单位:
- 宝山钢铁股份有限公司、上海交通大学
- 起草人:
- 蒋浩民、陈新平、李淑慧、于忠奇
- 出版信息:
- 页数:12页 | 字数:16 千字 | 开本: 大16开
推荐标准
- GB/T 6730.27-1986 铁矿石化学分析方法 镧-茜素络合腙光度法测定氟量 1986-08-19
- GB/T 9485-2003 径流式涡轮增压器 联接尺寸 2003-11-25
- GB/T 19882.213-2012 自动抄表系统 第213部分:低压电力线载波抄表系统 载波采集器 2012-12-31
- GB/T 7631.10-2013 润滑剂、工业用油和有关产品(L类)的分类 第10部分:T组(涡轮机) 2013-11-27
- GB/T 25724-2010 安全防范监控数字视音频编解码技术要求 2010-12-23
- GM/T 0139-2024 信息系统密码应用安全管理体系 2024-12-27
- GB/T 41685-2022 小麦安全生产的土壤镉、铅、铬、汞、砷阈值 2022-10-12
- GB/T 18326-2022 滑动轴承 薄壁滑动轴承用多层材料 2022-12-30
- GB/T 17213.9-2005 工业过程控制阀 第2-3部分:流通能力 试验程序 2005-09-09
- GB 2799-2001 插脚式灯头的型式和尺寸 2001-11-05
相似标准推荐
更多>- 1 GB/T 23706-2009 地理信息 核心空间模式
- 2 GB/T 40923.1-2021 滑雪单板 固定器安装区 第1部分:无嵌件滑雪单板的要求和试验方法
- 3 GB/T 46180-2025 管内电缆导体(CICC)型超导磁体电气绝缘性能测试方法
- 4 GB/T 16886.10-2024 医疗器械生物学评价 第10部分:皮肤致敏试验
- 5 GB/T 5540-2017 分散染料 分散性能的测定 双层滤纸过滤法
- 6 GB/T 8151.10-2012 锌精矿化学分析方法 第10部分:锡量的测定 氢化物发生-原子荧光光谱法
- 7 GB/T 22890-2008 皮革 物理和机械试验 柔软皮革防水性能的测定
- 8 GB/T 325.2-2010 包装容器 钢桶 第2部分:最小总容量208L、210L和216.5L全开口钢桶
- 9 GB/T 19753-2005 轻型混合动力电动汽车能量消耗量试验方法
- 10 YC/T 435-2012 烟草病虫害预测预报工作规范

关闭预览
