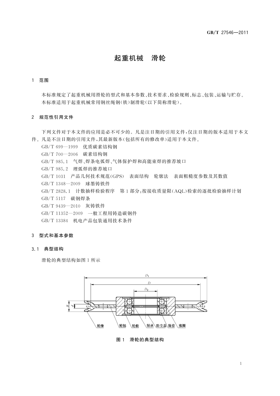
GB/T 27546-2011 起重机械 滑轮
GB/T 27546-2011 Sheaves for cranes
国家标准
中文简体
现行
页数:16页
|
格式:PDF
基本信息
标准号
GB/T 27546-2011
相关服务
仅限个人学习交流使用
标准类型
国家标准
标准状态
现行
中国标准分类号(CCS)
J80 起重机械 滑轮
国际标准分类号(ICS)
53.020.30
发布日期
2011-11-21
实施日期
2012-05-01
发布单位/组织
中华人民共和国国家质量监督检验检疫总局、中国国家标准化管理委员会
归口单位
全国起重机械标准化技术委员会(SAC/TC 227)
适用范围
-
发布历史
-
2012-05
文前页预览
免费预览已结束,剩余部分可下载查看
研制信息
- 起草单位:
- 大连重工·起重集团有限公司、北京起重运输机械设计研究院
- 起草人:
- 李勇、孙大庆、林卫国、郭胜伟、陈晋
- 出版信息:
- 页数:16页 | 字数:20 千字 | 开本: 大16开
推荐标准
- GB/T 22146-2008 饲料中洛克沙胂的测定 高效液相色谱法 2008-06-27
- GA/T 994-2017 道路交通信息发布规范 2017-04-17
- GB/T 6113.204-2008 无线电骚扰和抗扰度测量设备和测量方法规范 第2-4部分:无线电骚扰和抗扰度测量方法 抗扰度测量 2008-01-12
- GB/T 41244-2022 可冲散水刺非织造材料及制品 2022-04-15
- GB/T 36668.1-2018 游乐设施状态监测与故障诊断 第1部分:总则 2018-09-28
- GB/T 25883-2010 瘦肉型种猪生产技术规范 2011-01-10
- GB/T 17574.9-2006 半导体器件 集成电路 第2-9部分:数字集成电路 紫外光擦除电可编程MOS只读存储器 空白详细规范 2006-12-05
- GB/T 11297.11-2015 热释电材料介电常数的测试方法 2015-12-31
- GA/T 543.3-2012 公安数据元(3) 2012-07-18
- GB/T 38705-2020 城镇供热设施运行安全信息分类与基本要求 2020-03-31
相似标准推荐
更多>- 1 GB/T 22119-2017 信用服务机构 诚信评价业务规范
- 2 GB/T 17532-2005 术语工作 计算机应用 词汇
- 3 GB 22380.2-2010 燃油加油站防爆安全技术 第2部分:加油机用安全拉断阀结构和性能的安全要求
- 4 GB 13801-1992 燃油式火化机污染物排放限值及监测方法
- 5 GB 30254-2024 高压三相笼型异步电动机能效限定值及能效等级
- 6 YY/T 1012-2021 牙科学 手机连接件联轴节尺寸
- 7 GB/T 26765-2023 机动车安全技术检验业务信息系统及联网规范
- 8 YY/T 0951-2015 干扰电治疗设备
- 9 GA/T 2166-2024 警犬技术 种犬评定规范 昆明犬
- 10 GB/T 18340.2-2001 地质样品有机地化测试 有机质稳定碳同位素组成分析方法

关闭预览
