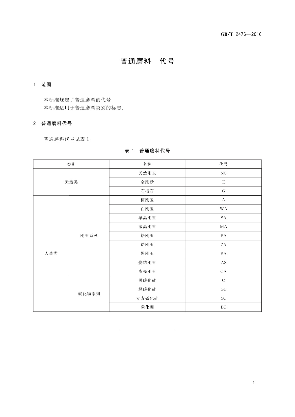
GB/T 2476-2016 普通磨料 代号
GB/T 2476-2016 Conventional abrasive—Symbols
国家标准
中文简体
现行
页数:8页
|
格式:PDF
基本信息
标准号
GB/T 2476-2016
相关服务
仅限个人学习交流使用
标准类型
国家标准
标准状态
现行
中国标准分类号(CCS)
J43 普通磨料 代号
国际标准分类号(ICS)
25.100.70
发布日期
2016-10-13
实施日期
2017-05-01
发布单位/组织
中华人民共和国国家质量监督检验检疫总局、中国国家标准化管理委员会
归口单位
全国磨料磨具标准化技术委员会(SAC/TC 139)
适用范围
-
发布历史
-
1995-09
-
2017-05
文前页预览
免费预览已结束,剩余部分可下载查看
研制信息
- 起草单位:
- 郑州磨料磨具磨削研究所有限公司
- 起草人:
- 包华、张良、陈学伟
- 出版信息:
- 页数:8页 | 字数:4 千字 | 开本: 大16开
推荐标准
- GB/T 36169-2018 绿松石 分级 2018-05-14
- GB/T 14995-2010 高温合金热轧板 2011-01-10
- GB/T 3387-1992 工业过程测量和控制系统用动圈式指示仪性能评定方法 1992-10-01
- GB/T 3260.4-2013 锡化学分析方法 第4部分:铅量的测定 火焰原子吸收光谱法 2013-12-17
- GB/T 45659-2025 轨道交通 供电作业安全控制系统 2025-05-30
- YY 0042-2007 高频喷射呼吸机 2007-01-31
- GB/T 32924-2016 信息安全技术 网络安全预警指南 2016-08-29
- GB/T 38195-2019 机床数控系统 可靠性管理 2019-10-18
- GB/T 26797-2011 E1、E2、F1、F2、M1、M1-2、M2、M2-3、M3等级砝码 2011-07-29
- GB/T 18039.10-2018 电磁兼容 环境 HEMP环境描述 辐射骚扰 2018-05-14
相似标准推荐
更多>- 1 GB/T 37303.3-2019 船舶和海上技术 船舶操纵性 第3部分:航向稳定性和操舵
- 2 GB/T 33290.6-2016 文物出境审核规范 第6部分:家具
- 3 JG 3063-1999 工业灰渣混凝土空心隔墙条板
- 4 SB/T 10765-2012 药品流通行业职业经理人标准
- 5 GB/T 19742-2008 地理标志产品 宁夏枸杞
- 6 GB/T 26361-2010 旅游餐馆设施与服务等级划分
- 7 GB/T 34902-2017 冷轧带材接触式板形仪
- 8 GB/T 32234.9-2023 个人浮力设备 第9部分:试验方法
- 9 GB/T 13539.5-1999 低压熔断器 第三部分:非熟练人员使用的熔断器的补充要求(主要用于家用和类似用途的熔断器) 标准化熔断器示例
- 10 YS/T 768-2011 铝电解质中锂含量的测定 火焰原子吸收光谱法

关闭预览
