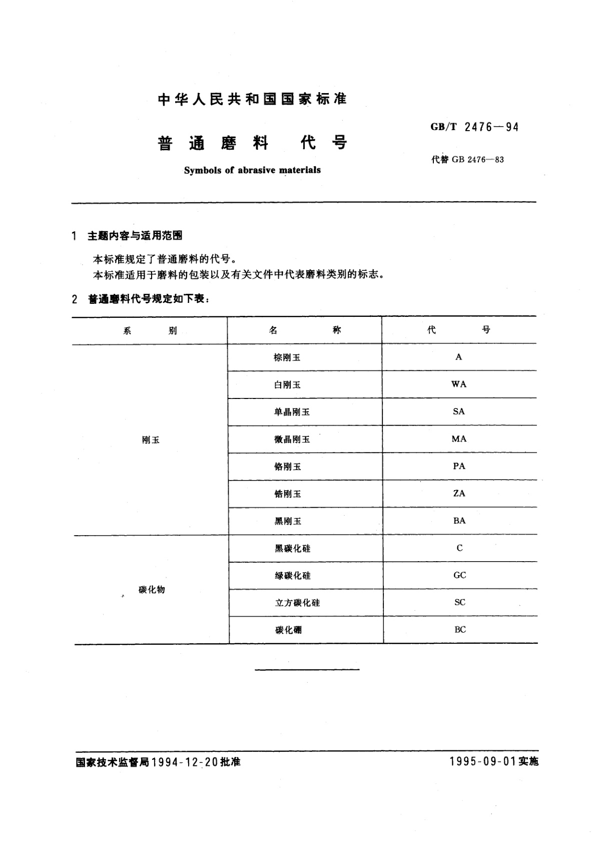
GB/T 2476-1994 普通磨料 代号
GB/T 2476-1994 Symbols of abrasive materials
国家标准
中文简体
被代替
页数:4页
|
格式:PDF
基本信息
标准号
GB/T 2476-1994
相关服务
仅限个人学习交流使用
标准类型
国家标准
标准状态
被代替
中国标准分类号(CCS)
J43 普通磨料 代号
国际标准分类号(ICS)
25.100.70
发布日期
1994-12-20
实施日期
1995-09-01
发布单位/组织
国家技术监督局
归口单位
全国磨料磨具标准化技术委员会
适用范围
-
发布历史
-
1995-09
文前页预览
免费预览已结束,剩余部分可下载查看
研制信息
- 起草单位:
- 郑州磨料磨具磨削研究所
- 起草人:
- 出版信息:
- 页数:4页 | 字数:3 千字 | 开本: 大16开
推荐标准
- GB/T 24512.1-2009 核电站用无缝钢管 第1部分:碳素钢无缝钢管 2009-10-30
- GB/T 43463-2023 微电网群运行控制要求 2023-12-28
- GB/T 44903-2024 温室气体 产品碳足迹量化方法与要求 畜产品 2024-10-26
- SB/T 10878-2012 速冻龙虾 2013-01-04
- GB/T 30966.6-2022 风力发电机组 风力发电场监控系统通信 第6部分:状态监测的逻辑节点类和数据类 2022-10-12
- GB/T 5859-2008 滚动轴承 推力调心滚子轴承 外形尺寸 2008-02-28
- GB/T 4822-2023 锯材检验 2023-12-28
- GB/T 41177-2021 假肢和矫形器 下肢截肢者治疗和康复有关的术语 2021-12-31
- JG/T 514-2017 建筑用金属单元门 2017-01-19
- GB/T 43517-2023 物理环境的人类工效学 通过环境调查(物理量测量和人的主观评价)对环境进行评估 2023-12-28
相似标准推荐
更多>- 1 GB/T 35969-2018 标签符合性测试通用技术规范
- 2 GB/T 19436.1-2013 机械电气安全 电敏保护设备 第1部分:一般要求和试验
- 3 WS 371-2012 基本信息基本数据集 个人信息
- 4 GB/T 19626-2005 DNA防伪技术产品通用技术要求
- 5 GB/T 42855-2023 氢燃料电池车辆加注协议技术要求
- 6 GB/T 16620-2023 林木育种与种子管理术语
- 7 YY/T 0873.4-2014 牙科 旋转器械的数字编码系统 第4部分:金刚石器械的特征
- 8 SC/T 1016.5-1995 中国池塘养鱼技术规范 长江下游地区食用鱼饲养技术
- 9 GB/T 5777-2019 无缝和焊接(埋弧焊除外)钢管纵向和/或横向缺欠的全圆周自动超声检测
- 10 GB/T 8077-2000 混凝土外加剂匀质性试验方法

关闭预览
