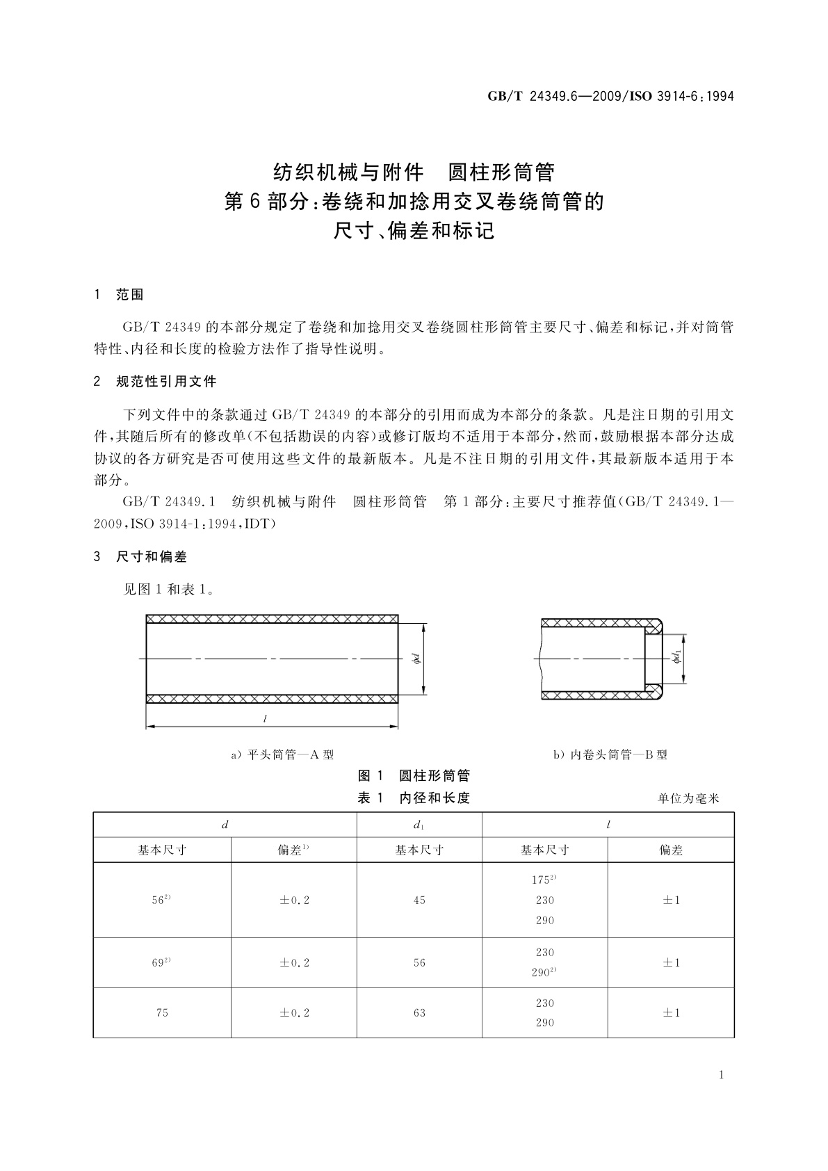
GB/T 24349.6-2009 纺织机械与附件 圆柱形筒管 第6部分:卷绕和加捻用交叉卷绕筒管的尺寸、偏差和标记
GB/T 24349.6-2009 Textile machinery and accessories—Cylindrical tubes—Part 6:Dimensions,tolerances and designation of tubes for cross wound packages in winding and twisting
国家标准
中文简体
现行
页数:8页
|
格式:PDF
基本信息
标准号
GB/T 24349.6-2009
相关服务
仅限个人学习交流使用
标准类型
国家标准
标准状态
现行
中国标准分类号(CCS)
W90 纺织机械与附件 圆柱形筒管 第6部分:卷绕和加捻用交叉卷绕筒管的尺寸、偏差和标记
国际标准分类号(ICS)
59.120
发布日期
2009-09-30
实施日期
2010-02-01
发布单位/组织
中华人民共和国国家质量监督检验检疫总局、中国国家标准化管理委员会
归口单位
全国纺织机械与附件标准化技术委员会
适用范围
-
发布历史
-
2010-02
文前页预览
免费预览已结束,剩余部分可下载查看
研制信息
- 起草单位:
- 平湖市大亚纸管有限公司、桐乡恒益纸塑有限公司、如东县太极化纤纺织器材有限公司、苏州市相城区通河纸管厂、陕西圣龙纸业有限公司、陕西纺织器材研究所
- 起草人:
- 赵玉生、宋明华、陈雪勤、陈明达、王超、尹美泉、陆金金、邢阿林、邢文伟、王新全、杨斌科
- 出版信息:
- 页数:8页 | 字数:6 千字 | 开本: 大16开
推荐标准
- GB/T 19533-2004 汽车用压缩天然气钢瓶定期检验与评定 2004-06-07
- GB/T 18826-2016 工业用1,1,1,2四氟乙烷(HFC-134a) 2016-10-13
- GB/T 34053.2-2017 纸质印刷产品印制质量检验规范 第2部分:抽样判定规则 2017-12-29
- GB/T 36831-2018 松纺锤瘤锈病菌检疫鉴定方法 2018-09-17
- GB/T 15663.11-2008 煤矿科技术语 第11部分:煤矿电气 2008-07-29
- GB/T 32865-2016 致密砂岩气技术要求和试验方法 2016-08-29
- YY/T 1404-2016 含铜宫内节育器用铜的技术要求与试验方法 2016-03-23
- GB/T 5169.1-2025 电工电子产品着火危险试验 第1部分:着火试验术语 2025-08-29
- GB 6783-2013 食品安全国家标准 食品添加剂 明胶 2013-11-29
- GB/T 22704-2008 提高机械安全性的儿童服装设计和生产实施规范 2008-12-31
相似标准推荐
更多>- 1 GB/T 39506-2020 硬聚氯乙烯(PVC-U)管材及管件中聚氯乙烯(PVC)含量的测定 基于总氯含量的方法
- 2 GB/T 35672-2017 氯氟吡氧乙酸异辛酯原药
- 3 GB/T 43025-2023 用户接入电网供电方案技术导则
- 4 GB/T 40694.1-2021 信息技术 用于生物特征识别系统的图示、图标和符号 第1部分:总则
- 5 LY/T 1878-2010 森林经营认证审核导则
- 6 GB/T 4728.8-2000 电气简图用图形符号 第8部分 测量仪表、灯和信号器件
- 7 GB/T 30430-2019 气相色谱仪测试用标准色谱柱
- 8 GB/T 12208-2008 人工煤气组分与杂质含量测定方法
- 9 YY/T 1835-2022 乳腺正电子发射断层成像装置性能和试验方法
- 10 GB/T 16855.2-2015 机械安全 控制系统安全相关部件 第2部分:确认

关闭预览
