GB/T 24352-2009 饲料加工设备图形符号
GB/T 24352-2009 Graphical symbols for feed processing equipment
国家标准
中文简体
被代替
页数:24页
|
格式:PDF
基本信息
标准号
GB/T 24352-2009
相关服务
仅限个人学习交流使用
标准类型
国家标准
标准状态
被代替
中国标准分类号(CCS)
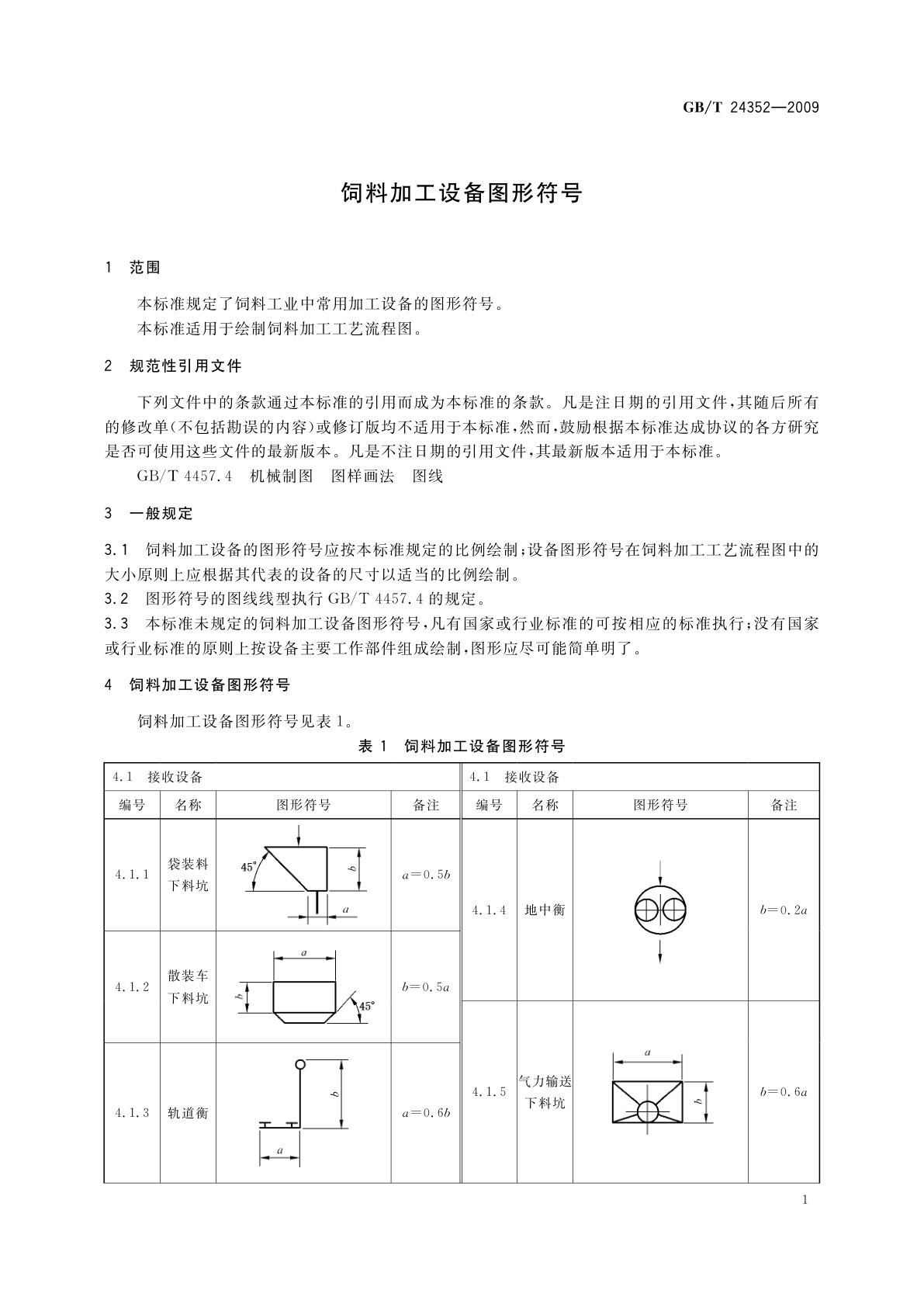
B90 饲料加工设备图形符号
国际标准分类号(ICS)
65.060
发布日期
2009-09-30
实施日期
2010-01-01
发布单位/组织
中华人民共和国国家质量监督检验检疫总局、中国国家标准化管理委员会
归口单位
全国饲料机械标准化技术委员会
适用范围
-
发布历史
-
2010-01
文前页预览
免费预览已结束,剩余部分可下载查看
研制信息
- 起草单位:
- 河南工业大学
- 起草人:
- 王卫国、于翠萍、胡纪云
- 出版信息:
- 页数:24页 | 字数:38 千字 | 开本: 大16开
推荐标准
- GB/T 36462-2018 面向组件的虚拟样机软件开发通用要求 2018-06-07
- GB/T 18770-2002 食盐批发企业管理质量等级划分及技术要求 2002-07-02
- GB/T 150.3-2011 压力容器 第3部分:设计 2011-11-21
- LY/T 2777-2024 林化类固体产品生产综合能耗 2024-12-16
- GB/T 15826.6-1995 锤上钢质自由锻件机械加工余量与公差 光轴类 1995-12-13
- LY/T 3360-2023 不燃无机纤维高压装饰层积板 2023-06-19
- GB/T 14344-2022 化学纤维 长丝拉伸性能试验方法 2022-04-15
- GB/T 2910.20-2009 纺织品 定量化学分析 第20部分:聚氨酯弹性纤维与某些其他纤维的混合物(二甲基乙酰胺法) 2009-06-15
- GB/T 22483-2008 中国山脉山峰名称代码 2008-10-29
- GB/T 15828-1995 V带和多楔带传动——节线位置的动态测定 1995-12-13
相似标准推荐
更多>- 1 GB/T 13277.9-2022 压缩空气 第9部分:液态水含量测量方法
- 2 SB/T 10961-2013 流通企业食品安全预警体系
- 3 GB/T 15069-1994 罐头食品机械术语
- 4 GB/T 15876-2015 半导体集成电路 塑料四面引线扁平封装引线框架规范
- 5 YY/T 0583.2-2016 一次性使用胸腔引流装置 第2部分:干封阀式
- 6 GB/T 9695.23-1990 肉与肉制品 L(-)-羟脯氨酸含量测定
- 7 YY 9706.108-2021 医用电气设备 第1-8部分:基本安全和基本性能的通用要求 并列标准:通用要求,医用电气设备和医用电气系统中报警系统的测试和指南
- 8 GB/T 42426-2023 化学品 蒸气压试验
- 9 GB/T 6609.9-2004 氧化铝化学分析方法和物理性能测定方法 新亚铜灵光度法测定氧化铜含量
- 10 GB 3836.19-2010 爆炸性环境 第19部分:现场总线本质安全概念(FISCO)

关闭预览
