GB/T 23566.2-2009 冲模滑动导向钢板上模座 第2部分:对角导柱上模座
GB/T 23566.2-2009 Sliding guide steel-plate punch holders of stamping dies—Part 2:Diagonal-pillar punch holders
国家标准
中文简体
现行
页数:8页
|
格式:PDF
基本信息
标准号
GB/T 23566.2-2009
相关服务
仅限个人学习交流使用
标准类型
国家标准
标准状态
现行
中国标准分类号(CCS)
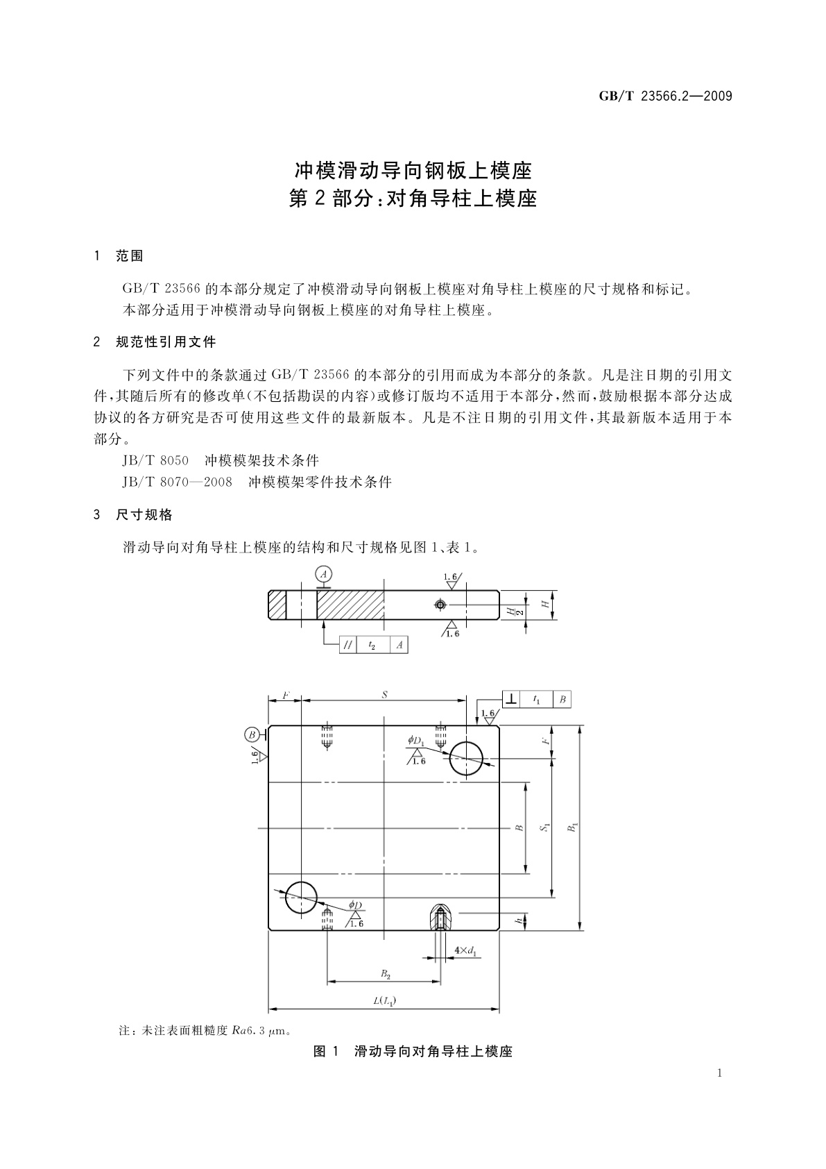
J46 冲模滑动导向钢板上模座 第2部分:对角导柱上模座
国际标准分类号(ICS)
25.120.30
发布日期
2009-04-02
实施日期
2010-01-01
发布单位/组织
中华人民共和国国家质量监督检验检疫总局、中国国家标准化管理委员会
归口单位
全国模具标准化技术委员会(SAC/TC 33)
适用范围
-
发布历史
-
2010-01
文前页预览
免费预览已结束,剩余部分可下载查看
研制信息
- 起草单位:
- 桂林电器科学研究所、桂林电子科技大学、杭州萧山精密模具标准件厂、镇江船山模架厂、佛山市南海区粤诚五金塑料模具有限公司
- 起草人:
- 翁史振、廖宏谊、张玉琴、祁伟根、梁达志、奉双
- 出版信息:
- 页数:8页 | 字数:6 千字 | 开本: 大16开
推荐标准
- GB/T 17645.42-2001 工业自动化系统与集成 零件库 第42部分:描述方法学:构造零件族的方法学 2001-04-09
- GB/T 18029.32-2024 轮椅车 第32部分:轮椅车小脚轮总成耐用性测试方法 2024-12-31
- GB/T 15249.2-2009 合质金化学分析方法 第2部分:银量的测定 火试金重量法和EDTA滴定法 2009-05-06
- GB 44496-2024 汽车软件升级通用技术要求 2024-08-23
- GB/T 40828-2021 绵羊毛分级规程 2021-10-11
- GB/T 9877.3-1988 旋转轴唇形密封圈结构尺寸系列 第三部分:装配式旋转轴唇形密封圈 1988-09-20
- GB 29968-2013 食品安全国家标准 食品添加剂 肉桂酸苄酯 2013-11-29
- GB/T 17481-2025 添加剂预混合饲料中氯化胆碱的测定 2025-08-29
- GB/T 20870.10-2023 半导体器件 第16-10部分:单片微波集成电路技术可接收程序 2023-09-07
- JJG 412-2005 水流型气体热量计 2005-12-20
相似标准推荐
更多>- 1 GB 28644.1-2012 危险货物例外数量及包装要求
- 2 DZ/T 0196.7-1997 测井仪通用技术条件 声波测井仪
- 3 GB/T 29493.7-2013 纺织染整助剂中有害物质的测定 第7部分:聚氨酯涂层整理剂中 二异氰酸酯单体的测定
- 4 GB/T 4698.9-2017 海绵钛、钛及钛合金化学分析方法 第9部分:锡量的测定 碘酸钾滴定法和电感耦合等离子体原子发射光谱法
- 5 GB/T 4151-1996 硝酸铈
- 6 GB/Z 21716.1-2008 健康信息学 公钥基础设施(PKI) 第1部分:数字证书服务综述
- 7 GB/T 10462-1989 绿豆
- 8 GB/T 26194-2010 蓄冷系统性能测试方法
- 9 GB/T 37228-2025 安全与韧性 应急管理 突发事件管理指南
- 10 JG/T 72-1999 塔式起重机用限矩型液力偶合器

关闭预览
