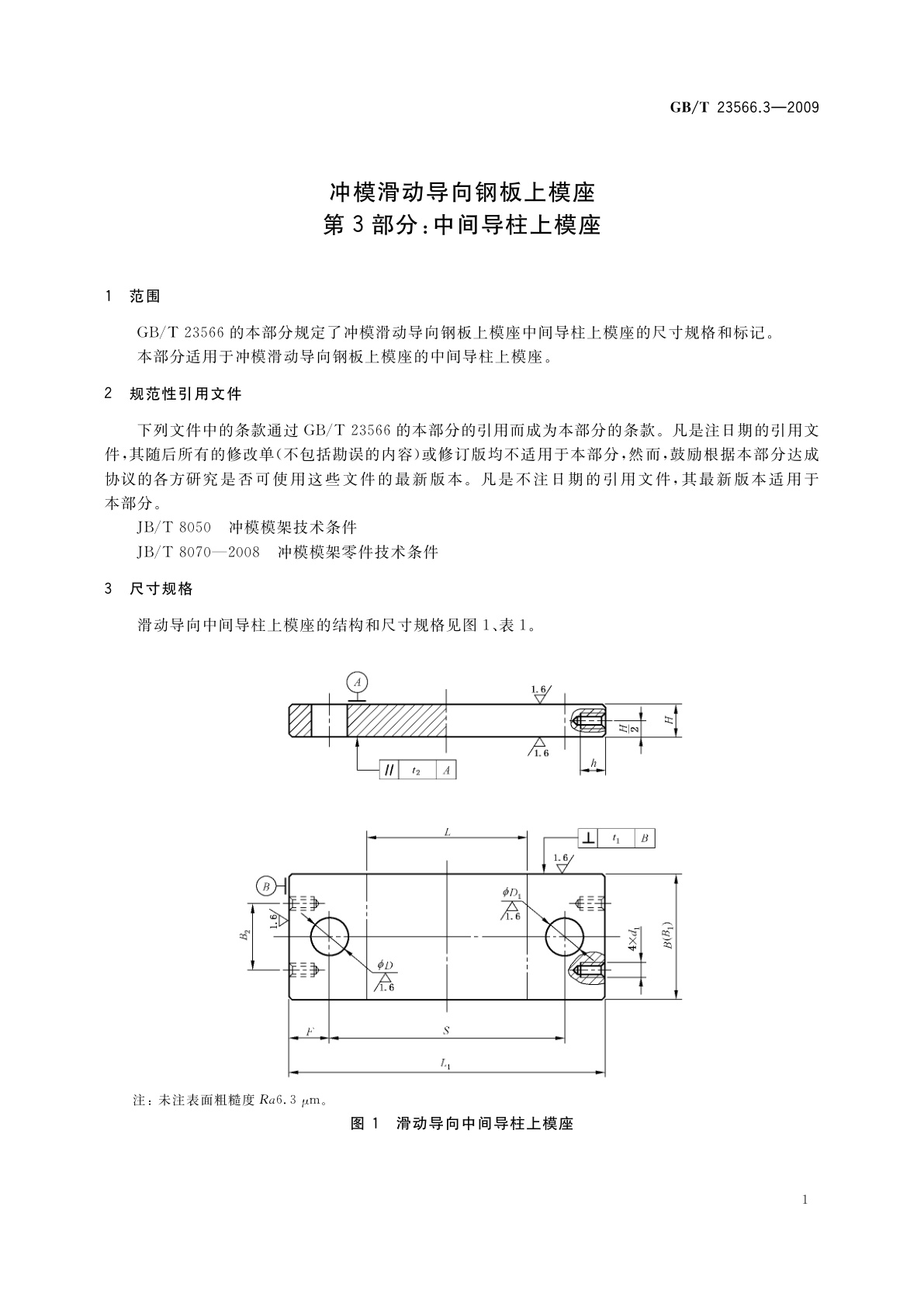
GB/T 23566.3-2009 冲模滑动导向钢板上模座 第3部分:中间导柱上模座
GB/T 23566.3-2009 Sliding guide steel-plate punch holders of stamping dies—Part 3:Center-pillar punch holders
国家标准
中文简体
现行
页数:8页
|
格式:PDF
基本信息
标准号
GB/T 23566.3-2009
相关服务
仅限个人学习交流使用
标准类型
国家标准
标准状态
现行
中国标准分类号(CCS)
J46 冲模滑动导向钢板上模座 第3部分:中间导柱上模座
国际标准分类号(ICS)
25.120.30
发布日期
2009-04-02
实施日期
2010-01-01
发布单位/组织
中华人民共和国国家质量监督检验检疫总局、中国国家标准化管理委员会
归口单位
全国模具标准化技术委员会(SAC/TC 33)
适用范围
-
发布历史
-
2010-01
文前页预览
免费预览已结束,剩余部分可下载查看
研制信息
- 起草单位:
- 桂林电器科学研究所、桂林电子科技大学、杭州萧山精密模具标准件厂、镇江船山模架厂、佛山市南海区粤诚五金塑料模具有限公司
- 起草人:
- 翁史振、廖宏谊、张玉琴、祁伟根、梁达志、奉双
- 出版信息:
- 页数:8页 | 字数:6 千字 | 开本: 大16开
推荐标准
- GA/T 383-2014 法庭科学DNA实验室检验规范 2014-05-09
- GB/T 25058-2010 信息安全技术 信息系统安全等级保护实施指南 2010-09-02
- GB/T 16972.1-1997 信息技术 文本与办公系统 分布式办公应用模型 第1部分:一般模型 1997-09-02
- GB/T 44617-2024 饲料中庆大霉素的测定 液相色谱-串联质谱法 2024-09-29
- LY/T 1889-2010 雪松播种育苗技术规程 2010-02-09
- GB/T 27926.5-2011 金融服务 金融业通用报文方案 第5部分:反向工程 2011-12-30
- YB/T 047-1993 金属铽 1993-04-14
- GB/T 5121.26-2008 铜及铜合金化学分析方法 第26部分:汞含量的测定 2008-06-17
- GB 7293-2017 饲料添加剂 DL-α-生育酚乙酸酯(粉) 2017-10-14
- GB/T 33339-2025 全钒液流电池系统测试方法 2025-06-30
相似标准推荐
更多>- 1 GB/T 38008-2019 热塑性塑料闸阀
- 2 GB/T 35478-2017 紧固件 螺栓、螺钉和螺柱预涂聚酰胺锁紧层技术条件
- 3 GB/T 23802-2023 石油天然气工业 套管、油管、接箍毛坯及附件材料用耐蚀合金无缝管交货技术条件
- 4 GB/T 9704-1999 国家行政机关公文格式
- 5 GB/T 13748.17-2005 镁及镁合金化学分析方法 钾含量和钠含量的测定 火焰原子吸收光谱法
- 6 GB/T 20159.7-2008 环境条件分类 环境条件分类与环境试验之间的关系及转换指南 携带和非固定使用
- 7 SB/T 11105-2014 库存商品易货交易规范
- 8 GB/T 19441-2004 进出境禽鸟及其产品高致病性 禽流感检疫规范
- 9 GB/T 936-2008 彩色显示器白平衡点色坐标及其宽容度
- 10 GB/T 20729-2006 封闭管道中导电液体流量的测量 法兰安装电磁流量计 总长度

关闭预览
