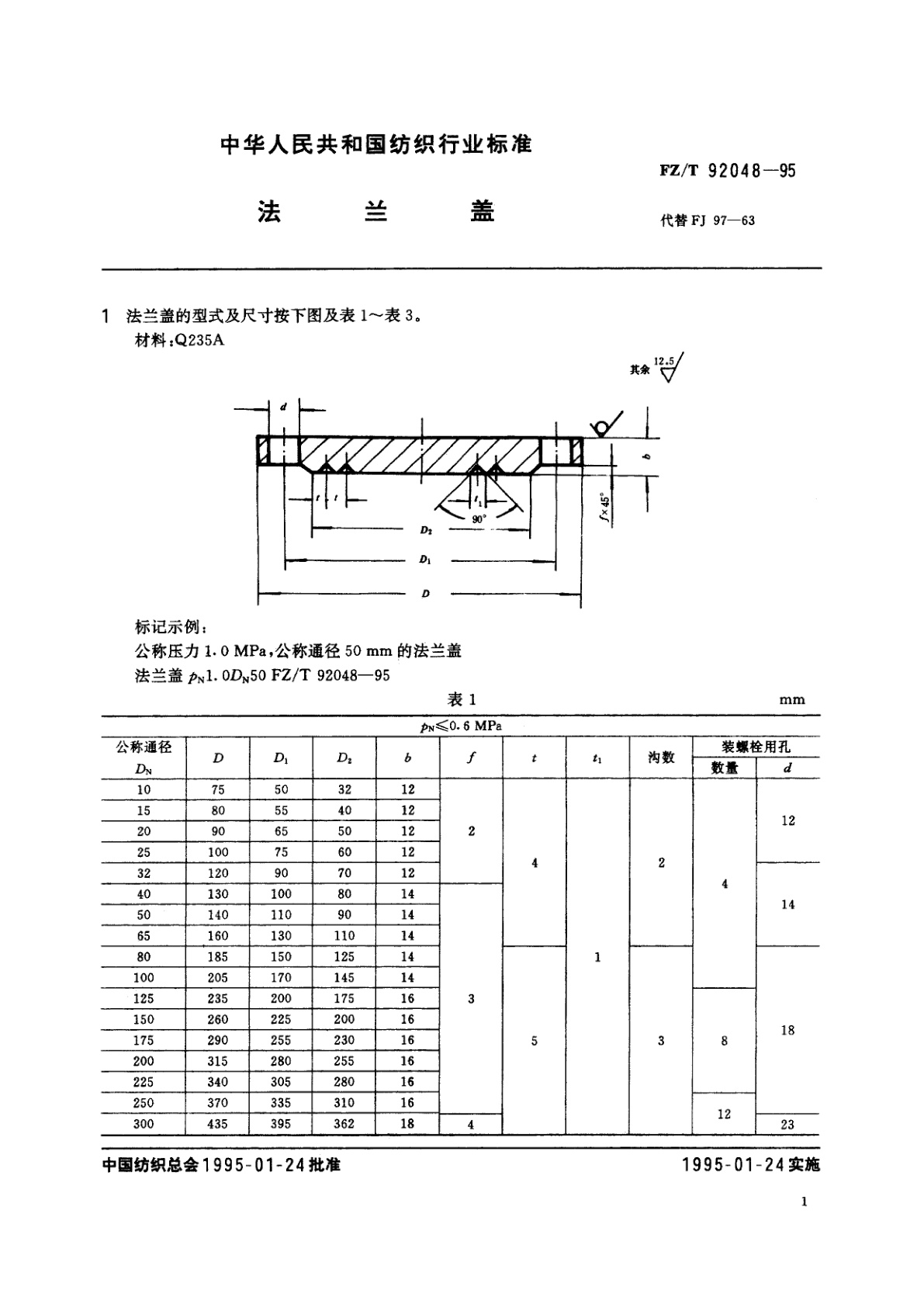
FZ/T 92048-1995 法兰盖
FZ/T 92048-1995
行业标准
中文简体
废止
页数:8页
|
格式:PDF
基本信息
标准号
FZ/T 92048-1995
相关服务
仅限个人学习交流使用
标准类型
行业标准
标准状态
废止
中国标准分类号(CCS)
法兰盖
国际标准分类号(ICS)
发布日期
1995-01-24
实施日期
1995-01-24
发布单位/组织
中国纺织总会
归口单位
中国纺织总会纺织机电研究所
适用范围
-
发布历史
-
1995-01
文前页预览
免费预览已结束,剩余部分可下载查看
研制信息
- 起草单位:
- 原纺织科学研究院
- 起草人:
- 出版信息:
- 页数:8页 | 字数:5 千字 | 开本: 大16开
推荐标准
- CJ/T 348-2010 数字社区管理与服务 分类与代码 2010-10-21
- GB/T 5019.8-2009 以云母为基的绝缘材料 第8部分:玻璃布补强B阶环氧树脂粘合云母带 2009-06-10
- GB 10736-2008 工作基准试剂 氯化钾 2008-06-18
- GB/T 30440.1-2013 游戏游艺机产品规范 第1部分:通用要求 2013-12-31
- GB/T 41890.1-2022 船舶与海上技术 船舶设计过程中螺旋桨空化噪声模型试验方法 第1部分:声源级评估 2022-10-12
- GB 11551-2003 乘用车正面碰撞的乘员保护 2003-11-27
- GB 4706.14-2008 家用和类似用途电器的安全 烤架、面包片烘烤器及类似用途便携式烹饪器具的特殊要求 2008-12-30
- GB/T 6730.5-2022 铁矿石 全铁含量的测定 三氯化钛还原后滴定法 2022-04-15
- LY/T 3164-2019 竹木复合层积地板生产综合能耗 2019-10-23
- GB/T 17689-2008 土工合成材料 塑料土工格栅 2008-03-24
相似标准推荐
更多>- 1 GB/T 20014.24-2008 良好农业规范 第24部分:中华绒螯蟹围拦养殖控制点与符合性规范
- 2 GB/T 24827-2015 道路与街路照明灯具性能要求
- 3 GB/T 22660.1-2008 氟化锂化学分析方法 第1部分:试样的制备和贮存
- 4 NY 5158-2002 无公害食品 罗氏沼虾
- 5 GB/T 45011-2024 纤维增强复合材料冲击失效试验方法
- 6 YY/T 1752-2020 医疗器械唯一标识数据库基本数据集
- 7 GB/T 28216-2011 消费品质量安全因子评估和控制 通则
- 8 LY/T 3169-2019 园林机械 以锂离子电池为动力源的手持式修枝链锯
- 9 GB/T 16484.12-1996 氯化稀土、碳酸稀土化学分析方法 硫酸根量的测定
- 10 GB/T 30449-2013 纳米二氧化锡

关闭预览
