FZ/T 93051-2016 纺纱准备和纺纱机械 上罗拉包覆物用胶管
FZ/T 93051-2016 Spinning preparatory and spinning machinery—Rubber tubes of the coverings for the top rollers
行业标准
中文简体
现行
页数:12页
|
格式:PDF
基本信息
标准号
FZ/T 93051-2016
相关服务
仅限个人学习交流使用
标准类型
行业标准
标准状态
现行
中国标准分类号(CCS)
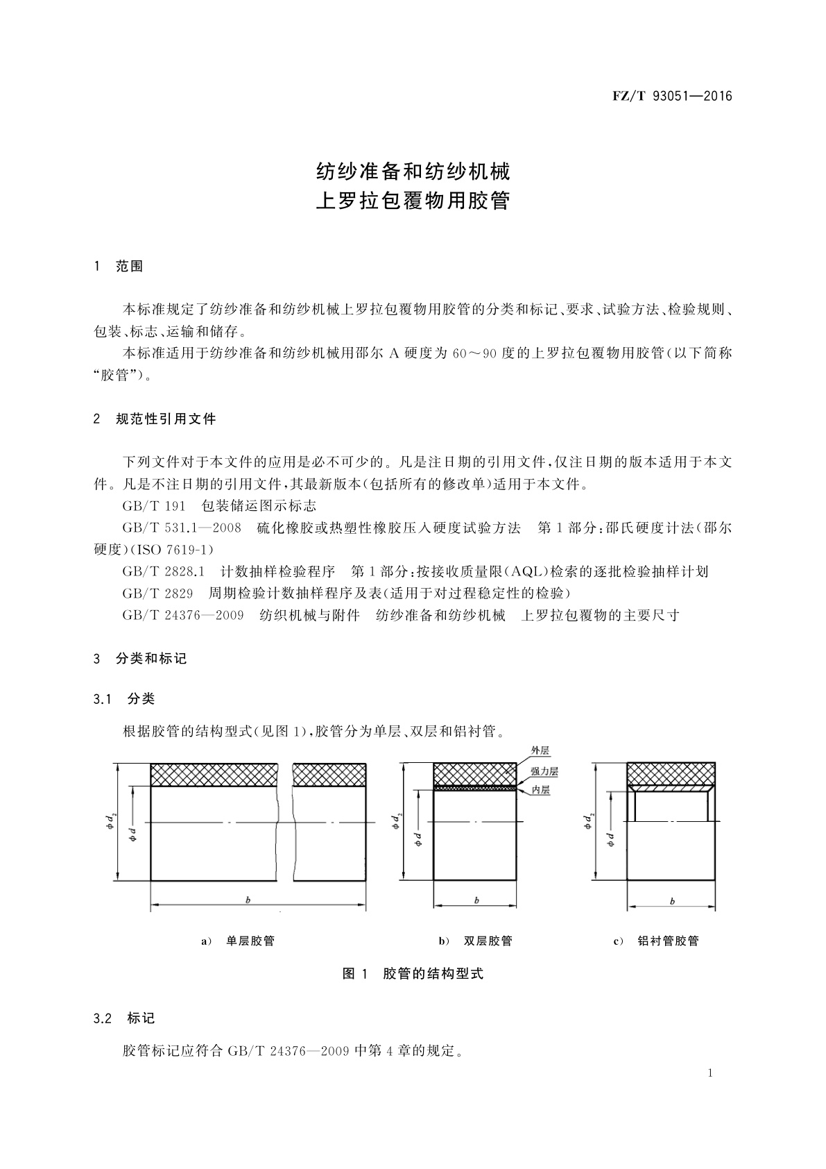
W94 纺纱准备和纺纱机械 上罗拉包覆物用胶管
国际标准分类号(ICS)
59.120.30
发布日期
2016-10-22
实施日期
2017-04-01
发布单位/组织
中华人民共和国工业和信息化部
归口单位
全国纺织机械与附件标准化技术委员会纺织器材分技术委员会(SAC/TC 215/SC 2)
适用范围
-
发布历史
-
1998-11
-
2017-04
文前页预览
免费预览已结束,剩余部分可下载查看
研制信息
- 起草单位:
- 无锡二橡胶股份有限公司、安徽八一纺织器材有限公司、安徽华茂纺织股份有限公司、如东纺织橡胶有限公司、无锡市振华纺织橡胶器材厂、天津市顺兴纺织橡胶有限公司、陕西纺织器材研究所
- 起草人:
- 秋黎凤、展盛仙、华文亮、倪俊龙、吴国轩、沈林源、张桂、赵玉生、陈亮、肖国华、李长亮、徐耘、李巍峰、陈丽
- 出版信息:
- 页数:12页 | 字数:12 千字 | 开本: 大16开
推荐标准
- YC/T 288-2009 烟草及烟草制品 多元酸(草酸、苹果酸和柠檬酸)的测定 气相色谱法 2009-03-30
- GB/T 2816-2002 井用潜水泵 2002-03-10
- GB/T 5568-2013 橡胶或塑料软管及软管组合件 无曲挠液压脉冲试验 2013-12-31
- GB/T 3884.7-2000 铜精矿化学分析方法 铅量的测定 2000-02-16
- GA/T 114-2003 消防车产品型号编制方法 2003-01-29
- GB/T 11107-2018 金属及其化合物粉末 比表面积和粒度测定 空气透过法 2018-09-17
- GB 14585-1993 铀、钍矿冶放射性废物安全管理技术规定 1993-08-30
- JJF 1734-2018 有源耦合腔校准规范 2018-12-25
- GB/T 19630.3-2005 有机产品 第3部分:标识与销售 2005-01-19
- WS/T 500.24-2016 电子病历共享文档规范 第24部分:护理计划 2016-08-23
相似标准推荐
更多>- 1 GBZ/T(卫生) 229.4-2012 工作场所职业病危害作业分级 第4部分:噪声
- 2 GB/T 3367.4-2000 铁道机车名词术语 内燃机车车体和转向架零部件名词
- 3 GB/T 34530.1-2017 低温绝热气瓶用阀门 第1部分:调压阀
- 4 GB/T 27067-2006 合格评定 产品认证基础
- 5 GB/T 13739-1992 激光辐射横模鉴别方法
- 6 GB/T 17483.1-2024 液压传动 噪声测定规范 第1部分:液压泵
- 7 YY/T 0157-2013 压力蒸汽灭菌设备用弹簧式放汽阀
- 8 GB/T 24988-2020 复印纸
- 9 GB 3883.12-1991 手持式电动工具的安全 第二部分:混凝土振动器 (插入式振动器) 的专用要求 (可供认证用)
- 10 SH/T 1499.6-1997 精己二酸中铁含量的测定 快速法

关闭预览
