GB/T 19551-2004 纺织机械 浆纱机 最大有效宽度
GB/T 19551-2004 Textile machinery—Warp sizing machines—Maximum usable width
国家标准
中文简体
现行
页数:8页
|
格式:PDF
基本信息
标准号
GB/T 19551-2004
相关服务
仅限个人学习交流使用
标准类型
国家标准
标准状态
现行
中国标准分类号(CCS)
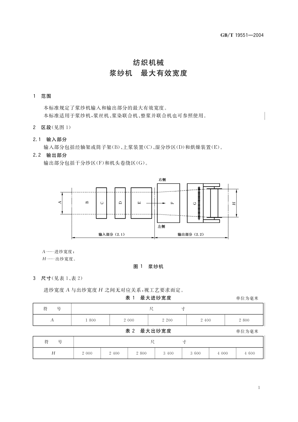
W90 纺织机械 浆纱机 最大有效宽度
国际标准分类号(ICS)
59.120.30
发布日期
2004-06-11
实施日期
2005-01-01
发布单位/组织
中华人民共和国国家质量监督检验检疫总局
归口单位
全国纺织机械与附件标准化技术委员会
适用范围
-
发布历史
-
2005-01
文前页预览
免费预览已结束,剩余部分可下载查看
研制信息
- 起草单位:
- 中纺机电研究所、郑州纺织机械股份有限公司
- 起草人:
- 孙凉远、亓国宏、崔运喜
- 出版信息:
- 页数:8页 | 字数:7 千字 | 开本: 大16开
推荐标准
- GB 19606-2004 家用和类似用途电器噪声限值 2004-12-13
- GB/T 20485.31-2011 振动与冲击传感器的校准方法 第31部分:横向振动灵敏度测试 2011-12-30
- GB/T 9722-2023 化学试剂 气相色谱法通则 2023-08-06
- GB/T 16144-1995 不同粒度放射性气溶胶年摄入量限值 1996-01-23
- MT/T 525-1995 LCZ-80型微电脑超声波流量计 1996-01-15
- GB 16383-1996 医疗卫生用品辐射灭菌消毒质量控制标准 1996-05-23
- GB/T 35665-2017 大气降水中甲酸根和乙酸根离子的测定 离子色谱法 2017-12-29
- GB 14232.1-2020 人体血液及血液成分袋式塑料容器 第1部分:传统型血袋 2020-07-23
- GB/T 18910.21-2024 液晶显示器件 第2-1部分:无源矩阵单色液晶显示模块 空白详细规范 2024-04-25
- GB/T 13542.3-2006 电气绝缘用薄膜 第3部分:电容器用双轴定向聚丙烯薄膜 2006-07-17
相似标准推荐
更多>- 1 GB/T 2921-1982 化学试剂 气相色谱固定液的分类和命名
- 2 YY 0053-2016 血液透析及相关治疗 血液透析器、血液透析滤过器、血液滤过器和血液浓缩器
- 3 GB 15308-2006 泡沫灭火剂
- 4 GB 16389-1996 外照射放射性骨损伤诊断标准及处理原则
- 5 FZ/T 50015-2009 粘胶长丝染色均匀度试验和评定
- 6 GB/T 20338-2006 农业车辆 被牵引车辆的机械联接装置 挂接环尺寸
- 7 FZ/T 15002-2011 纺织上浆用聚丙烯酸类浆料
- 8 GB/T 15041-2008 高压短弧氙灯
- 9 GB/T 20438.3-2017 电气/电子/可编程电子安全相关系统的功能安全 第3部分:软件要求
- 10 FZ/T 98014-2016 马丁代尔耐磨及起毛起球性能试验仪

关闭预览
