GB/T 19555-2004 纺织机械与附件 提花织造用铅锤
GB/T 19555-2004 Textile machinery and accessories—Lingoes for Jacquard weaving
国家标准
中文简体
现行
页数:8页
|
格式:PDF
基本信息
标准号
GB/T 19555-2004
相关服务
仅限个人学习交流使用
标准类型
国家标准
标准状态
现行
中国标准分类号(CCS)
W94 纺织机械与附件 提花织造用铅锤
国际标准分类号(ICS)
59.120.30
发布日期
2004-06-11
实施日期
2005-01-01
发布单位/组织
中华人民共和国国家质量监督检验检疫总局、中国国家标准化管理委员会
归口单位
陕西纺织器材研究所
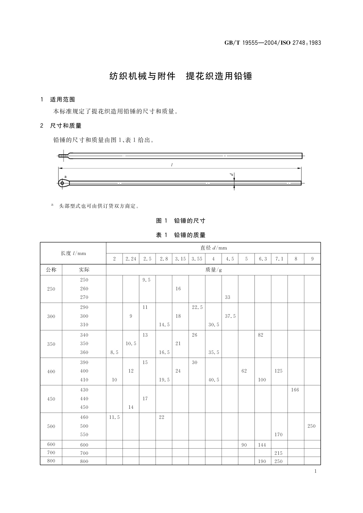
适用范围
-
发布历史
-
2005-01
文前页预览
免费预览已结束,剩余部分可下载查看
研制信息
- 起草单位:
- 陕西纺织器材研究所
- 起草人:
- 赵玉生
- 出版信息:
- 页数:8页 | 字数:6 千字 | 开本: 大16开
推荐标准
- GB/T 27929-2011 银行业务 采用对称加密技术 进行报文鉴别的要求 2011-12-30
- GB/T 1554-1995 硅晶体完整性化学择优腐蚀检验方法 1995-04-18
- GB/T 24740-2009 技术产品文件 机械加工定位、夹紧符号表示法 2009-11-30
- GB/T 25260.1-2022 合成胶乳 第1部分:羧基丁苯胶乳(XSBRL) 2022-12-30
- FZ/T 40003-2010 桑蚕绢丝试验方法 2010-08-16
- GB/T 30692-2025 提高在用自动扶梯和自动人行道安全性的规范 2025-08-29
- GB/T 45236-2025 化工园区危险品运输车辆停车场建设规范 2025-01-24
- SB/T 11063-2013 鞋业交易市场建设和经营管理规范 2014-04-06
- GB/T 15534-1995 信息处理系统 数据库语言NDL 1995-04-05
- GB/T 10574.8-2003 锡铅焊料化学分析方法 锌量的测定 2003-03-11
相似标准推荐
更多>- 1 GB/T 4678.11-2017 压铸模 零件 第11部分:推杆
- 2 FZ/T 24028-2021 拉舍尔针织面料
- 3 YY/T 0989.5-2022 手术植入物 有源植入式医疗器械 第5部分:循环支持器械
- 4 GB/T 25498.1-2010 电声学 人头模拟器和耳模拟器 第1部分:校准压耳式耳机用耳模拟器
- 5 GB/T 43086-2023 塑料 聚合物分散体 筛余物的测定
- 6 GB/T 39761.2-2025 绿色产品评价 家用电器 第2部分:衣物护理器具
- 7 GB 9706.219-2021 医用电气设备 第2-19部分:婴儿培养箱的基本安全和基本性能专用要求
- 8 GB/T 15106-1994 刨切单板用原木
- 9 GB 2513-1987 食品添加剂 高锰酸钾
- 10 GB/T 8477-1987 浙江中白猪

关闭预览
