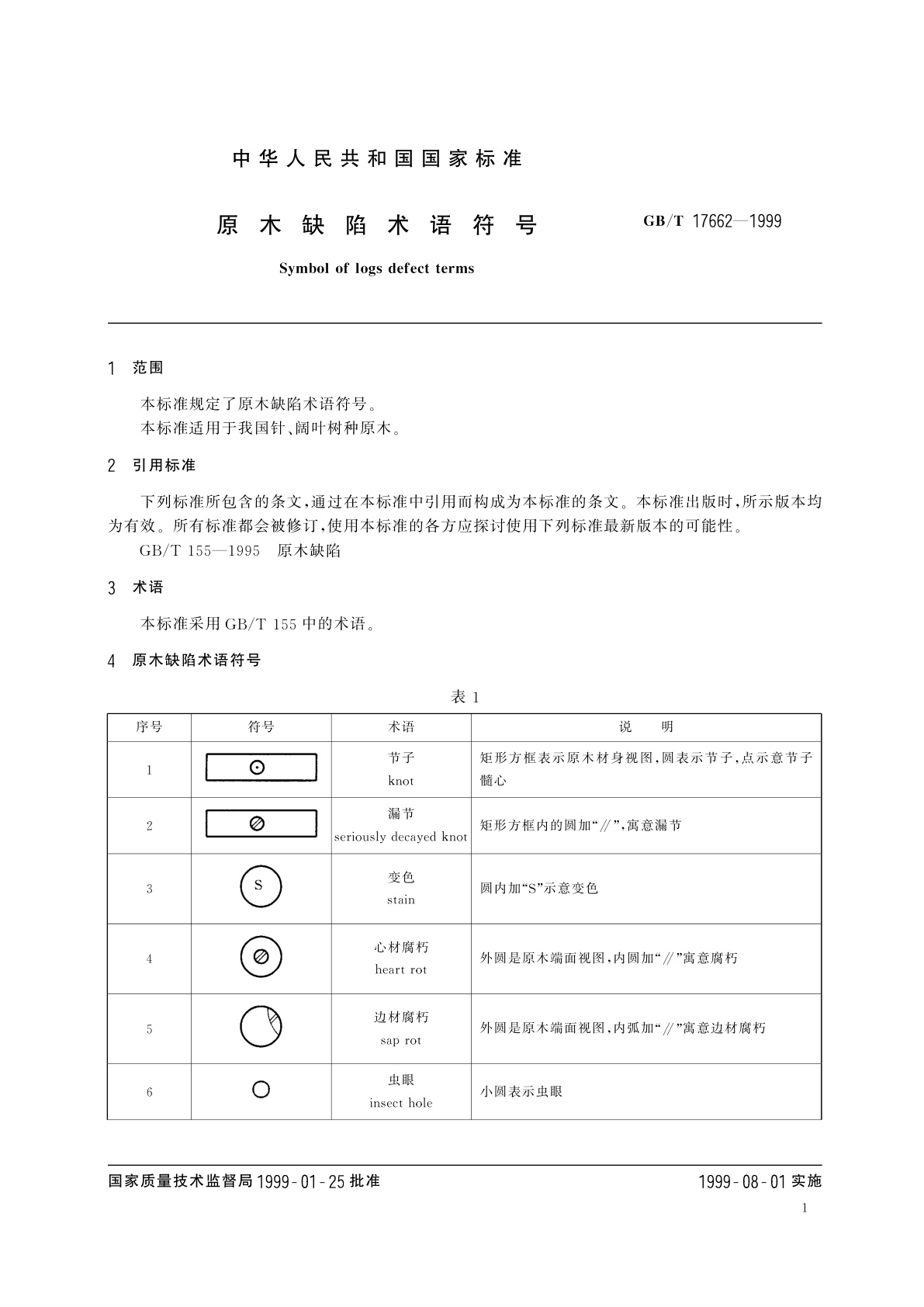
GB/T 17662-1999 原木缺陷术语符号
GB/T 17662-1999 Symbol of logs defect terms
国家标准
中文简体
废止
页数:8页
|
格式:PDF
基本信息
标准号
GB/T 17662-1999
相关服务
仅限个人学习交流使用
标准类型
国家标准
标准状态
废止
中国标准分类号(CCS)
B68 原木缺陷术语符号
国际标准分类号(ICS)
79.040
发布日期
1999-01-25
实施日期
1999-08-01
发布单位/组织
国家质量技术监督局
归口单位
中国木材标准化技术委员会
适用范围
-
发布历史
-
1999-08
文前页预览
免费预览已结束,剩余部分可下载查看
研制信息
- 起草单位:
- 起草人:
- 李常仁、陈俊、陈志民、张华亭、周琼
- 出版信息:
- 页数:8页 | 字数:7 千字 | 开本: 大16开
推荐标准
- YY/T 1853-2022 超声骨组织手术设备刀具 2022-08-17
- GB/T 32169.2-2015 政务服务中心运行规范 第2部分:进驻要求 2015-10-12
- GB/T 6150.12-1985 钨精矿化学分析方法 盐酸-氯化钠底液极谱法测定铅量 1985-06-21
- GB/T 29168.2-2024 石油天然气工业 管道输送系统用弯管、管件和法兰 第2部分:管件 2024-09-29
- GB/T 12212-1990 技术制图 焊缝符号的尺寸、比例及简化表示法 1990-01-12
- GB/T 17598-1998 土工布 多层产品中单层厚度的测定 1998-11-26
- GB/T 18229-2000 CAD工程制图规则 2000-10-17
- GB 4480.2-2001 食品添加剂 胭脂红铝色淀 2001-10-24
- GB/T 12827-1991 标准参比乙炔炭黑及鉴定方法 1991-04-23
- GB/T 41303-2022 塔式太阳能热发电站吸热器技术要求 2022-03-09
相似标准推荐
更多>- 1 GB/T 40137-2021 太子参种子、种根
- 2 GB/T 8411.1-2008 陶瓷和玻璃绝缘材料 第1部分:定义和分类
- 3 SB/T 10596-2011 清洁行业企业资质评价体系
- 4 GB/T 18233.2-2022 信息技术 用户建筑群通用布缆 第2部分:办公场所
- 5 GB 11662-1989 烧结厂卫生防护距离标准
- 6 GB 1903.22-2016 食品安全国家标准 食品营养强化剂 富硒食用菌粉
- 7 YY 0267-2008 心血管植入物和人工器官 血液净化装置的体外循环血路
- 8 GB 5009.189-2016 食品安全国家标准 食品中米酵菌酸的测定
- 9 GB/T 31511-2015 工业综合利用设备环境化设计实施指南
- 10 GB/T 6730.52-2018 铁矿石 钴含量的测定 火焰原子吸收光谱法

关闭预览
