GB/T 17669.4-1999 建筑石膏 净浆物理性能的测定
GB/T 17669.4-1999 Gypsum plasters—Determination of physical properties of pure paste
国家标准
中文简体
现行
页数:8页
|
格式:PDF
基本信息
标准号
GB/T 17669.4-1999
相关服务
仅限个人学习交流使用
标准类型
国家标准
标准状态
现行
中国标准分类号(CCS)
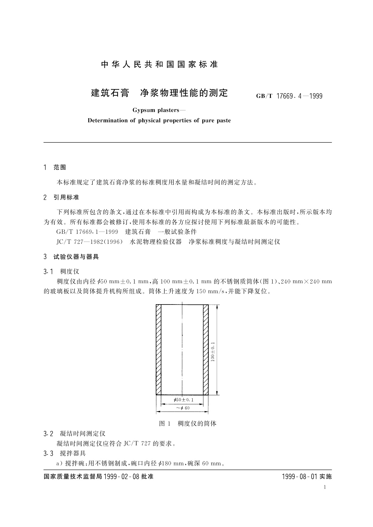
Q62 建筑石膏 净浆物理性能的测定
国际标准分类号(ICS)
91.100.10
发布日期
1999-02-08
实施日期
1999-08-01
发布单位/组织
国家质量技术监督局
归口单位
全国轻质与装饰装修建筑材料标准化技术委员会
适用范围
-
发布历史
-
1999-08
文前页预览
免费预览已结束,剩余部分可下载查看
研制信息
- 起草单位:
- 中国新型建筑材料工业杭州设计研究院
- 起草人:
- 魏超平
- 出版信息:
- 页数:8页 | 字数:7 千字 | 开本: 大16开
推荐标准
- GB/T 11264-2012 热轧轻轨 2012-11-05
- GB/T 20975.23-2020 铝及铝合金化学分析方法 第23部分:锑含量的测定 2020-06-02
- GB/T 42005.1-2022 轨道交通 储能式电车 第1部分:电容式储能电源 2022-10-12
- GB/T 24804-2009 提高在用电梯安全性的规范 2009-12-15
- GB/T 1270-2023 化学试剂 六水合氯化钴(氯化钴) 2023-08-06
- LY/T 1670-2006 林业机械 园林工具 分类词汇 2006-08-31
- GB/T 19129-2015 三轮汽车和低速货车 电喇叭 性能要求及试验方法 2015-05-15
- SB/T 11029-2013 瓜类蔬菜流通规范 2013-06-14
- GB/T 45158-2024 城市公共设施 适老化设施服务要求与评价 2024-12-31
- GB/T 17127.2-1997 农业轮式拖拉机和机具 三点悬挂挂接器 第2部分:A型框架式挂接器 1997-12-01
相似标准推荐
更多>- 1 GB/T 4854.8-2007 声学 校准测听设备的基准零级 第8部分:耳罩式耳机纯音基准等效阈声压级
- 2 LY/T 2745-2016 仁用杏品种鉴定技术规程 SSR分子标记法
- 3 GB/T 43944-2024 船舶内装材料计权隔声指数测量方法
- 4 GB/T 9109.5-2025 石油和液体石油产品动态计量 第5部分:油量计算
- 5 GB/T 26268-2010 网络入侵检测系统测试方法
- 6 SB/T 10432-2007 木材防腐剂 铜氨(胺)季铵盐(ACQ)
- 7 LY/T 2677-2016 油茶整形修剪技术规程
- 8 GB/T 26845-2011 地毯 毯面外观变化的评价
- 9 GB/T 18798.1-2002 固态速溶茶 取样
- 10 GB/T 22939.2-2008 家用和类似用途电器包装 吸油烟机的特殊要求

关闭预览
