GB/T 17394.4-2014 金属材料 里氏硬度试验 第4部分:硬度值换算表
GB/T 17394.4-2014 Metallic materials—Leeb hardness test—Part 4:Tables of hardness values conversation
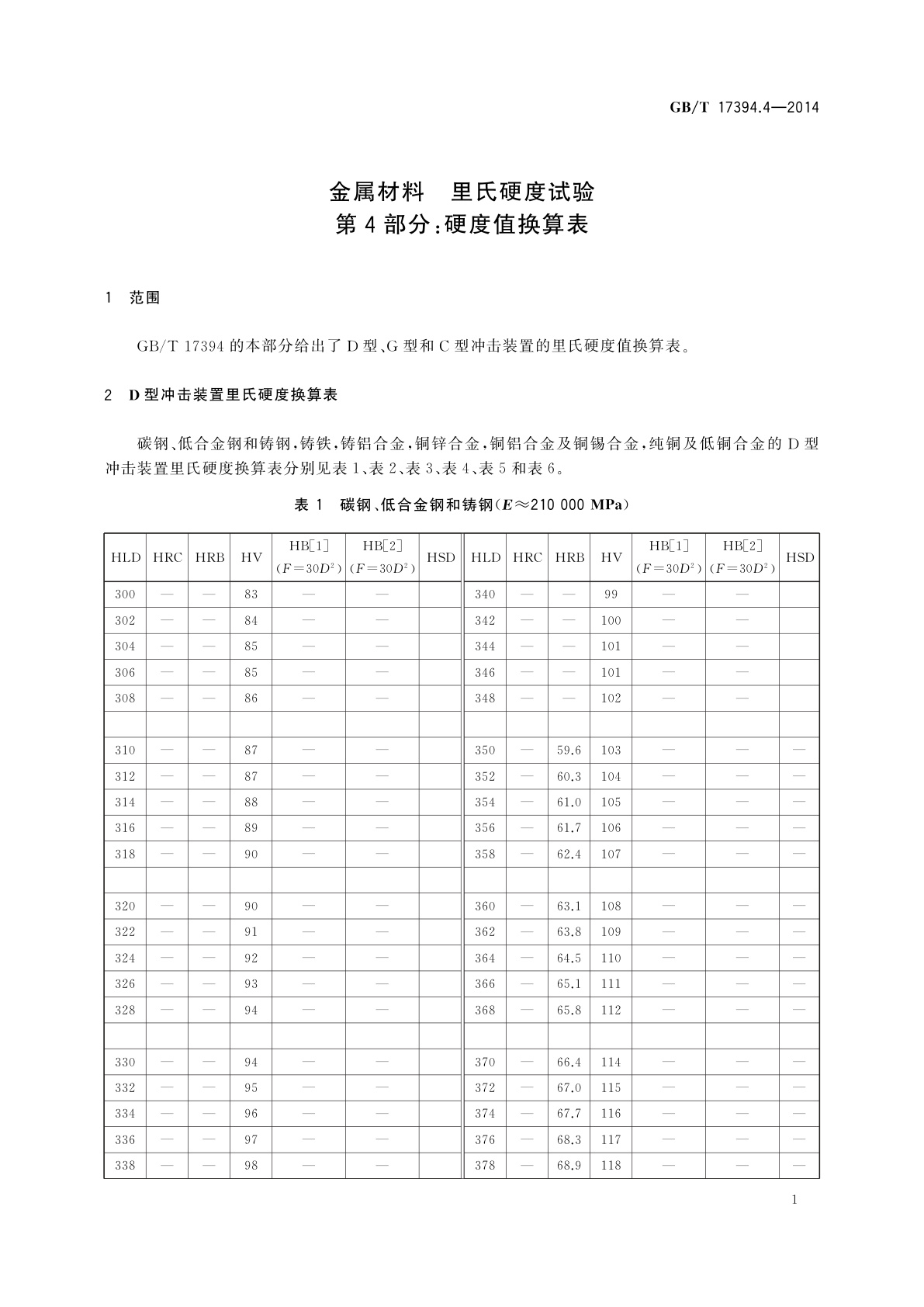
国家标准
中文简体
现行
页数:24页
|
格式:PDF
基本信息
标准号
GB/T 17394.4-2014
相关服务
仅限个人学习交流使用
标准类型
国家标准
标准状态
现行
中国标准分类号(CCS)
H22 金属材料 里氏硬度试验 第4部分:硬度值换算表
国际标准分类号(ICS)
77.040.10
发布日期
2014-09-30
实施日期
2015-05-01
发布单位/组织
中华人民共和国国家质量监督检验检疫总局、中国国家标准化管理委员会
归口单位
全国钢标准化技术委员会(SAC/TC 183)
适用范围
-
发布历史
-
2015-05
文前页预览
免费预览已结束,剩余部分可下载查看
研制信息
- 起草单位:
- 钢铁研究总院、冶金工业信息标准研究院
- 起草人:
- 高怡斐、董莉
- 出版信息:
- 页数:24页 | 字数:38 千字 | 开本: 大16开
推荐标准
- GB/T 45284.5-2025 信息技术 可扩展的生物特征识别数据交换格式 第5部分:人脸图像数据 2025-03-28
- GA/T 1092-2013 公安350兆模拟集群通信系统互联接口 技术规范 2013-10-15
- GB/T 44841-2024 非合金及低合金铸铁焊接工艺评定试验 2024-10-26
- GB/T 12357-1990 通信用多模光纤系列 1990-06-04
- GB/T 29118-2012 节约型机关评价导则 2012-12-31
- SC/T 1032.3-1999 鳜养殖技术规范 人工繁殖技术 1999-10-13
- JJF 1245.4-2010 安装式电能表型式评价大纲 特殊要求 机电式无功电能表(2和3级) 2010-03-02
- GB/T 18481-2001 电能质量 暂时过电压和瞬态过电压 2001-11-02
- GB/T 30554-2014 螺杆膨胀机 术语 2014-05-06
- GB/T 15465-1995 微光电视摄像机总技术条件 1995-01-23
相似标准推荐
更多>- 1 GB/T 19333.5-2003 地理信息 一致性与测试
- 2 GB/T 44266-2024 中文域名总体技术要求
- 3 GB/T 8570.7-2010 液体无水氨的测定方法 第7部分:铁含量 邻菲啰啉分光光度法
- 4 GB/T 16484.7-1996 氯化稀土、碳酸稀土化学分析方法 氧化镁量的测定
- 5 GB/T 5009.118-2008 谷物中T-2毒素的测定
- 6 GB 7946-1987 带电铁丝网和电围栏的安装和安全运用
- 7 GB/T 36250-2018 基于模型的航空装备研制 企业数字化能力等级评价
- 8 GB 1886.364-2022 食品安全国家标准 食品添加剂 越橘红
- 9 GB/T 12373-1990 居住区大气中气态污染物液体吸收法的标准采样装置
- 10 GB/T 15804-2011 高粱蚜测报技术规范

关闭预览
