GB/T 15877-2013 半导体集成电路 蚀刻型双列封装引线框架规范
GB/T 15877-2013 Semiconductor integrated circuits—Specification of DIP leadframes produced by etching
国家标准
中文简体
现行
页数:12页
|
格式:PDF
基本信息
标准号
GB/T 15877-2013
相关服务
仅限个人学习交流使用
标准类型
国家标准
标准状态
现行
中国标准分类号(CCS)
L56 半导体集成电路 蚀刻型双列封装引线框架规范
国际标准分类号(ICS)
31.200
发布日期
2013-12-31
实施日期
2014-08-15
发布单位/组织
中华人民共和国国家质量监督检验检疫总局、中国国家标准化管理委员会
归口单位
全国半导体器件标准化技术委员会(SAC/TC 78)
适用范围
-
发布历史
-
1996-08
-
2014-08
文前页预览
免费预览已结束,剩余部分可下载查看
研制信息
- 起草单位:
- 宁波东盛集成电路元件有限公司
- 起草人:
- 任忠平、尹国钦
- 出版信息:
- 页数:12页 | 字数:18 千字 | 开本: 大16开
推荐标准
- GB/T 4214.13-2021 家用和类似用途电器噪声测试方法 吸油烟机及其他烹饪烟气吸排装置的特殊要求 2021-08-20
- GB/T 40331.1-2021 植物保护机械 大田作物喷雾沉积量的测试 第1部分:在水平地面上的测试 2021-05-21
- GB/T 6723-2008 通用冷弯开口型钢 尺寸、外形、重量及允许偏差 2008-08-05
- GB/T 4214.15-2021 家用和类似用途电器噪声测试方法 储热式室内加热器的特殊要求 2021-08-20
- GB/T 8511.3-1995 手扶式振动压路机 1995-12-20
- FZ/T 10008-2018 棉及化纤纯纺、混纺纱线标志与包装 2018-10-22
- GA/T 543.7-2015 公安数据元(7) 2015-07-20
- GB/T 5463.1-2012 非金属矿产品词汇 第1部分:通用词汇 2012-12-31
- LY/T 2448-2015 霍山石斛栽培技术规程 2015-01-27
- GB/T 43103-2023 金属材料 蠕变-疲劳损伤评定与寿命预测方法 2023-09-07
相似标准推荐
更多>- 1 GB/T 1427-2000 炭素材料取样方法
- 2 GB/T 43573-2023 服装散热性能的测定方法 出汗暖体假人法
- 3 JJF 1412-2013 临床用变色体温计校准规范
- 4 GB/T 24474.1-2020 乘运质量测量 第1部分:电梯
- 5 GB/T 9785-2007 链条链轮术语
- 6 HY/T 079-2005 贻贝监测技术规程
- 7 GB/T 33729-2017 纺织品 色牢度试验 棉摩擦布
- 8 SB/T 10744-2012 螺旋卷边式散装水泥钢板筒仓
- 9 GB/T 33663-2017 只读类出版物光盘CD、DVD常规检测参数
- 10 GB/T 15826.3-1995 锤上钢质自由锻件机械加工余量与公差 带孔圆盘类

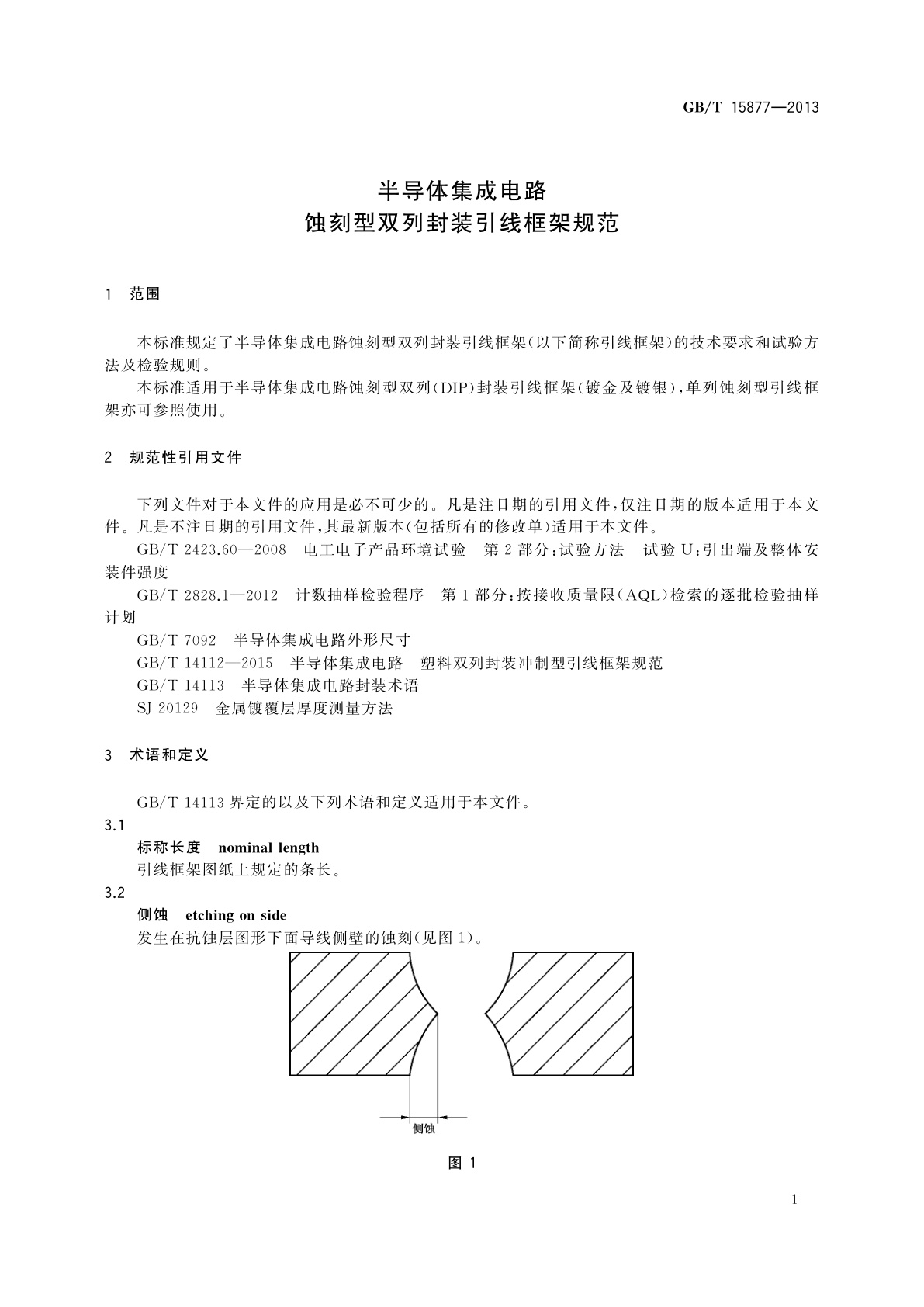
关闭预览
