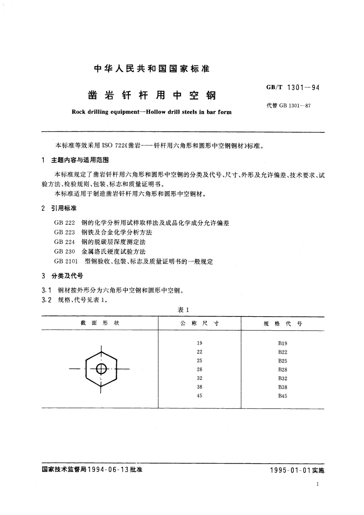
GB/T 1301-1994 凿岩钎杆用中空钢
GB/T 1301-1994 Rock drilling equipment—Hollow drill steels in bar form
国家标准
中文简体
被代替
页数:8页
|
格式:PDF
基本信息
标准号
GB/T 1301-1994
相关服务
仅限个人学习交流使用
标准类型
国家标准
标准状态
被代替
中国标准分类号(CCS)
H44 凿岩钎杆用中空钢
国际标准分类号(ICS)
77.140.20
发布日期
1994-06-13
实施日期
1995-01-01
发布单位/组织
国家技术监督局
归口单位
中华人民共和国冶金工业部信息标准研究院
适用范围
-
发布历史
-
1995-01
文前页预览
免费预览已结束,剩余部分可下载查看
研制信息
- 起草单位:
- 贵阳钢厂、北京钢铁研究总院
- 起草人:
- 陆康若、韩阳、李永泉
- 出版信息:
- 页数:8页 | 字数:10 千字 | 开本: 大16开
推荐标准
- LB/T 080-2020 旅游信息资源交换系统设计规范 2020-03-06
- GB/T 32865-2025 致密砂岩气产品质量要求和试验方法 2025-04-25
- GB 16669-1996 二氧化碳灭火系统及部件通用技术条件 1996-12-18
- GB/T 40229-2021 家用移动机器人性能评估方法 2021-05-21
- FZ/T 52024-2012 聚乙烯/聚丙烯(PE/PP)复合短纤维 2012-12-28
- HY/T 247-2018 海水淡化产品水水质要求 2018-07-09
- GB/T 27523-2011 卷烟 主流烟气中挥发性有机化合物(1,3-丁二烯、异戊二烯、丙烯腈、苯、甲苯)的测定 气相色谱-质谱联用法 2011-11-21
- GB/T 13150-2005 半导体器件 分立器件 电流大于100A、环境和管壳额定的双向三级晶闸管空白详细规范 2005-03-23
- GB/T 4689.21-2008 皮革 物理和机械试验 静态吸水性的测定 2008-07-31
- GB/T 22391-2017 实心轮胎耐久性能试验方法 转鼓法 2017-12-29
相似标准推荐
更多>- 1 GB/T 42065-2022 绿色产品评价 厨卫五金产品
- 2 GB/T 1873-1995 磷矿石和磷精矿中二氧化硅含量的测定 重量法和容量法
- 3 GB/T 13575.1-1992 带传动——普通V带传动
- 4 GB/T 14959-1994 个人中子剂量计的性能要求与刻度(中子能量小于20MeV)
- 5 GB/T 44331-2024 高纯硼酸锂
- 6 WS 375.2-2012 疾病控制基本数据集 第2部分:血吸虫病病人管理
- 7 GA/T 1614-2019 法庭科学 生物检材中氯胺酮检验 气相色谱和气相色谱-质谱法
- 8 GB/T 32750-2016 茶花鸡
- 9 GB/T 2851.5-1990 冲模滑动导向模架 中间导柱模架
- 10 GB/T 31523.2-2015 安全信息识别系统 第2部分:设置原则与要求

关闭预览
