CJ/T 46-1999 水处理用陶瓷配水管
CJ/T 46-1999
行业标准
中文简体
现行
页数:8页
|
格式:PDF
基本信息
标准号
CJ/T 46-1999
相关服务
仅限个人学习交流使用
标准类型
行业标准
标准状态
现行
中国标准分类号(CCS)
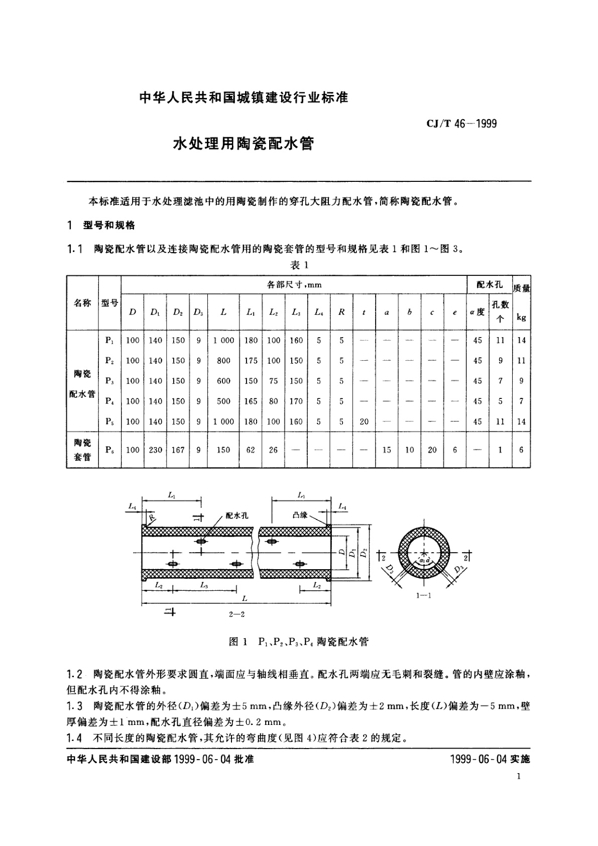
水处理用陶瓷配水管
国际标准分类号(ICS)
发布日期
1999-06-04
实施日期
1999-06-04
发布单位/组织
中华人民共和国建设部
归口单位
中国市政工程华北设计院
适用范围
-
发布历史
-
1999-06
文前页预览
免费预览已结束,剩余部分可下载查看
研制信息
- 起草单位:
- 中国市政工程中南设计院
- 起草人:
- 徐均官、乐丽孙
- 出版信息:
- 页数:8页 | 字数:9 千字 | 开本: 大16开
推荐标准
- LY/T 2345-2014 城市主要绿化竹种苗木等级 2014-08-21
- GB/T 43022.1-2023 轨道交通 直流避雷器和电压限制装置 第1部分:无间隙金属氧化物避雷器 2023-11-27
- JJF 1358-2012 非实流法校准DN1 000~DN15 000液体超声流量计校准规范 2012-09-03
- GB/T 20770-2008 粮谷中486种农药及相关化学品残留量的测定 液相色谱-串联质谱法 2008-12-31
- GA 474-2004 抗猪、羊等常见动物血清试剂 2004-03-16
- GB/Z 26337.1-2010 供应链管理 第1部分:综述与基本原理 2011-01-14
- GB/T 19946-2022 包装 用于发货、运输和收货标签的一维条码和二维条码 2022-10-12
- GB/T 8135-1987 出口生黄鼠狼皮检验方法 1987-08-10
- GB/T 44053-2024 液压传动 净油机水分离性能的试验方法 2024-05-28
- GB/T 16751.1-2023 中医临床诊疗术语 第1部分:疾病 2023-03-17
相似标准推荐
更多>- 1 GB/T 29168.3-2012 石油天然气工业 管道输送系统用感应加热弯管、管件和法兰 第3部分:法兰
- 2 GB/T 21891-2008 酸性艳蓝P-3R 200%(C.I.酸性蓝281)
- 3 GB/T 40640.2-2021 化学品管理信息化 第2部分:信息安全
- 4 GB/T 14457.8-1993 单离及合成香料 叔醇含量的测定 氯乙酰-二甲基苯胺法
- 5 YC/T 206-2011 卷烟营销网络业务规范
- 6 GB/T 5009.194-2003 保健食品中免疫球蛋白IgG的测定
- 7 GB/T 45576-2025 网络安全技术 网络安全保险应用指南
- 8 GB/T 19676-2022 畜禽肉质量分级 鸡肉
- 9 GB/T 42655-2023 连续纤维增强陶瓷基复合材料高温压缩性能试验方法
- 10 GB/T 37213-2018 硅晶锭尺寸的测定 激光法

关闭预览
