GB/T 46343.4-2025 飞机 镍铬-镍铝热电偶延长电缆 第4部分:压接接头尺寸
GB/T 46343.4-2025 Aircraft—Nickel-chromium and nickel-aluminium thermocouple extension cables—Part 4:Crimp-type butt connectors dimensions
国家标准
中文简体
即将实施
页数:8页
|
格式:PDF
基本信息
标准号
GB/T 46343.4-2025
相关服务
仅限个人学习交流使用
标准类型
国家标准
标准状态
即将实施
中国标准分类号(CCS)
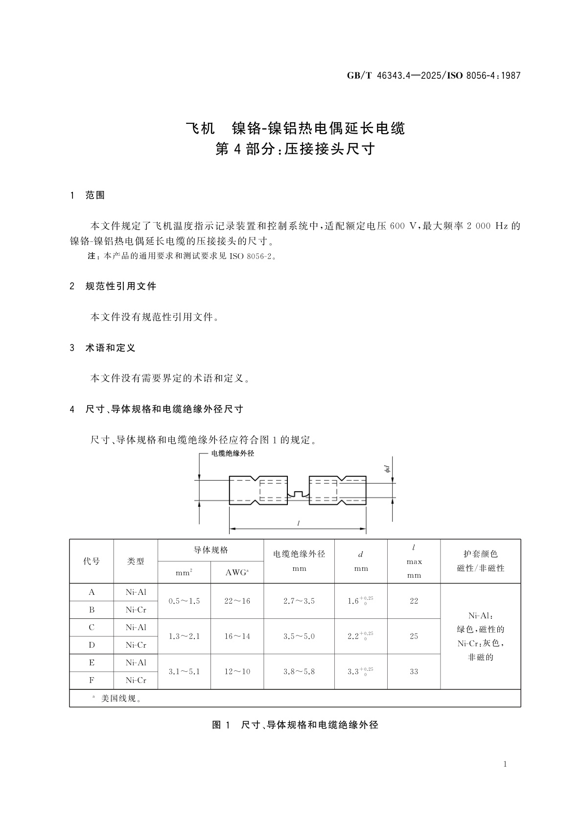
V21 飞机 镍铬-镍铝热电偶延长电缆 第4部分:压接接头尺寸
国际标准分类号(ICS)
49.060
发布日期
2025-10-05
实施日期
2026-05-01
发布单位/组织
国家市场监督管理总局、国家标准化管理委员会
归口单位
全国航空器标准化技术委员会(SAC/TC 435)
适用范围
-
发布历史
-
2026-05
文前页预览
免费预览已结束,剩余部分可下载查看
研制信息
- 起草单位:
- 中国商用飞机有限责任公司上海飞机设计研究院、上海飞机制造有限公司、中航通飞华南飞机工业有限公司、深圳亚太航空技术股份有限公司、广州凯恒科塑料有限公司、中航光电科技股份有限公司、重庆材料研究院有限公司
- 起草人:
- 李文聪、陆曦、石霞琳、姚宇珂、陈倩、孙朝、申景强、肖璐、何伦英、倪智煜、于水、毕婉莹、王闻达、王宏
- 出版信息:
- 页数:8页 | 字数:8 千字 | 开本: 大16开
推荐标准
- GB/T 43130.2-2024 液化天然气装置和设备 浮式液化天然气装置的设计 第2部分:浮式储存和再气化装置的特殊要求 2024-04-25
- WS/T 500.36-2016 电子病历共享文档规范 第36部分:24小时内入院死亡记录 2016-08-23
- GB/T 34590.1-2017 道路车辆 功能安全 第1部分:术语 2017-10-14
- GB/T 46083-2025 增材制造 多光束粉末床熔融设备技术规范 2025-08-29
- GB/T 5500-2008 粮油检验 甘薯片纯质率检验 2008-11-04
- GB/T 3478.5-1995 圆柱直齿渐开线花键 检验方法 1995-07-12
- GB/T 9455-1988 饲料添加剂 维生素A/D3 微粒 1988-06-20
- GB/T 20025.3-2025 汽车空调用橡胶和塑料软管及软管组合件 规范 第3部分:制冷剂1234yf 2025-08-29
- GB/T 35484.3-2021 土方机械和移动式道路施工机械 工地数据交换 第3部分:远程信息处理数据 2021-12-31
- GB/T 22359-2008 土方机械 电磁兼容性 2008-08-26
相似标准推荐
更多>- 1 JJF(石化)044-2021 液体氧化性试验仪校准规范
- 2 GB/T 13343-2008 矿用三牙轮钻头
- 3 YB/T 178.6-2000 硅铝合金、硅钡铝合金化学分析方法红外线吸收法测定碳含量
- 4 GB/T 13638-2008 工业锅炉水位控制报警装置
- 5 YY/T 0291-2007 医用X射线设备环境要求及试验方法
- 6 GB/T 38834.3-2023 机器人 服务机器人性能规范及其试验方法 第3部分:操作
- 7 GB/T 14048.9-2024 低压开关设备和控制设备 第6-2部分:多功能电器 控制与保护开关电器(设备)(CPS)
- 8 GB/T 14926.54-2001 实验动物 血凝抑制试验
- 9 GB 1257-1989 工作基准试剂(容量) 邻苯二甲酸氢钾
- 10 GB 3107.2-1991 船用红光降落伞信号

关闭预览
