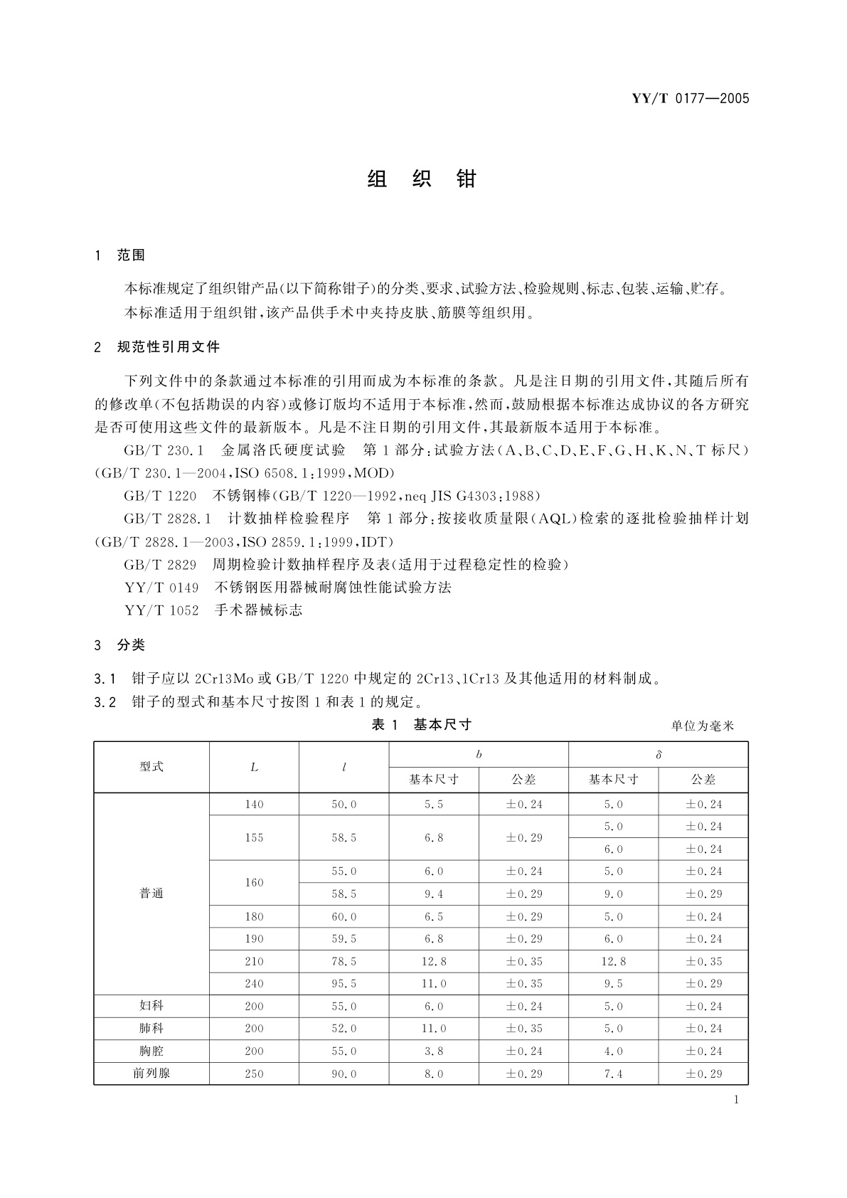
YY/T 0177-2005 组织钳
YY/T 0177-2005 Tissue forceps
行业标准
中文简体
现行
页数:12页
|
格式:PDF
基本信息
标准号
YY/T 0177-2005
相关服务
仅限个人学习交流使用
标准类型
行业标准
标准状态
现行
中国标准分类号(CCS)
C31 组织钳
国际标准分类号(ICS)
11.040.30
发布日期
2005-07-18
实施日期
2006-06-01
发布单位/组织
国家食品药品监督管理局
归口单位
全国外科器械标准化技术委员会
适用范围
-
发布历史
-
2006-06
文前页预览
免费预览已结束,剩余部分可下载查看
研制信息
- 起草单位:
- 张家港市双银医疗器械有限公司
- 起草人:
- 张汉荣
- 出版信息:
- 页数:12页 | 字数:10 千字 | 开本: 大16开
推荐标准
- GB/T 33014.4-2025 道路车辆 电气/电子部件对窄带辐射电磁能的抗扰性试验方法 第4部分:线束激励法 2025-08-01
- GB/T 3688-2025 V带线绳粘合性能试验方法 2025-04-25
- JG/T 252-2015 建筑用遮阳天篷帘 2015-11-23
- GB/T 11766-2024 小米 2024-10-26
- GB/T 25088-2010 道路车辆 牵引车和挂车之间的电连接器 24 V 7芯辅助型(24S) 2010-09-02
- GB/T 40597-2021 电能质量规划 总则 2021-10-11
- WS/T 357-2011 骨代谢标志物临床应用指南 2011-12-14
- GB/T 33236-2016 多晶硅 痕量元素化学分析 辉光放电质谱法 2016-12-13
- FZ/T 80009-2004 服装制图 2004-12-14
- CJ/T 262-2007 给水排水用直埋式闸阀 2007-08-20
相似标准推荐
更多>- 1 GB/T 11848.6-2025 铀矿石浓缩物分析方法 第6部分:氟的测定 离子选择性电极法
- 2 YS/T 95.1-2009 空调器散热片用铝箔 第1部分:基材
- 3 GB/T 20820-2007 地理标志产品 通化山葡萄酒
- 4 GB/T 21061-2007 国家电子政务网络技术和运行管理规范
- 5 GB/T 21114-2019 耐火材料 X射线荧光光谱化学分析 熔铸玻璃片法
- 6 GB 6537-2006 3号喷气燃料
- 7 GB/T 19995.2-2005 天然材料体育场地使用要求及检验方法 第2部分:综合体育场馆木地板场地
- 8 GB/T 42870-2023 无损检测 纤维增强聚合物的声发射检测方法和评价准则
- 9 GB/T 20014.17-2013 良好农业规范 第17部分:水产围拦养殖基础控制点与符合性规范
- 10 GB/T 36616.3-2018 信息技术 通用编码字符集(基本多文种平面) 汉字64点阵字型 第3部分:楷体

关闭预览
