YS/T 877-2013 可充电电池用镀镍壳
YS/T 877-2013 Nickel-plated shell for rechargeable battery
行业标准
中文简体
现行
页数:12页
|
格式:PDF
基本信息
标准号
YS/T 877-2013
相关服务
仅限个人学习交流使用
标准类型
行业标准
标准状态
现行
中国标准分类号(CCS)
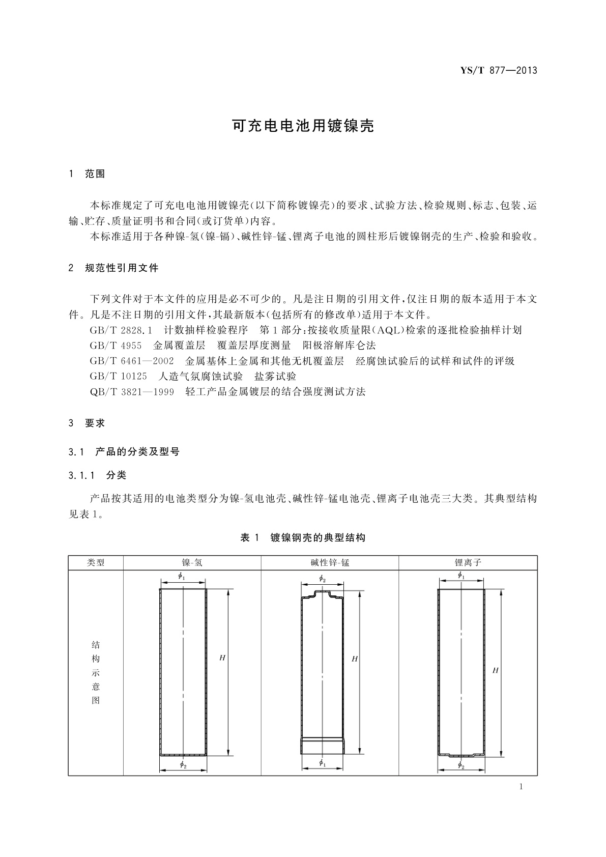
H70 可充电电池用镀镍壳
国际标准分类号(ICS)
77.160
发布日期
2013-05-02
实施日期
2013-09-01
发布单位/组织
中华人民共和国工业和信息化部
归口单位
全国有色金属标准化技术委员会(SAC/TC 243)
适用范围
-
发布历史
-
2013-09
文前页预览
免费预览已结束,剩余部分可下载查看
研制信息
- 起草单位:
- 无锡市金杨新型电源有限公司
- 起草人:
- 杨建林、周勤勇、王锋、华子新、朱犄
- 出版信息:
- 页数:12页 | 字数:14 千字 | 开本: 大16开
推荐标准
- GB/T 21675-2008 非洲马瘟诊断技术 2008-04-09
- GB/Z 18620.2-2008 圆柱齿轮 检验实施规范 第2部分:径向综合偏差、径向跳动、齿厚和侧隙的检验 2008-03-31
- GB/T 18349-2001 集成电路/计算机硬件描述语言Verilog 2001-04-09
- GB/T 18775-2025 电梯、自动扶梯和自动人行道维修规范 2025-08-29
- GB/T 24276-2009 评估部分型式试验的低压成套开关设备和控制设备(PTTA)温升的外推法 2009-06-19
- GA/T 16.109-2015 道路交通管理信息代码 第109部分:交通违法当事人类型代码 2015-10-22
- GB/T 45084-2024 报废机动车回用件及再制造件交易溯源技术规范 2024-11-28
- GB/T 46122.7-2025 烟花爆竹 特定化学物质检测方法 第7部分:氯酸盐含量的测定 化学滴定分析法 2025-08-29
- GB/T 10459-1989 蚕豆 1989-03-22
- GB/T 30028-2013 电动葫芦能效测试方法 2013-11-27
相似标准推荐
更多>- 1 GB/T 18325.4-2009 滑动轴承 轴承疲劳 第4部分:金属多层轴承材料轴瓦试验
- 2 GB/T 14090.1-1993 海上油气开发工程术语 综合
- 3 GB/T 6044-2005 指针式石英手表
- 4 SH/T 0304-1999 电气绝缘油腐蚀性硫试验法
- 5 GB/T 46182-2025 纸和纸浆 印刷纸产品的脱墨性试验方法
- 6 GB/T 14805.3-1999 用于行政、商业和运输业电子数据交换的应用级语法规则(语法版本号:4) 第3部分:交互式电子数据交换专用的语法规则
- 7 LS/T 1704.2-2004 粮食信息分类与编码 粮食检验 第2部分:质量标准分类与代码
- 8 SB/T 229-2013 食品机械通用技术条件 产品包装技术要求
- 9 GB/T 30324-2013 数字印刷的分类
- 10 GB/T 13490-1992 V 带均匀性规范和试验方法 中心距变化量法

关闭预览
