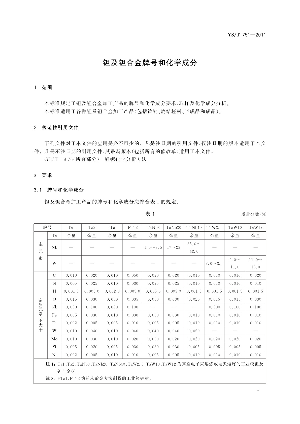
YS/T 751-2011 钽及钽合金牌号和化学成分
YS/T 751-2011 Designation and composition of tantalum and tantalum alloy
行业标准
中文简体
废止
页数:8页
|
格式:PDF
基本信息
标准号
YS/T 751-2011
相关服务
仅限个人学习交流使用
标准类型
行业标准
标准状态
废止
中国标准分类号(CCS)
H63 钽及钽合金牌号和化学成分
国际标准分类号(ICS)
77.120
发布日期
2011-12-20
实施日期
2012-07-01
发布单位/组织
中华人民共和国工业和信息化部
归口单位
全国有色金属标准化技术委员会(SAC/TC 243)
适用范围
-
发布历史
-
2012-07
文前页预览
免费预览已结束,剩余部分可下载查看
研制信息
- 起草单位:
- 西部金属材料股份有限公司、西安诺博尔稀贵金属材料有限公司、西北有色金属研究院
- 起草人:
- 宜楠、张录强、武宇、韩吉庆、艾建玲、赵鸿磊、唐进
- 出版信息:
- 页数:8页 | 字数:4 千字 | 开本: 大16开
推荐标准
- GB/T 1793-2000 航空燃料水反应试验法 2000-12-18
- GB/T 5343.1-1993 可转位车刀及刀夹型号表示规则 1993-10-15
- GB/T 23711.8-2019 塑料衬里压力容器试验方法 第8部分:耐高电阻试验 2019-12-10
- GB/T 36319-2018 电子合同基础信息描述规范 2018-06-07
- GA/T 1709-2020 实体防护产品防弹性能分类及测试方法 2020-02-11
- GB/T 19891-2005 机械安全 机械设计的卫生要求 2005-09-14
- GB/T 35074-2018 焦化浸渍剂沥青 2018-05-14
- GB/T 40612-2021 塑料 海水沙质沉积物界面非漂浮塑料材料最终需氧生物分解能力的测定 通过测定释放二氧化碳的方法 2021-08-20
- QC/T 1202-2024 乘用车自动变速器用湿式双离合器总成 2024-07-19
- GB/T 18442.1-2011 固定式真空绝热深冷压力容器 第1部分:总则 2011-11-21
相似标准推荐
更多>- 1 HY/T 096-2007 海水溶解氧测量仪检测方法
- 2 GB/T 20144-2006 带灯罩环的E14和E27灯座用筒形螺纹
- 3 GB/T 46006-2025 沙漠、沙地、戈壁编目规范
- 4 GB/T 41914.2-2022 微细气泡技术 微细气泡使用和测量通则 第2部分:微细气泡属性分类
- 5 GB 19270-2009 水路运输危险货物包装检验安全规范
- 6 WS/T 96-1996 尿中三氯乙酸顶空气相色谱测定方法
- 7 GB 1886.239-2016 食品安全国家标准 食品添加剂 琼脂
- 8 GB/T 23713.1-2009 机器状态监测与诊断 预测 第1部分:一般指南
- 9 GB 29743-2013 机动车发动机冷却液
- 10 HY/T 0366-2023 海洋数据分类分级标准

关闭预览
