YS/T 397-2007 海绵锆
YS/T 397-2007 Sponge zirconium
行业标准
中文简体
被代替
页数:8页
|
格式:PDF
基本信息
标准号
YS/T 397-2007
相关服务
仅限个人学习交流使用
标准类型
行业标准
标准状态
被代替
中国标准分类号(CCS)
H63 海绵锆
国际标准分类号(ICS)
77.150
发布日期
2007-11-14
实施日期
2008-05-01
发布单位/组织
国家发展和改革委员会
归口单位
全国有色金属标准化技术委员会
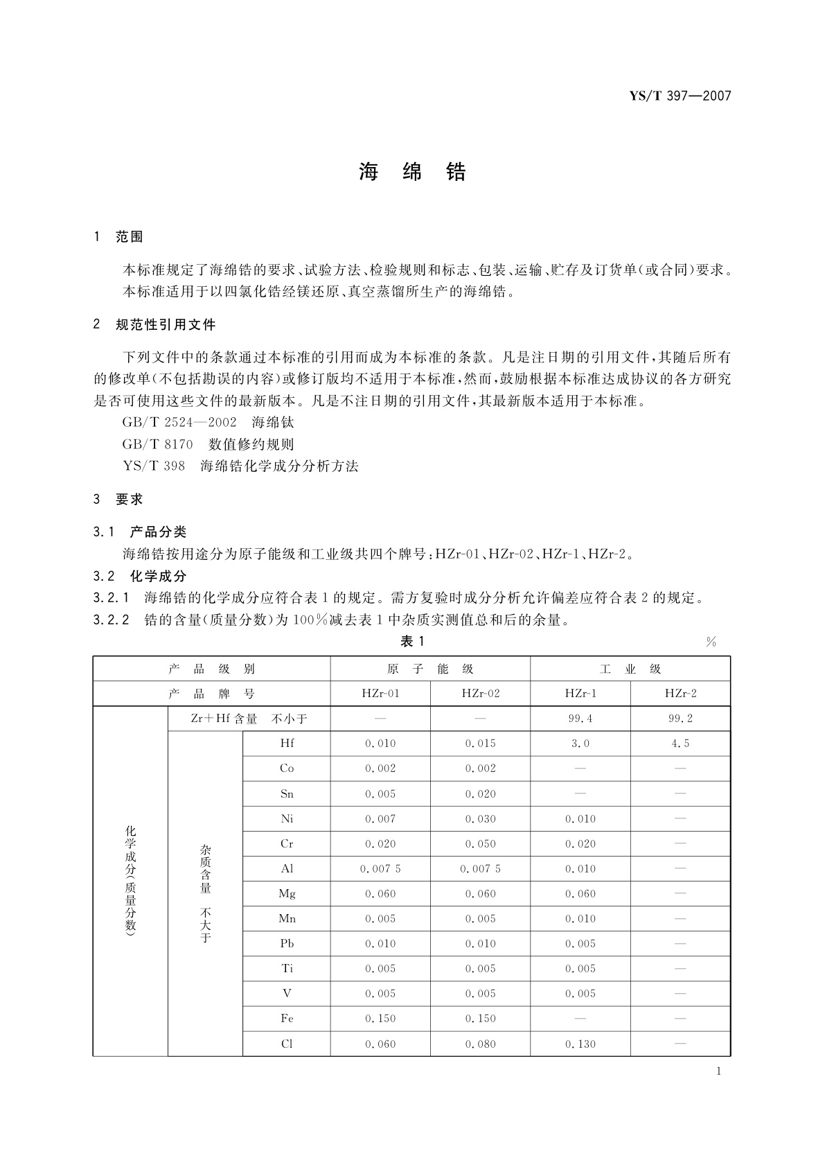
适用范围
-
发布历史
-
2008-05
文前页预览
免费预览已结束,剩余部分可下载查看
研制信息
- 起草单位:
- 宝钛集团有限公司、宝鸡钛业股份有限公司
- 起草人:
- 黄永光、王永梅、张平辉、李献军、冯军宁、张江峰
- 出版信息:
- 页数:8页 | 字数:8 千字 | 开本: 大16开
推荐标准
- GB/T 11024.4-2019 标称电压1 000 V以上交流电力系统用并联电容器 第4部分:内部熔丝 2019-03-25
- GB/T 27785-2011 卫生杀虫器械实验室效果测定及评价 电子灭蚊蝇器 2011-12-30
- GA/T 168-2019 法医学 机械性损伤尸体检验规范 2019-10-14
- CJ/T 367-2011 高速磁浮交通车辆通用技术条件 2011-05-17
- GB/T 27702-2011 信息与文献 信息检索(Z39.50) 应用服务定义和协议规范 2011-12-30
- GB/T 23919-2009 三轮汽车和低速货车 减振器 2009-06-04
- GB/T 5054.1-2008 道路车辆 多芯连接电缆 第1部分:普通护套电缆的性能要求和试验方法 2008-09-24
- GB/T 28426-2012 大型超声波钢轨探伤车 2012-06-29
- GBZ/T(卫生) 220.1-2014 建设项目职业病危害放射防护评价规范 第1部分:核电厂 2014-05-14
- GB/T 33105-2016 工业用甲酸甲酯 2016-10-13
相似标准推荐
更多>- 1 TY/T 3701.7-2019 搏击运动护具使用要求与试验方法 第7部分: 拳套、脚套
- 2 GB/T 37366-2019 塔式起重机安全监控系统及数据传输规范
- 3 GB 19521.6-2004 腐蚀性危险货物危险特性检验安全规范
- 4 GB/T 32586-2016 轨道交通 地面装置 电力牵引架空接触网系统用复合绝缘子的特定要求
- 5 CJ/T 456-2014 气体保压式叠压供水设备
- 6 GB/T 20199-2006 表面活性剂 工业烷烃磺酸盐 烷烃单磺酸盐含量的测定(直接两相滴定法)
- 7 GB/T 12972.10-2008 矿用橡套软电缆 第10部分:矿工帽灯电线
- 8 GB/T 20076-2006 摩托车和轻便摩托车发动机最大扭矩和最大净功率测量方法
- 9 GB/T 17739.6-2012 技术图样与技术文件的缩微摄影 第6部分:35 mm缩微胶片放大系统的质量准则和控制
- 10 GB/T 15926-1995 铋矿石化学分析方法 EDTA容量法测定铋量

关闭预览
