YS/T 293-2011 标准螺栓镦粗模具用硬质合金毛坯
YS/T 293-2011 Sintered hardmetal blanks used in heading die for standard bolt
行业标准
中文简体
现行
页数:16页
|
格式:PDF
基本信息
标准号
YS/T 293-2011
相关服务
仅限个人学习交流使用
标准类型
行业标准
标准状态
现行
中国标准分类号(CCS)
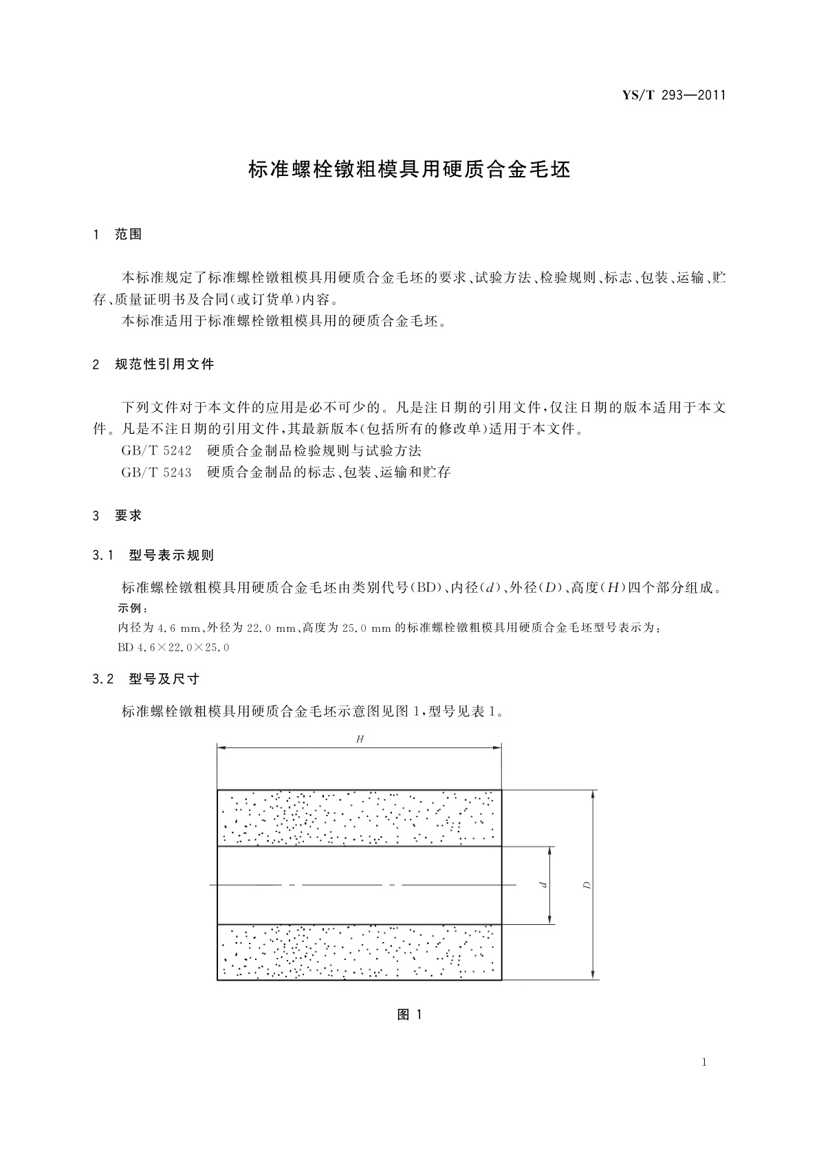
H72 标准螺栓镦粗模具用硬质合金毛坯
国际标准分类号(ICS)
77.160
发布日期
2011-12-20
实施日期
2012-07-01
发布单位/组织
中华人民共和国工业和信息化部
归口单位
全国有色金属标准化技术委员会(SAC/TC 243)
适用范围
-
发布历史
-
2012-07
文前页预览
免费预览已结束,剩余部分可下载查看
研制信息
- 起草单位:
- 株洲硬质合金集团有限公司、厦门金鹭特种合金有限公司
- 起草人:
- 章仕平、杨建国、吴高潮、吴建兵、赵声志、邹建平、梁鸿
- 出版信息:
- 页数:16页 | 字数:24 千字 | 开本: 大16开
推荐标准
- GB/T 19981.4-2009 纺织品 织物和服装的专业维护、干洗和湿洗 第4部分:使用模拟湿清洗和整烫时性能试验的程序 2009-03-19
- JJG 619-2005 p.V.T.t法气体流量标准装置 2005-12-20
- YC/T 400-2011 烟草商业企业卷烟物流运输管理系统移动通信用户身份识别卡代码编码规则 2011-06-26
- GB/T 5009.166-2003 食品包装用树脂及其制品的预试验 2003-08-11
- GB/T 39518-2020 产品几何技术规范(GPS) 使用单探针和多探针接触式探测系统坐标测量机的检测不确定度评估指南 2020-11-19
- GB/T 22958-2008 河豚鱼、鳗鱼和烤鳗中角黄素残留量的测定 液相色谱-紫外检测法 2008-12-31
- GB/T 31838.1-2015 固体绝缘材料 介电和电阻特性 第1部分:总则 2015-07-03
- GB/T 17248.2-1999 声学 机器和设备发射的噪声工作位置和其他指定位置发射声压级的测量 一个反射面上方近似自由场的工程法 1999-03-08
- MT 646-1997 摩擦式金属支柱 1997-11-10
- GB/T 41540-2022 陆地遥感产品真实性检验地面观测场的选址和布设 2022-07-11
相似标准推荐
更多>- 1 GB/T 6730.45-2006 铁矿石 砷含量的测定 砷化氢分离-砷钼蓝分光光度法
- 2 GB/T 32303-2015 航天结构断裂与损伤控制要求
- 3 TY/T 3801.1-2024 极限运动装备使用要求和检验方法 第1部分:滑板
- 4 GB 13432-2004 预包装特殊膳食用食品标签通则
- 5 GB 4717-2005 火灾报警控制器
- 6 GB/T 15826.7-1995 锤上钢质自由锻件机械加工余量与公差 台阶轴类
- 7 NB/T 10950-2022 锚杆支护用钢筋托梁
- 8 GB/T 13668-1992 钢制书柜、资料柜通用技术条件
- 9 GB/T 15342-2012 滑石粉
- 10 LY/T 2570-2015 园林机械 以汽油机为动力的随进式松土机

关闭预览
