YS/T 1142-2016 钒蒸发料
YS/T 1142-2016 Evaporated vanadium material
行业标准
中文简体
现行
页数:16页
|
格式:PDF
基本信息
标准号
YS/T 1142-2016
相关服务
仅限个人学习交流使用
标准类型
行业标准
标准状态
现行
中国标准分类号(CCS)
H63 钒蒸发料
国际标准分类号(ICS)
77.150.99
发布日期
2016-07-11
实施日期
2017-01-01
发布单位/组织
中华人民共和国工业和信息化部
归口单位
全国有色金属标准化技术委员会(SAC/TC 243)
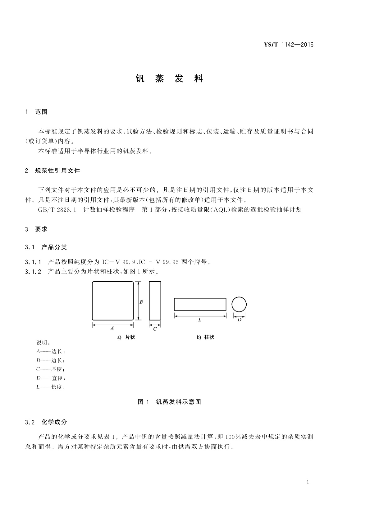
适用范围
-
发布历史
-
2017-01
文前页预览
免费预览已结束,剩余部分可下载查看
研制信息
- 起草单位:
- 有研亿金新材料有限公司
- 起草人:
- 张涛、张巧霞、陈明、徐国进、张殿凯、张玉利、贾存锋、贺昕、王兴权、庞欣、吕超、章程
- 出版信息:
- 页数:16页 | 字数:24 千字 | 开本: 大16开
推荐标准
- GB/T 8815-2008 电线电缆用软聚氯乙烯塑料 2008-12-30
- GB/T 28448-2019 信息安全技术 网络安全等级保护测评要求 2019-05-10
- GB/T 20518-2018 信息安全技术 公钥基础设施 数字证书格式 2018-06-07
- NB/T 11548-2024 立井井筒钻注平行作业技术规范 2024-05-24
- GB/T 15343-2012 滑石化学分析方法 2012-12-31
- GB/T 9799-2024 金属及其他无机覆盖层 钢铁上经过处理的锌电镀层 2024-06-29
- LY/T 2808-2017 野生动物饲养场建设和管理规范 鸵鸟场 2017-06-05
- JG/T 379-2012 通断时间面积法热计量装置技术条件 2012-05-03
- GB/T 13773.1-2008 纺织品 织物及其制品的接缝拉伸性能 第1部分:条样法接缝强力的测定 2008-06-18
- GA 2122-2023 警用服饰 礼服胸徽 2023-12-01
相似标准推荐
更多>- 1 GB/T 37451-2019 海洋平台起重机试验规程
- 2 GB/T 36641-2018 信息技术 锡伯文名义字符、变形显现字符和控制字符使用规则
- 3 YS/T 955.2-2014 粗银化学分析方法 第2部分:钯量的测定 火焰原子吸收光谱法
- 4 YS/T 91-2002 瓶盖用铝及铝合金板、带材
- 5 GB/Z 41305.2-2022 环境条件 电子设备振动和冲击 第2部分:设备的贮存和搬运
- 6 DZ/T 0056-1993 水文水井钻探三牙轮钻头
- 7 FZ/T 95034-2021 烫光机
- 8 GB/T 34960.5-2018 信息技术服务 治理 第5部分:数据治理规范
- 9 GB/T 30264.1-2013 软件工程 自动化测试能力 第1部分:测试机构能力等级模型
- 10 GB 13482-1992 食品添加剂 山梨醇酐单油酸酯(斯潘80)

关闭预览
