YS/T 1010-2014 烧结金属多孔材料环拉强度的测定
YS/T 1010-2014 Test method for ring tensile strength of sintered porous metal
行业标准
中文简体
现行
页数:8页
|
格式:PDF
基本信息
标准号
YS/T 1010-2014
相关服务
仅限个人学习交流使用
标准类型
行业标准
标准状态
现行
中国标准分类号(CCS)
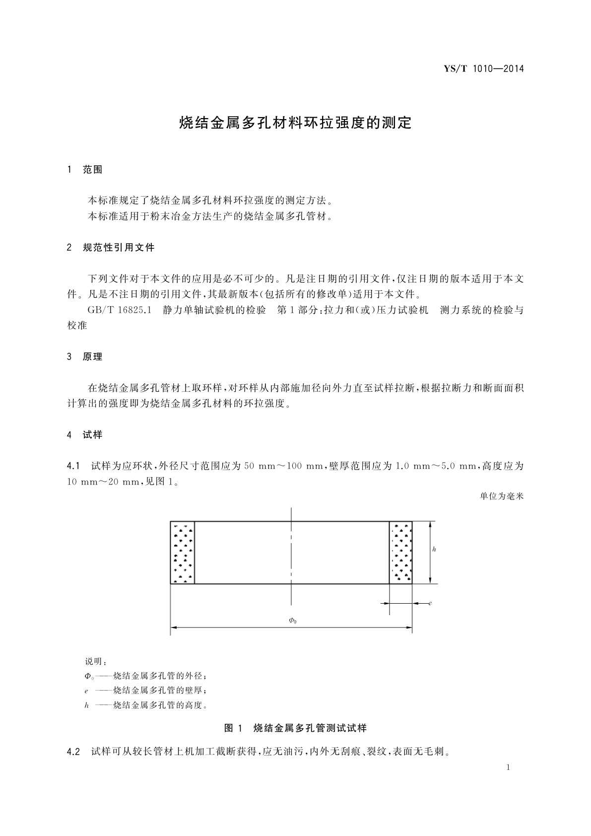
H16 烧结金属多孔材料环拉强度的测定
国际标准分类号(ICS)
77.160
发布日期
2014-10-14
实施日期
2015-04-01
发布单位/组织
中华人民共和国工业和信息化部
归口单位
全国有色金属标准化技术委员会(SAC/TC 243)
适用范围
-
发布历史
-
2015-04
文前页预览
免费预览已结束,剩余部分可下载查看
研制信息
- 起草单位:
- 西北有色金属研究院、西安宝德粉末冶金有限责任公司
- 起草人:
- 谈萍、汤慧萍、陈金妹、王建永、袁英、汪强兵、杨保军
- 出版信息:
- 页数:8页 | 字数:10 千字 | 开本: 大16开
推荐标准
- GB/T 3216-2016 回转动力泵 水力性能验收试验 1级、2级和3级 2016-08-29
- GB/T 3221-2020 内燃机动力内河船舶系泊和航行试验大纲 2020-11-19
- GB/T 20369-2006 啤酒花制品 2006-01-23
- JJF 2283-2025 电子叉车秤校准规范 2025-09-08
- GB/T 19292.2-2018 金属和合金的腐蚀 大气腐蚀性 第2部分:腐蚀等级的指导值 2018-05-14
- GB 253-2008 煤油 2008-06-23
- GB 5296.3-1995 消费品使用说明 化妆品通用标签 1995-07-07
- GB/T 16160-2017 服装用人体测量的尺寸定义与方法 2017-12-29
- GB/T 24002.1-2023 环境管理体系 针对环境主题领域应用GB/T 24001管理环境因素和应对环境状况的指南 第1部分:通则 2023-03-17
- GB/T 28092-2011 落叶松枯梢病菌检疫鉴定方法 2011-12-30
相似标准推荐
更多>- 1 GB/T 19892.3-2022 批控制 第3部分:通用和现场处方模型及表述
- 2 GB/T 33512-2017 织物芯输送带 环形输送带(拼接)净长度的测定
- 3 GB 15208.2-2018 微剂量X射线安全检查设备 第2部分:透射式行包安全检查设备
- 4 GB/T 26620-2011 钝吻黄盖鲽
- 5 GB/T 28786-2012 真空技术 真空镀膜层结合强度测量方法 胶带粘贴法
- 6 GB/T 23965-2009 工业用一异丙胺
- 7 GB/T 9775-2008 纸面石膏板
- 8 FZ/T 93008-2002 环锭细纱机用塑料经纱管
- 9 GB/T 27769-2011 社会保障服务中心设施设备要求
- 10 GB/T 28712.5-2012 热交换器型式与基本参数 第5部分:螺旋板式热交换器

关闭预览
