YC/T 234.1-2007 薄平板冲切结构要素 第1部分:冲孔
YC/T 234.1-2007 Structural main factors for sheet metal stamping parts—Part 1:Hole
行业标准
中文简体
现行
页数:8页
|
格式:PDF
基本信息
标准号
YC/T 234.1-2007
相关服务
仅限个人学习交流使用
标准类型
行业标准
标准状态
现行
中国标准分类号(CCS)
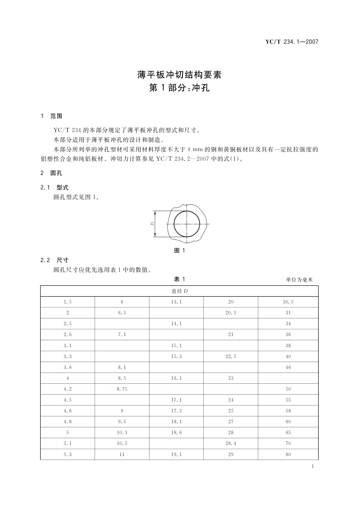
X94 薄平板冲切结构要素 第1部分:冲孔
国际标准分类号(ICS)
65.160
发布日期
2007-07-05
实施日期
2007-09-01
发布单位/组织
国家烟草专卖局
归口单位
全国烟草标准化技术委员会(TC 144)
适用范围
-
发布历史
-
2007-09
文前页预览
免费预览已结束,剩余部分可下载查看
研制信息
- 起草单位:
- 中烟机械技术中心有限责任公司
- 起草人:
- 徐庆涛、徐祖发、龚美华
- 出版信息:
- 页数:8页 | 字数:8 千字 | 开本: 大16开
推荐标准
- FZ/T 97041-2021 针织横编鞋面机 2021-12-02
- GB/T 10516-1989 硝酸磷肥颗粒平均抗压强度测定 1989-03-22
- GB/T 42795-2023 高应变海洋油气输送管用钢板 2023-08-06
- JG/T 498-2016 建筑室内空气污染简便取样仪器检测方法 2016-06-14
- GB/T 19731-2005 盒式光盘(ODC)装运包装以及光盘标签上的信息 2005-04-19
- GA/T 2000.133-2016 公安信息代码 第133部分:被监管人员奖惩形式代码 2016-08-25
- GB/T 1196-2017 重熔用铝锭 2017-07-12
- GB/T 24955.2-2010 船舶和海上技术 艏向发送设备(THDs) 第2部分:地磁原理 2010-08-09
- GB/T 39873-2021 消毒剂中季铵盐的测定 液相色谱-串联质谱法 2021-03-09
- FZ/T 43054-2019 装备用涤纶长丝涂层织物 2019-12-24
相似标准推荐
更多>- 1 YS/T 939-2013 二氯四氨铂
- 2 GB/T 3374-1992 齿轮基本术语
- 3 GB/T 37941-2019 信息安全技术 工业控制系统网络审计产品安全技术要求
- 4 GB/T 23309-2009 电缆屏蔽用铝镁合金线
- 5 GB/T 32151.46-2024 温室气体排放核算与报告要求 第46部分:废弃电池处理处置企业
- 6 GB/T 12723-2013 单位产品能源消耗限额编制通则
- 7 GB/T 34764-2017 肥料中铜、铁、锰、锌、硼、钼含量的测定 等离子体发射光谱法
- 8 GB 19212.4-2005 电力变压器、电源装置和类似产品的安全 第4部分:燃气和燃油燃烧器点火变压器的特殊要求
- 9 GB/T 20491-2017 用于水泥和混凝土中的钢渣粉
- 10 GB/T 12162.4-2010 用于校准剂量仪和剂量率仪及确定其能量响应的X和γ参考辐射 第4部分:低能X射线参考辐射场中场所和个人剂量仪的校准

关闭预览
