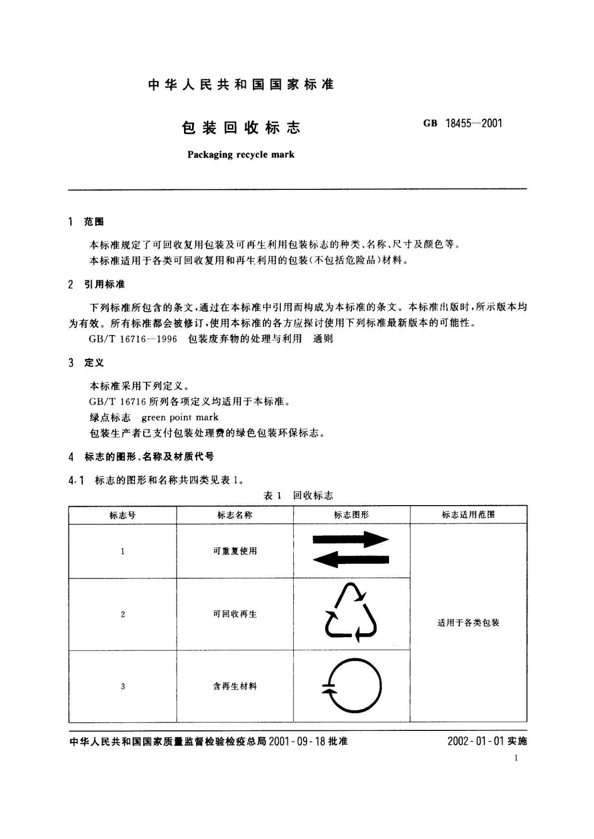
GB 18455-2001 包装回收标志
GB 18455-2001 Packaging recycle mark
国家标准
中文简体
被代替
页数:8页
|
格式:PDF
基本信息
标准号
GB 18455-2001
相关服务
仅限个人学习交流使用
标准类型
国家标准
标准状态
被代替
中国标准分类号(CCS)
A80 包装回收标志
国际标准分类号(ICS)
55.020
发布日期
2001-09-18
实施日期
2002-01-01
发布单位/组织
中华人民共和国国家质量监督检验检疫总局
归口单位
全国包装标准化技术委员会
适用范围
-
发布历史
-
2002-01
文前页预览
免费预览已结束,剩余部分可下载查看
研制信息
- 起草单位:
- 中国出口商品包装研究所、广东省出入境检验检疫局、化学工业部标准化研究所
- 起草人:
- 李建华、于群利、王显云、钟帮奇、黄雪、王晓兵
- 出版信息:
- 页数:8页 | 字数:9 千字 | 开本: 大16开
推荐标准
- GB/T 20982.2-2007 纺织机械与附件 织机 第2部分:附件 词汇 2007-07-11
- GB/T 38299-2019 公共安全 业务连续性管理体系 供应链连续性指南 2019-12-10
- NY/T 743-2003 绿色食品 绿叶类蔬菜 2003-12-01
- GB/T 1480-1995 金属粉末粒度组成的测定 干筛分法 1995-04-18
- GB/T 17554.1-2006 识别卡 测试方法 第1部分:一般特性测试 2006-03-14
- GB 4706.21-2008 家用和类似用途电器的安全 微波炉,包括组合型微波炉的特殊要求 2008-12-15
- GB/T 9741-2008 化学试剂 灼烧残渣测定通用方法 2008-05-15
- GB/T 44665-2024 上下肢运动功能评估与训练设备通用要求 2024-09-29
- YB/T 108-1997 镍-钢复合板 1997-02-19
- GB/T 17116.2-2018 管道支吊架 第2部分:管道连接部件 2018-02-06
相似标准推荐
更多>- 1 GB/T 18806-2002 电阻应变式压力传感器总规范
- 2 GB/T 20280-2006 信息安全技术 网络脆弱性扫描产品测试评价方法
- 3 GB/T 9383-1999 声音和电视广播接收机及有关设备抗扰度限值和测量方法
- 4 YY/T 1477.1-2016 接触性创面敷料性能评价用标准试验模型 第1部分:评价抗菌活性的体外创面模型
- 5 GB/T 46169-2025 金属材料 钢 脆性裂纹止裂韧度Kca测定的试验方法
- 6 GB/T 26262-2010 通信产品节能分级导则
- 7 GB/T 38458-2020 包装饮用水(桶装)全自动冲洗灌装封盖机 通用技术规范
- 8 NY 5031-2001 无公害食品 生猪饲养兽医防疫准则
- 9 GB/T 20778-2006 水处理剂可生物降解性能评价方法 CO2生成量法
- 10 GB/T 16795-1997 信息技术 开放系统互连 作业传送和操纵的概念与服务

关闭预览
