YB 4017-1991 玻璃熔窑用耐火制品形状尺寸 硅砖
YB 4017-1991
行业标准
中文简体
现行
页数:24页
|
格式:PDF
基本信息
标准号
YB 4017-1991
相关服务
仅限个人学习交流使用
标准类型
行业标准
标准状态
现行
中国标准分类号(CCS)
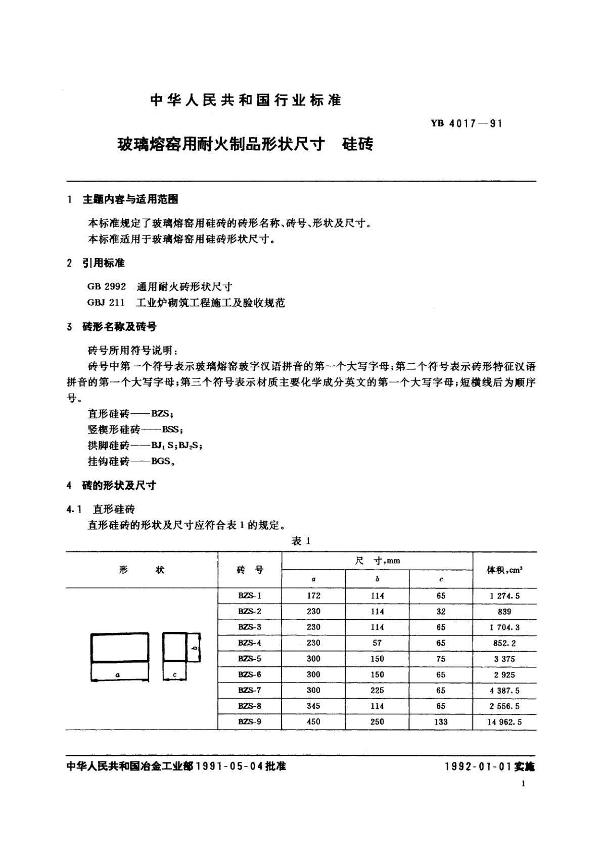
玻璃熔窑用耐火制品形状尺寸 硅砖
国际标准分类号(ICS)
发布日期
1991-05-04
实施日期
1992-01-01
发布单位/组织
中华人民共和国冶金工业部
归口单位
适用范围
-
发布历史
-
1992-01
文前页预览
免费预览已结束,剩余部分可下载查看
研制信息
- 起草单位:
- 国家建材局蚌埠玻璃工业设计研究院、冶金工业部情报标准研究总所
- 起草人:
- 瞿果芳、黄梅瑛
- 出版信息:
- 页数:24页 | 字数:42 千字 | 开本: 大16开
推荐标准
- SB/T 10784-2012 洗染服务合约技术规范 2012-09-19
- GB/T 5474-2016 塑料 酚醛模塑制品 游离氨和铵化合物的测定 比色法 2016-06-14
- DZ/T 0080-1993 煤田地球物理测井规范 1993-12-09
- GB/T 43620-2023 环境管理 生命周期评价 数据文件格式 2023-12-28
- LY/T 2134-2013 森林食品 薇菜干 2013-03-15
- GB/T 13199-1991 水质 阴离子洗涤剂的测定 电位滴定法 1991-08-31
- GB/T 8089-2007 天然生胶 烟胶片、白绉胶片和浅色绉胶片 2007-08-31
- GB/T 11045.14-2005 纺织品 色牢度试验 其他试验 第14部分:毛纺织品耐二氯异氰尿酸钠酸性氯化色牢度 2005-11-04
- FZ/T 01033-2012 绒毛织物单位面积质量和含(覆)绒率的试验方法 2012-12-28
- GB/T 20009-2019 信息安全技术 数据库管理系统安全评估准则 2019-08-30
相似标准推荐
更多>- 1 GB 17465.1-1998 家用和类似用途的器具耦合器 第一部分:通用要求
- 2 JG/T 5072.3-1996 电梯对重用空心导轨
- 3 GB/T 43616-2023 气瓶信息化 基本要求
- 4 LS/T 3706-2012 粮油检验仪器 自动滴定分析仪技术条件与试验方法
- 5 YS/T 416-2016 氢气净化用钯合金管材
- 6 GB/T 31109-2014 乐器声学品质评价方法
- 7 GB/T 14811-2008 热管术语
- 8 GB/T 15076.7-2020 钽铌化学分析方法 第7部分:铌中磷量的测定 4-甲基-戊酮-[2]萃取分离磷钼蓝分光光度法和电感耦合等离子体原子发射光谱法
- 9 LY/T 1281-1998 味精用粉状活性炭
- 10 YS/T 2-1991 VAD/VOD型25t炉外精炼设备技术条件

关闭预览
