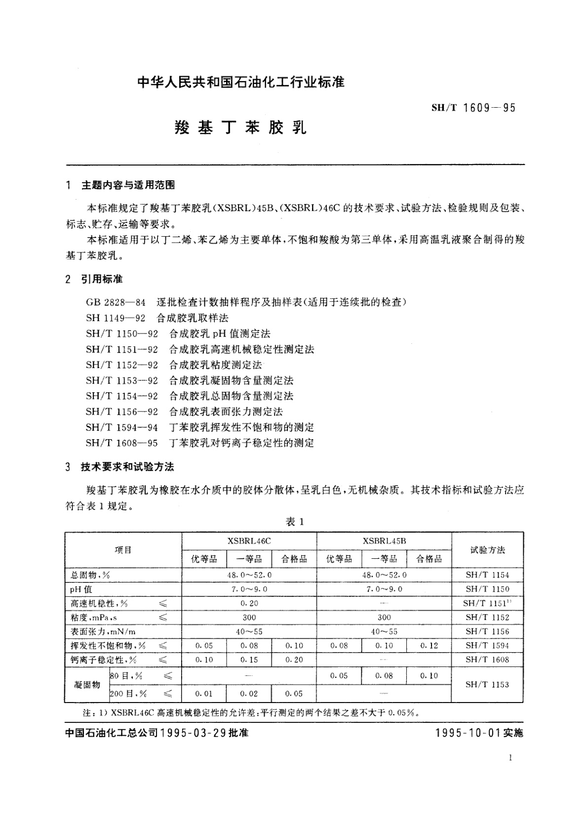
SH/T 1609-1995 羧基丁苯胶乳
SH/T 1609-1995
行业标准
中文简体
现行
页数:8页
|
格式:PDF
基本信息
标准号
SH/T 1609-1995
相关服务
仅限个人学习交流使用
标准类型
行业标准
标准状态
现行
中国标准分类号(CCS)
羧基丁苯胶乳
国际标准分类号(ICS)
发布日期
1995-03-29
实施日期
1995-10-01
发布单位/组织
中国石油化工总公司
归口单位
全国橡胶与橡胶制品标准化技术委员会合成橡胶分技术委员会
适用范围
-
发布历史
-
1995-10
文前页预览
免费预览已结束,剩余部分可下载查看
研制信息
- 起草单位:
- 兰州化学工业公司兰化合成橡胶厂
- 起草人:
- 俞重、黄友根
- 出版信息:
- 页数:8页 | 字数:4 千字 | 开本: 大16开
推荐标准
- GB/Z 34792-2017 实验动物 引种技术规程 2017-11-01
- LY/T 2890-2017 便携式油锯 锯链制动器性能测试方法 2017-06-05
- GB/T 25749.3-2010 机械安全 空气传播的有害物质排放的评估 第3部分:测量给定污染物排放率的试验台法 2010-12-23
- GB/T 29632-2021 家用汽车产品三包主要零部件种类范围及三包凭证 2021-11-26
- GB/T 40006.6-2021 塑料 再生塑料 第6部分:聚苯乙烯(PS)和抗冲击聚苯乙烯(PS-I)材料 2021-10-11
- FZ/T 93083-2012 水刺机 2012-12-28
- GB/T 26416.3-2010 镝铁合金化学分析方法 第3部分:钙、镁、铝、硅、镍、钼、钨量的测定 电感耦合等离子体发射光谱法 2011-01-14
- GB/T 32021-2015 双向拉伸聚丙烯消光薄膜 2015-09-11
- GB/T 777-2008 工业自动化仪表用模拟气动信号 2008-06-30
- GB/T 45717-2025 信息技术 软件测量 软件质量测量 自动化的源代码质量测度 2025-05-30
相似标准推荐
更多>- 1 GB/T 43954-2024 重瓣红玫瑰精油
- 2 GB/T 43547-2023 良好实验室规范(GLP)管理、描述和测试项目的使用
- 3 GB/T 6324.4-1986 有机液体产品微量硫的测定 微库仑法
- 4 GB/T 6150.2-1985 钨精矿化学分析方法 碘酸钾容量法测定锡量
- 5 GB/T 19520.5-2004 电子设备机械结构 482.6mm(19in)系列机械结构尺寸 第5-100部分:插箱及其插件 设计概述
- 6 GB/T 19004-2020 质量管理 组织的质量 实现持续成功指南
- 7 JJF 1936-2021 紫外分析仪校准规范
- 8 YY/T 0629-2008 牙科设备 高容量和中容量吸引系统
- 9 GB/T 18006.1-2009 塑料一次性餐饮具通用技术要求
- 10 GB/T 6113.102-2025 无线电骚扰和抗扰度测量设备和测量方法规范 第1-2部分:无线电骚扰和抗扰度测量设备 传导骚扰测量的耦合装置

关闭预览
