SC/T 8056-1994 渔船拖网弹钩滑车
SC/T 8056-1994
行业标准
中文简体
现行
页数:8页
|
格式:PDF
基本信息
标准号
SC/T 8056-1994
相关服务
仅限个人学习交流使用
标准类型
行业标准
标准状态
现行
中国标准分类号(CCS)
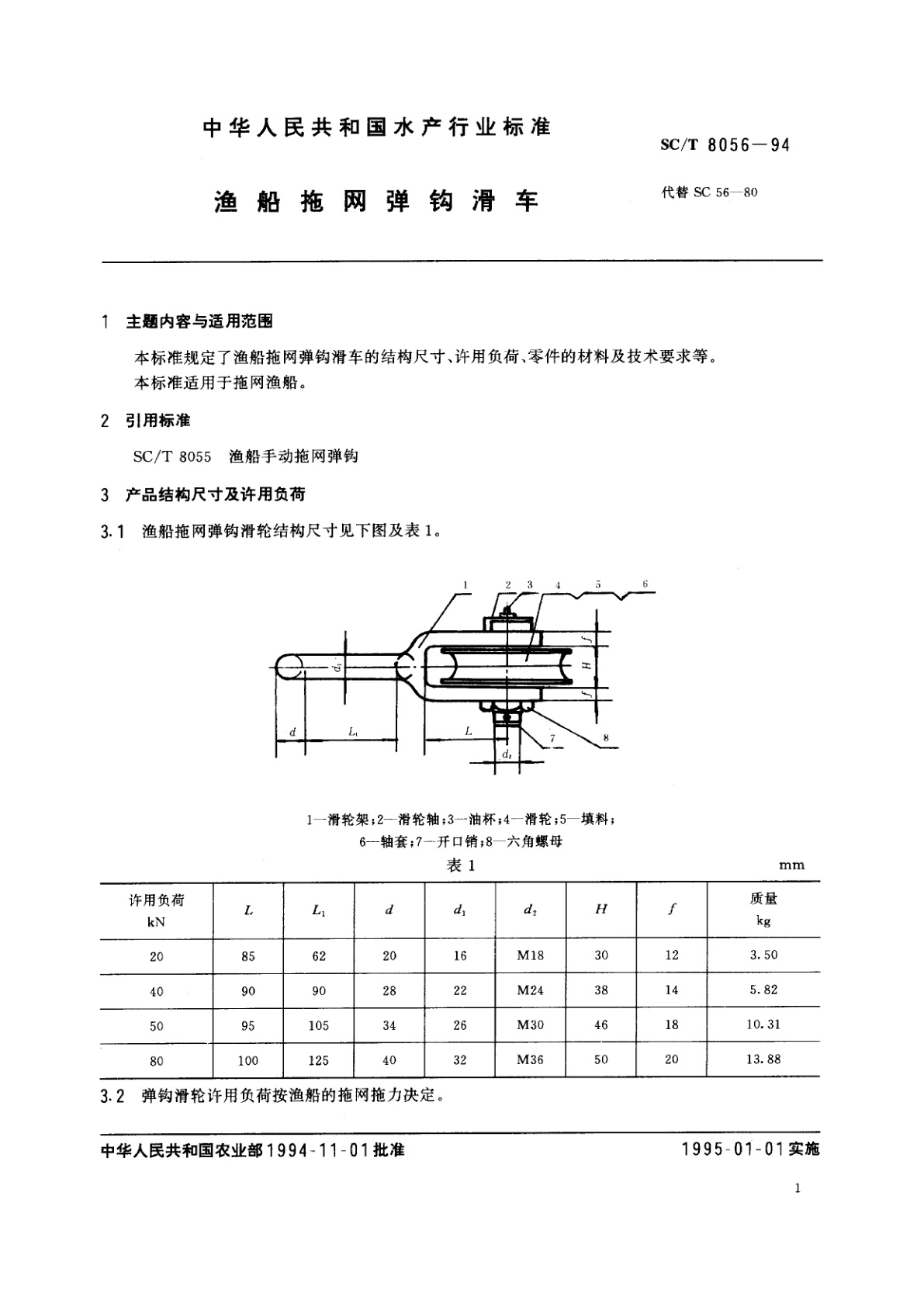
渔船拖网弹钩滑车
国际标准分类号(ICS)
发布日期
1994-11-01
实施日期
1995-01-01
发布单位/组织
中华人民共和国农业部
归口单位
适用范围
-
发布历史
-
1995-01
文前页预览
免费预览已结束,剩余部分可下载查看
研制信息
- 起草单位:
- 大连渔轮公司
- 起草人:
- 栾凤顺、杨立平
- 出版信息:
- 页数:8页 | 字数:5 千字 | 开本: 大16开
推荐标准
- GB/T 17981-2000 空气调节系统经济运行 2000-02-16
- GB/T 32007-2015 汽车零部件的统一编码与标识 2015-09-11
- GB/T 3860-2009 文献主题标引规则 2009-09-30
- GB/T 9275-2008 色漆和清漆 巴克霍尔兹压痕试验 2008-06-04
- CB/T 3715-1995 陶质焊接衬垫 1995-06-19
- GB/T 23200-2008 桑枝、金银花、枸杞子和荷叶中488种农药及相关化学品残留量的测定 气相色谱-质谱法 2008-12-31
- GB/T 18910.2-2003 液晶和固态显示器件 第2部分:液晶显示模块分规范 2003-11-24
- GB 146.2-1983 标准轨距铁路建筑限界 1983-11-07
- GB/T 33710-2017 移动实验室 分类分级方法 2017-05-12
- GB/T 21173-2007 动物源性食品中磺胺类药物残留测定方法 放射受体分析法 2007-10-29
相似标准推荐
更多>- 1 GB/T 42178-2022 空间站气闸舱进出货物接口要求
- 2 GB/T 26396-2011 洗涤用品安全技术规范
- 3 GB/T 18376.3-2001 硬质合金牌号 第3部分:耐磨零件用硬质合金牌号
- 4 GB 12523-1990 建筑施工场界噪声限值
- 5 JJF 1261.8-2017 电动洗衣机能源效率计量检测规则
- 6 GB 4706.73-2004 家用和类似用途电器的安全 涡流浴缸的特殊要求
- 7 GB/T 37959-2019 含工艺腔室类集成电路装备设计信息模型
- 8 GB/T 16857.3-2009 产品几何技术规范(GPS) 坐标测量机的验收检测和复检检测 第3部分:配置转台的轴线为第四轴的坐标测量机
- 9 GB 1886.91-2016 食品安全国家标准 食品添加剂 硬脂酸镁
- 10 GB/T 6124.1-1996 T型槽铣刀 第1部分:直柄T型槽铣刀的型式和尺寸

关闭预览
