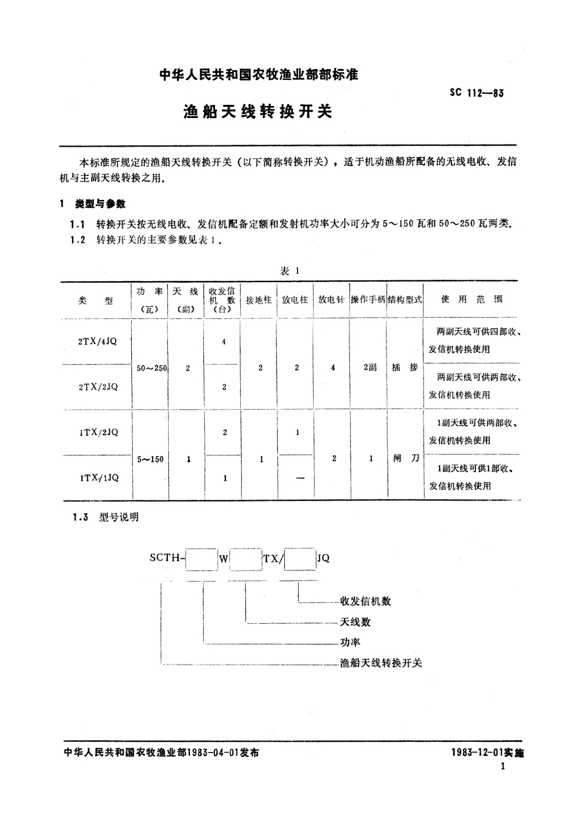
SC 112-1983 渔船天线转换开关
SC 112-1983
行业标准
中文简体
现行
页数:12页
|
格式:PDF
基本信息
标准号
SC 112-1983
相关服务
仅限个人学习交流使用
标准类型
行业标准
标准状态
现行
中国标准分类号(CCS)
渔船天线转换开关
国际标准分类号(ICS)
发布日期
1983-04-01
实施日期
1983-12-01
发布单位/组织
中华人民共和国农牧渔业部
归口单位
中国水产科学研究院
适用范围
-
发布历史
-
1983-12
文前页预览
免费预览已结束,剩余部分可下载查看
研制信息
- 起草单位:
- 大连海洋渔业公司
- 起草人:
- 张奎生
- 出版信息:
- 页数:12页 | 字数:16 千字 | 开本: 大16开
推荐标准
- GB/T 13747.2-2019 锆及锆合金化学分析方法 第2部分:铁量的测定 1,10-二氮杂菲分光光度法和电感耦合等离子体原子发射光谱法 2019-12-31
- JG/T 294-2010 空气净化器污染物净化性能测定 2010-12-20
- GB/T 11935-1989 水源水中氯丁二烯卫生检验标准方法 气相色谱法 1989-09-21
- GB/T 5612-2025 铸铁牌号表示方法 2025-03-28
- GB/T 6404.2-2005 齿轮装置的验收规范 第2部分:验收试验中齿轮装置机械振动的测定 2005-09-19
- GB/T 28029.1-2020 轨道交通电子设备 列车通信网络(TCN) 第1部分:基本结构 2020-03-06
- GB/T 6730.57-2004 铁矿石 铬含量的测定 火焰原子吸收光谱法 2004-03-24
- GB/T 41514-2022 钢结构货架使用安全与评估规范 2022-07-11
- YY/T 0686-2017 医用镊 2017-03-28
- GB/T 15072.3-2025 贵金属合金化学分析方法 第3部分:铂含量的测定 2025-08-29
相似标准推荐
更多>- 1 GB/T 14839-1993 地球化学勘查技术符号
- 2 GB/T 294-2015 滚动轴承 三点和四点接触球轴承 外形尺寸
- 3 YS/T 667.4-2009 化学品氧化铝化学分析方法 第4部分 4A沸石中砷、汞含量的测定氢化物发生-电感耦合等离子体发射光谱法
- 4 GB/T 15805.2-2008 鱼类检疫方法 第2部分:传染性造血器官坏死病毒(IHNV)
- 5 GB/T 29420-2012 掺钕钒酸盐激光单晶元件
- 6 GB/T 14506.22-1993 硅酸盐岩石化学分析方法 钒的测定
- 7 GB/T 6098.1-1985 棉纤维长度试验方法 罗拉式分析仪法
- 8 GB 11567.2-2001 汽车和挂车后下部防护要求
- 9 GB/T 3450-1994 铁路机车司机室噪声允许值
- 10 GB/T 5169.39-2015 电工电子产品着火危险试验 第39部分:燃烧流的毒性 试验结果的使用和说明

关闭预览
