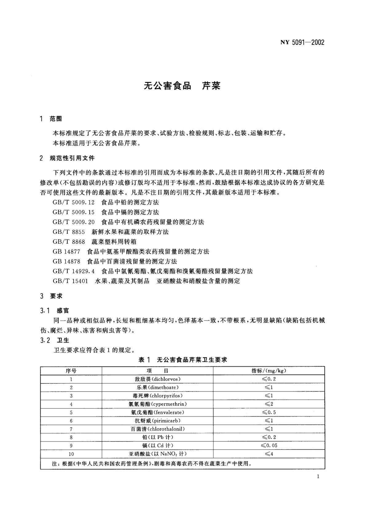
NY 5091-2002 无公害食品 芹菜
NY 5091-2002
行业标准
中文简体
被代替
页数:8页
|
格式:PDF
基本信息
标准号
NY 5091-2002
相关服务
仅限个人学习交流使用
标准类型
行业标准
标准状态
被代替
中国标准分类号(CCS)
B31 无公害食品 芹菜
国际标准分类号(ICS)
67.080.20
发布日期
2002-07-25
实施日期
2002-09-01
发布单位/组织
中华人民共和国农业部
归口单位
适用范围
-
发布历史
-
2002-09
文前页预览
免费预览已结束,剩余部分可下载查看
研制信息
- 起草单位:
- 农业部蔬菜品质监督检验测试中心(北京)、中国农业科学院蔬菜花卉研究所
- 起草人:
- 刘肃、张德纯、钟惠宏、钱洪
- 出版信息:
- 页数:8页 | 字数:8 千字 | 开本: 大16开
推荐标准
- GB/T 15071-1994 金属镝 1994-05-09
- GB/T 17103-1997 金属材料定量极图的测定 1997-11-11
- GB/T 46023.1-2025 汽车用智能变色玻璃 第1部分:有机电致变色玻璃 2025-08-01
- GB/T 20414-2006 机动车用液化石油气的橡胶软管和软管组合件 2006-03-14
- GB/T 26169-2010 电气绝缘材料耐电痕化和电蚀损的评定方法 旋转轮沉浸试验 2011-01-14
- GB/T 39978-2021 纳米技术 碳纳米管粉体电阻率 四探针法 2021-05-21
- GB/T 23981.2-2023 色漆和清漆 遮盖力的测定 第2部分:黑白格板法 2023-08-06
- GB/T 1416-2021 信封 2021-12-31
- GB/T 12690.13-2003 稀土金属及其氧化物中非稀土杂质化学分析方法钼、钨量的测定电感耦合等离子体发射光谱法和电感耦合等离子体质谱法 2003-11-18
- GB/T 2485-1997 普通磨具 砂轮 技术条件 1997-12-16
相似标准推荐
更多>- 1 GB/T 26033-2010 偏钨酸铵
- 2 GB/T 40258-2021 中空纤维膜耐化学清洗剂腐蚀性能评价方法
- 3 YB 4103-2000 换热器用焊接钢管
- 4 GB/T 45773-2025 表面化学分析 X射线光电子能谱全扫描谱的准实时信息 含碳化合物表面污染的识别和校正规则
- 5 GB/T 21183-2007 锆及锆合金板、带、箔材
- 6 GB/T 7911-2024 热固性树脂浸渍纸高压装饰层积板(HPL)
- 7 GB/T 20852-2007 金属和合金的腐蚀 大气腐蚀防护方法的选择导则
- 8 GA/T 974.46-2011 消防信息代码 第46部分:消防训练分类与代码
- 9 GB 18447.1-2008 拖拉机 安全要求 第1部分:轮式拖拉机
- 10 GB/T 18654.2-2002 养殖鱼类种质检验 第2部分:抽样方法

关闭预览
