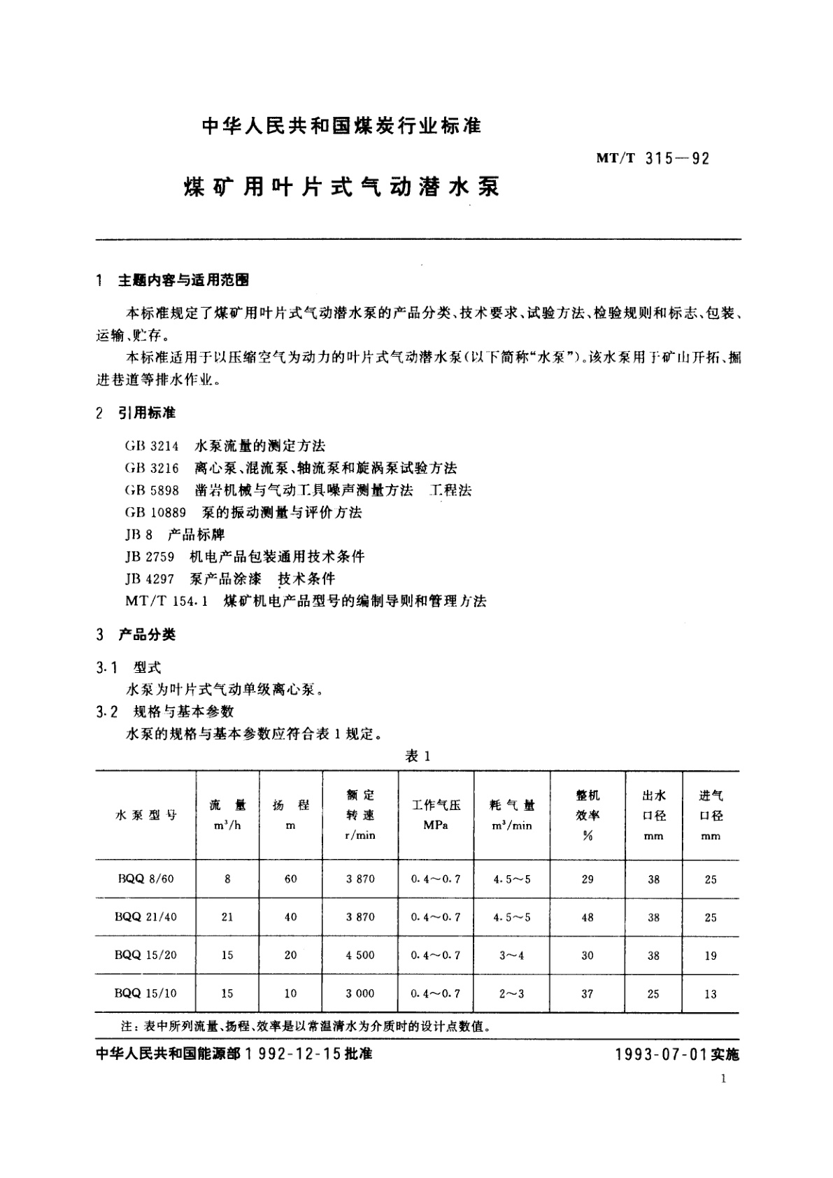
MT/T 315-1992 煤矿用叶片式气动潜水泵
MT/T 315-1992
行业标准
中文简体
现行
页数:8页
|
格式:PDF
基本信息
标准号
MT/T 315-1992
相关服务
仅限个人学习交流使用
标准类型
行业标准
标准状态
现行
中国标准分类号(CCS)
D98 煤矿用叶片式气动潜水泵
国际标准分类号(ICS)
发布日期
1992-12-15
实施日期
1993-07-01
发布单位/组织
中华人民共和国能源部
归口单位
能源部煤矿专用设备标准化技术委员会
适用范围
-
发布历史
-
1993-07
文前页预览
免费预览已结束,剩余部分可下载查看
研制信息
- 起草单位:
- 常州市风动水泵厂
- 起草人:
- 蒋建农、苏荣卿、窦振国、王加良
- 出版信息:
- 页数:8页 | 字数:8 千字 | 开本: 大16开
推荐标准
- GB/T 17213.2-2005 工业过程控制阀 第2-1部分:流通能力安装条件下流体流量的计算公式 2005-09-09
- GB/T 16251-2008 工作系统设计的人类工效学原则 2008-07-16
- GBZ/T(卫生) 240.26-2011 化学品毒理学评价程序和试验方法 第26部分:慢性吸入毒性试验 2011-08-19
- YS/T 785-2012 NaA型沸石相对结晶度测定方法X衍射法 2012-05-24
- GB/T 16485-1996 制材机械通用技术条件 1996-08-05
- GB/T 26237.9-2022 信息技术 生物特征识别数据交换格式 第9部分:血管图像数据 2022-12-30
- GB/T 17818-2025 饲料中维生素D3的测定 高效液相色谱法 2025-01-24
- GB/T 31270.15-2025 化学农药环境安全评价试验准则 第15部分:蚯蚓急性毒性试验 2025-10-05
- GB/T 32455-2015 运载火箭术语 2015-12-31
- GB/T 31840.3-2025 额定电压1 kV(Um=1.2 kV)到35 kV(Um=40.5 kV)铝合金芯挤包绝缘电力电缆 第3部分:额定电压35 kV(Um=40.5 kV)电缆 2025-10-05
相似标准推荐
更多>- 1 GB/T 22527-2008 文物保护单位标志
- 2 GB/T 19812.3-2008 塑料节水灌溉器材 内镶式滴灌管、带
- 3 GB/T 6002.4-1986 纺织机械术语 织机分类和术语
- 4 GB/T 25412-2010 残地膜回收机
- 5 GB/T 18884.1-2002 家用厨房设备 第1部分:术语
- 6 GB/T 15719-2011 现场发泡包装
- 7 JJF 1737-2019 工频磁场模拟器校准规范
- 8 GB/T 44449-2024 工业自动化系统与集成 全球生产网络配置的形式语义模型
- 9 GB/T 45225-2025 人工智能 深度学习算法评估
- 10 GB/T 2938-2008 低热微膨胀水泥

关闭预览
