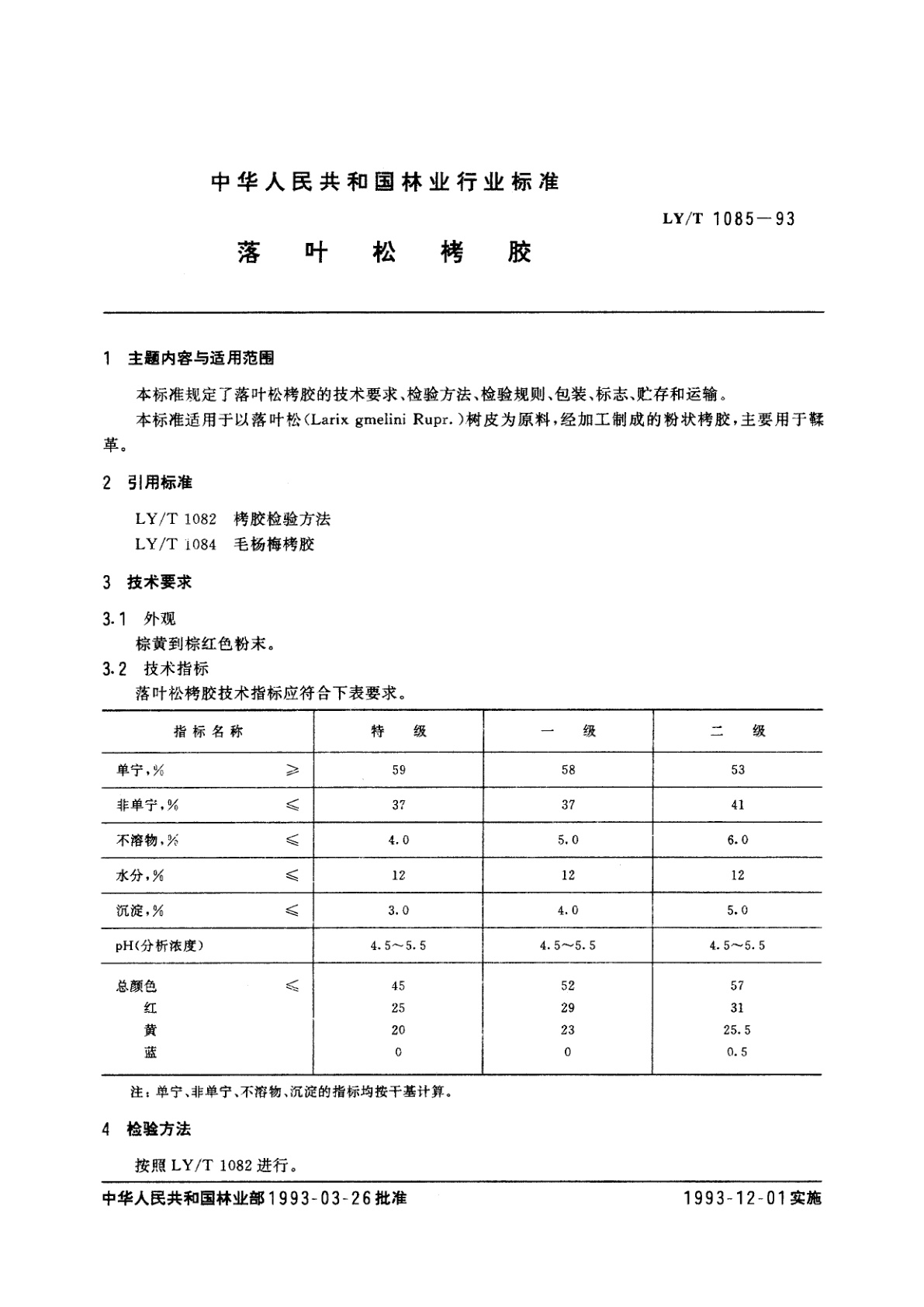
LY/T 1085-1993 落叶松栲胶
LY/T 1085-1993
行业标准
中文简体
被代替
页数:4页
|
格式:PDF
基本信息
标准号
LY/T 1085-1993
相关服务
仅限个人学习交流使用
标准类型
行业标准
标准状态
被代替
中国标准分类号(CCS)
落叶松栲胶
国际标准分类号(ICS)
发布日期
1993-03-26
实施日期
1993-12-01
发布单位/组织
中华人民共和国林业部
归口单位
中国林业科学研究院林产化学工业研究所
适用范围
-
发布历史
-
1993-12
文前页预览
免费预览已结束,剩余部分可下载查看
研制信息
- 起草单位:
- 中国林业科学研究院林产化学工业研究所、广西宜山栲胶厂、陕西商洛栲胶厂
- 起草人:
- 顾人侠、徐崇福、吕秀珍、刘伟、吴冬梅、陈文文
- 出版信息:
- 页数:4页 | 字数:4 千字 | 开本: 大16开
推荐标准
- GB/T 34265-2017 Sanger法测序技术指南 2017-09-07
- GB/T 18958-2003 难燃中密度纤维板 2003-01-27
- YY/T 0946-2014 心脏除颤器 植入式心脏除颤器用DF-1连接器组件 尺寸和试验要求 2014-06-17
- FZ/T 50002-2013 化学纤维异形度试验方法 2013-10-17
- GB/T 19181-2003 生咖啡 分级方法导则 2003-06-04
- GB/T 45442-2025 冷链物流统计指标体系 2025-02-28
- GB/T 38479-2021 壳聚糖含量测定 高效液相色谱法 2021-12-31
- GB/T 22468-2008 家禽及禽肉兽医卫生监控技术规范 2008-11-04
- YY/T 0119.2-2014 脊柱植入物 脊柱内固定系统部件 第2部分:金属脊柱螺钉 2014-06-17
- HY/T 147.7-2013 海洋监测技术规程 第7部分:卫星遥感技术方法 2013-04-25
相似标准推荐
更多>- 1 GB 14167-2024 机动车乘员用安全带和约束系统安装固定点
- 2 GB/T 35245-2017 企业产品质量安全事件应急预案编制指南
- 3 GB/T 9414.1-2012 维修性 第1部分:应用指南
- 4 GB/T 247-1997 钢板和钢带检验、包装、标志及质量证明书的一般规定
- 5 GB/T 25078.2-2010 声学 低噪声机器和设备设计实施建议 第2部分:低噪声设计的物理基础
- 6 GB/T 26951-2011 焊缝无损检测 磁粉检测
- 7 GB/T 39245.2-2020 管法兰用金属齿形组合垫片 第2部分:Class系列
- 8 GB/T 27873-2011 废弃产品处理企业技术规范
- 9 GB/T 43599-2023 石油天然气钻采设备 机械式固井胶塞的测试与评价
- 10 GB/T 8855-2025 新鲜果蔬 取样方法

关闭预览
