JJG(烟草)28-2010 卷烟机微波烟支质量检测系统检定规程
JJG(烟草)28-2010 Verification Regulation of Cigarette Making Machine Cigarette Weight Microwave Detection System
中文简体
现行
页数:12页
|
格式:PDF
基本信息
标准号
JJG(烟草)28-2010
相关服务
仅限个人学习交流使用
标准类型
标准状态
现行
中国标准分类号(CCS)
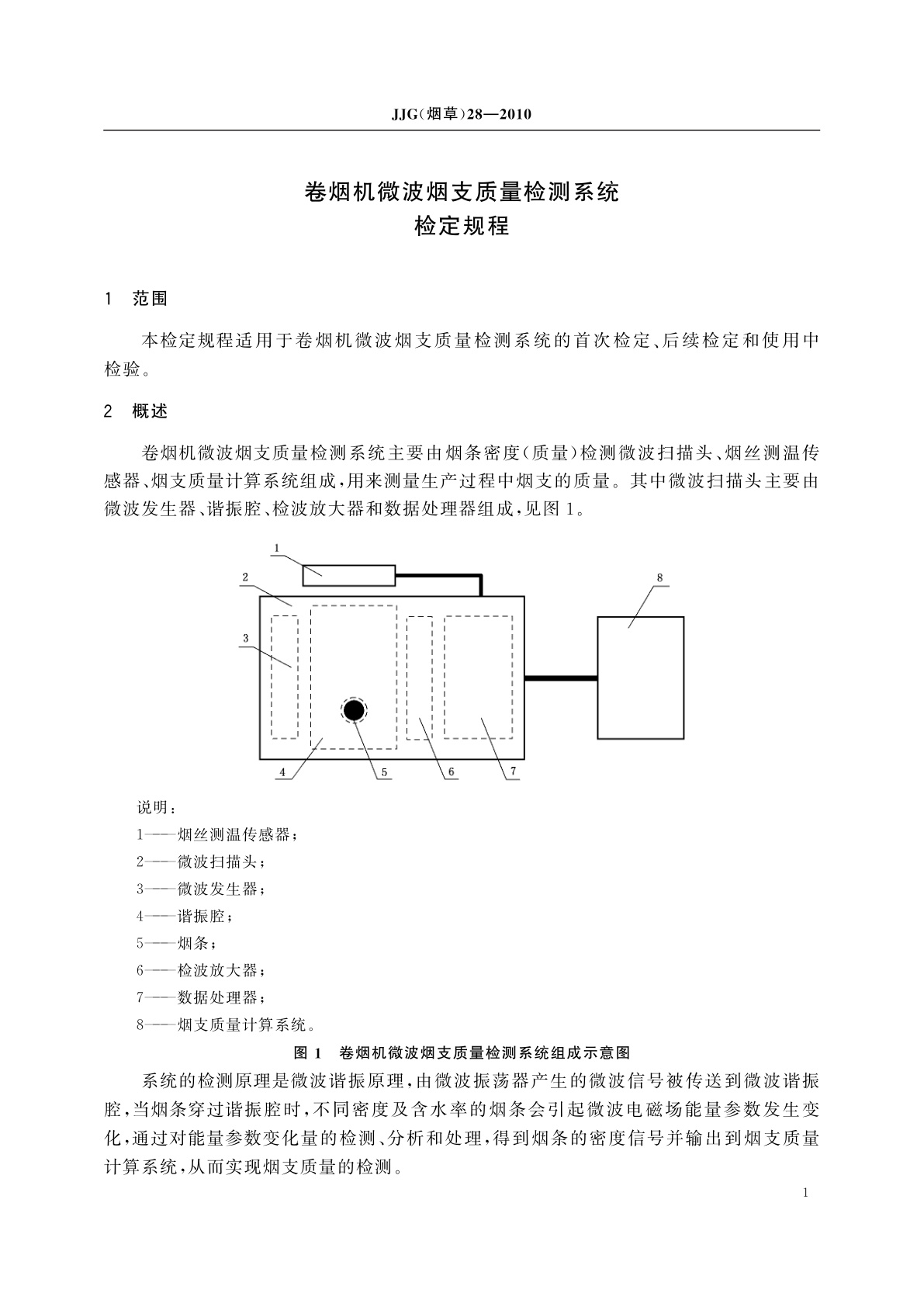
卷烟机微波烟支质量检测系统检定规程
国际标准分类号(ICS)
发布日期
2010-12-27
实施日期
2011-01-15
发布单位/组织
国家烟草专卖局
归口单位
国家烟草专卖局
适用范围
-
发布历史
-
2011-01
文前页预览
免费预览已结束,剩余部分可下载查看
研制信息
- 起草单位:
- 上海烟草(集团)公司、中国烟草标准化研究中心
- 起草人:
- 黄威、李中一、张勍
- 出版信息:
- 页数:12页 | 字数:15 千字 | 开本: 大16开
推荐标准
- GB/T 8683-1988 机织物 一般术语和基本组织的定义 1988-02-13
- GB/T 37433-2019 低功率燃油燃烧器通用技术要求 2019-05-10
- GB/T 14074-2006 木材胶粘剂及其树脂检验方法 2006-05-18
- YB/T 149-1998 非水系硅酸铝质耐火泥浆 1998-08-25
- GB/T 1592.1-2016 农业拖拉机 后置动力输出轴1、2、3和4型 第1部分:通用要求、安全要求、防护罩尺寸和空隙范围 2016-02-24
- WS/T 483.15-2016 健康档案共享文档规范 第15部分:重性精神疾病患者随访服务 2016-07-12
- GB/T 20295-2014 二进制逻辑元件和模拟元件符号的应用 2014-09-30
- YY/T 0864-2011 医用内窥镜 内窥镜功能供给装置 液体膨腔泵 2011-12-31
- GB/T 16981-2008 信息技术 办公设备 复印机规格表中应包含的基本内容 2008-07-02
- GB/T 5020-2002 以云母为基的绝缘材料 定义和一般要求 2002-05-20
相似标准推荐
更多>- 1 GB/T 7287.5-1987 红外辐射加热器耐冷热交变性能试验方法
- 2 GB/T 43316.4-2023 塑料 耐环境应力开裂(ESC)的测定 第4部分:球压或针压法
- 3 GB/T 5158.3-2011 金属粉末 还原法测定氧含量 第3部分:可被氢还原的氧
- 4 HY/T 168.1-2013 大生活用海水后处理设计规范 第1部分:活性污泥法
- 5 GB 10493-2018 铁路站内道口信号设备技术条件
- 6 GB/T 4026-2010 人机界面标志标识的基本和安全规则 设备端子和导体终端的标识
- 7 GB/T 16649.1-2006 识别卡 带触点的集成电路卡 第1部分:物理特性
- 8 GB/T 26930.13-2014 原铝生产用炭素材料 煤沥青 第13部分:喹啉不溶物中C/H原子比的测定
- 9 GB/T 4893.9-2013 家具表面漆膜理化性能试验 第9部分:抗冲击测定法
- 10 GB/T 30839.46-2015 工业电热装置能耗分等 第46部分:单晶炉

关闭预览
