JJG 964-2001 毛细管电泳仪
JJG 964-2001 Capillary Electrophoresis Instrument
中文简体
现行
页数:16页
|
格式:PDF
基本信息
标准号
JJG 964-2001
相关服务
仅限个人学习交流使用
标准类型
标准状态
现行
中国标准分类号(CCS)
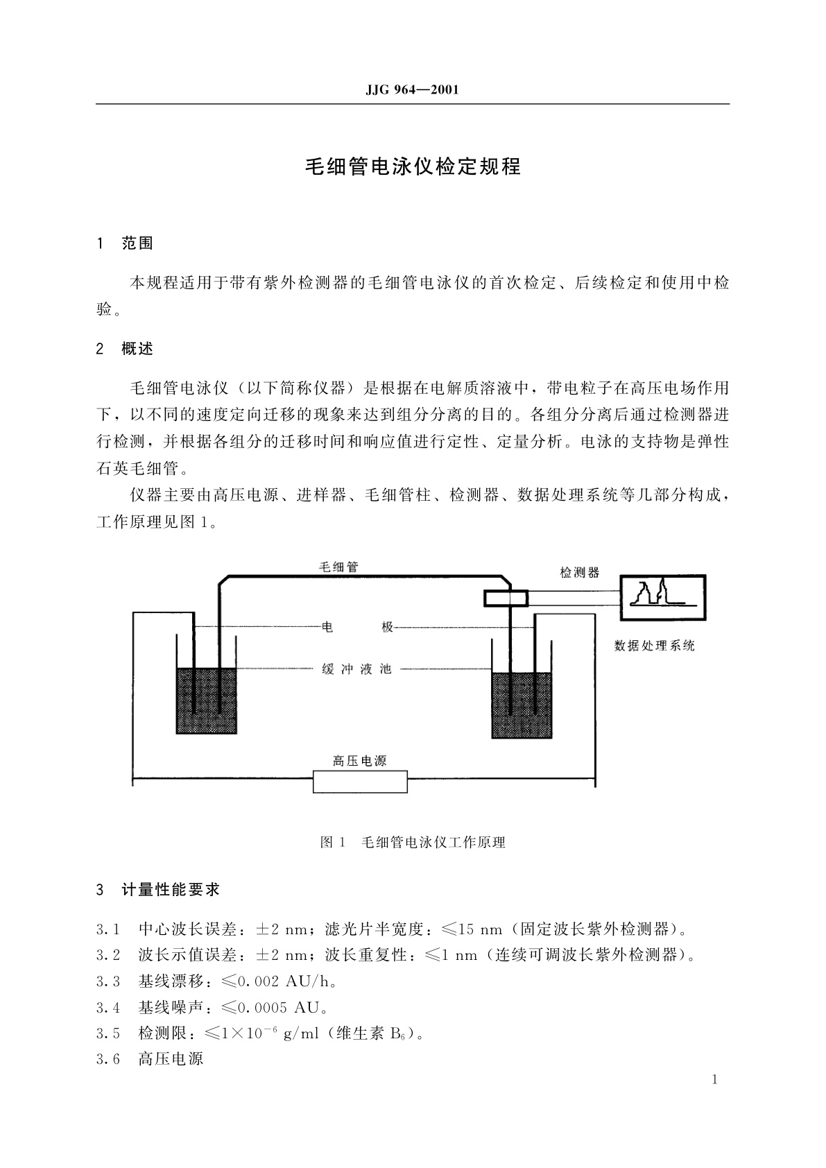
毛细管电泳仪
国际标准分类号(ICS)
发布日期
2001-07-06
实施日期
2001-10-01
发布单位/组织
国家质量监督检验检疫总局
归口单位
全国物理化学计量技术委员会
适用范围
-
发布历史
-
2001-10
文前页预览
免费预览已结束,剩余部分可下载查看
研制信息
- 起草单位:
- 河北省计量测试研究所
- 起草人:
- 刘增明、方静、郑吉鹏
- 出版信息:
- 页数:16页 | 字数:13 千字 | 开本: 大16开
推荐标准
- GB/T 20409-2006 高压锅炉用内螺纹无缝钢管 2006-08-16
- JJG 2043-2010 (60~250)kV X射线空气比释动能计量器具 2010-09-06
- GB/T 21683-2008 木工机床 万能磨刀机 术语 2008-04-22
- GB/T 17165.4-1997 模糊控制装置和系统 第4部分:洗衣机模糊控制基本性能检测要求 1997-12-17
- GB/T 18238.1-2000 信息技术 安全技术 散列函数 第1部分:概述 2000-10-17
- GB/T 43313-2023 碳化硅抛光片表面质量和微管密度的测试 共焦点微分干涉法 2023-11-27
- GB/T 44821.1-2024 平流层飞艇通用技术要求 第1部分:环境控制系统 2024-10-26
- GB/T 17948.4-2016 旋转电机 绝缘结构功能性评定成型绕组试验规程 电压耐久性评定 2016-02-24
- GB/T 20501.4-2018 公共信息导向系统 导向要素的设计原则与要求 第4部分:街区导向图 2018-03-15
- YS/T 340-2005 镍精矿 2005-05-18
相似标准推荐
更多>- 1 GB/T 17148-1997 模拟声音节目信号的常规测试信号 用于测量节目信道间的干扰
- 2 MT/T 1213-2024 矿用蓄电池齿轨卡轨车
- 3 GA/T 242-2018 法庭科学微量物证的理化检验术语
- 4 GB/T 18856.6-2008 水煤浆试验方法 第6部分:密度测定
- 5 GB/T 22069-2024 燃气发动机驱动空调(热泵)机组
- 6 JJF 2171-2024 小功率LED光强计校准规范
- 7 GB 9744-2015 载重汽车轮胎
- 8 GB/T 10117-1988 高纯锑
- 9 GB/T 20366-2006 动物源产品中喹诺酮类残留量的测定液相色谱-串联质谱法
- 10 GB/T 35559-2017 技术产权交易服务流程规范

关闭预览
