JJG 936-2012 示差扫描热量计
JJG 936-2012 Differential Scanning Calorimeters
中文简体
现行
页数:20页
|
格式:PDF
基本信息
标准号
JJG 936-2012
相关服务
仅限个人学习交流使用
标准类型
标准状态
现行
中国标准分类号(CCS)
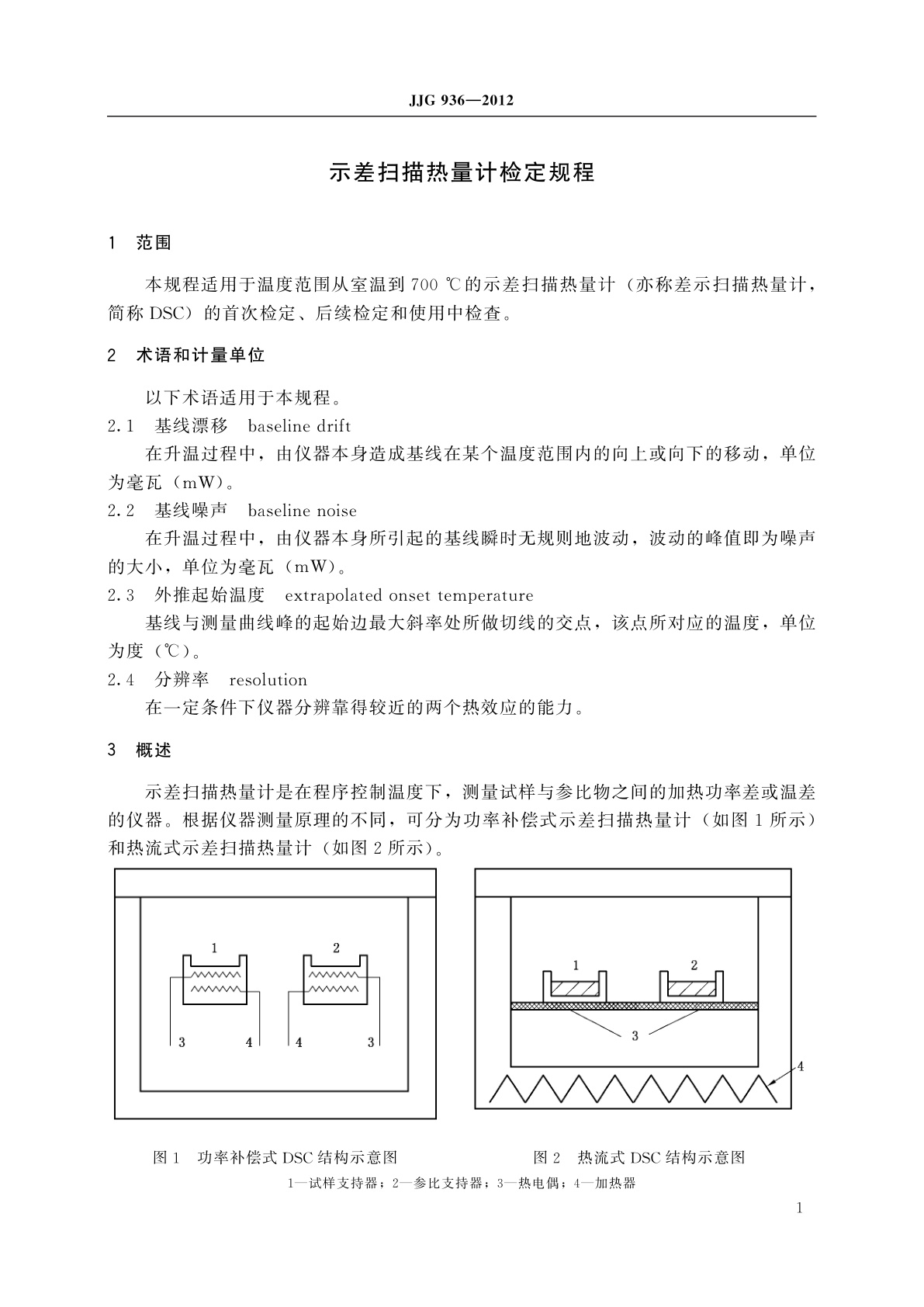
示差扫描热量计
国际标准分类号(ICS)
发布日期
2012-12-21
实施日期
2013-06-21
发布单位/组织
国家质量监督检验检疫总局
归口单位
全国物理化学计量技术委员会
适用范围
-
发布历史
-
1999-01
-
2013-06
文前页预览
免费预览已结束,剩余部分可下载查看
研制信息
- 起草单位:
- 中国计量科学研究院
- 起草人:
- 李佳、王海峰、孙国华
- 出版信息:
- 页数:20页 | 字数:22 千字 | 开本: 大16开
推荐标准
- GB/T 9731-2007 化学试剂 硫化合物测定通用方法 2007-10-25
- GB/T 16881-1997 水的混凝、絮凝杯罐试验方法 1997-06-24
- GB/T 16653-1996 综合业务数字网帧模式承载业务 数据链路层规范 1996-12-17
- GB/T 31904-2024 非织造粘合衬 2024-03-15
- GB/T 13897-1992 水质 硫氰酸盐的测定 异烟酸-吡唑啉酮分光光度法 1992-12-02
- GB/T 27776-2011 病媒生物综合管理技术规范 食品生产加工企业 2011-12-30
- GB/T 33679-2017 人工影响天气用燃烧剂和致冷剂的存储技术条件 2017-05-12
- GB/T 23278.2-2009 锡酸钠化学分析方法 第2部分:铁量的测定 1,10-二氮杂菲分光光度法 2009-01-05
- GA/T 2000.155-2016 公安信息代码 第155部分:案事件相关人员类别代码 2016-12-15
- GB/T 37052-2018 光伏建筑一体化(BIPV)组件电池额定工作温度测试方法 2018-12-28
相似标准推荐
更多>- 1 YS/T 413-1999 硬质合金螺旋刀片
- 2 GB/T 23784-2009 食品微生物指标制定和应用的原则
- 3 SB/T 10438.4-2008 摄影业服务规范 第4部分:摄影器材销售服务规范
- 4 GB/T 6276.9-2010 工业用碳酸氢铵的测定方法 第9部分:重金属含量 目视比浊法
- 5 FZ/T 34012-2016 亚麻(或大麻)粘胶纤维混纺印染布
- 6 GB/T 39377-2020 智能家用电器的智能化技术 葡萄酒储藏柜的特殊要求
- 7 GB/T 1819.12-2004 锡精矿化学分析方法 二氧化硅量的测定 硅钼蓝分光光度法
- 8 YY 0231-1995 药用玻璃拉管线
- 9 GB/T 22936-2008 花卉用酚醛泡沫塑料
- 10 GB/T 22505-2008 粮油检验 感官检验环境照明

关闭预览
