JJG 684-2003 表面铂热电阻
JJG 684-2003 Surface Platinum Resistance Thermometer
中文简体
被代替
页数:16页
|
格式:PDF
基本信息
标准号
JJG 684-2003
相关服务
仅限个人学习交流使用
标准类型
标准状态
被代替
中国标准分类号(CCS)
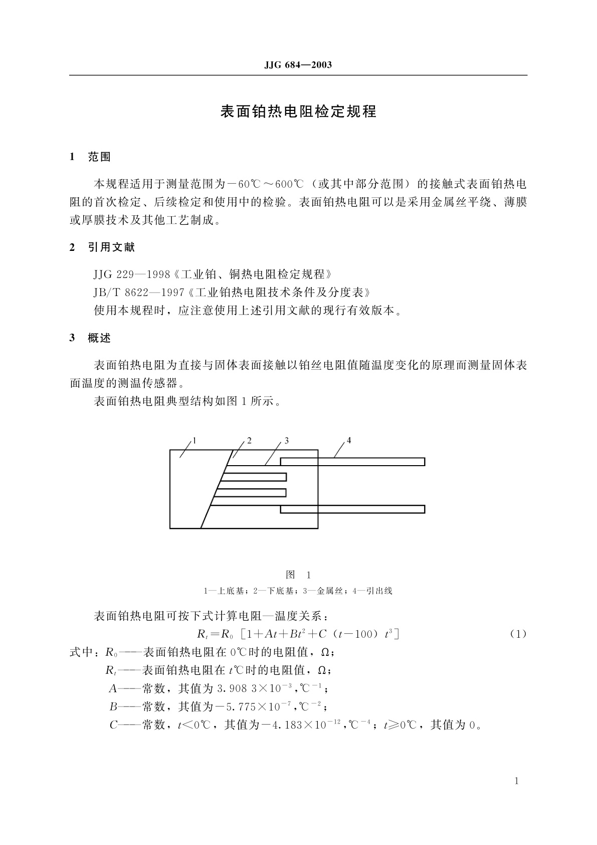
表面铂热电阻
国际标准分类号(ICS)
发布日期
2003-05-12
实施日期
2003-11-12
发布单位/组织
国家质量监督检验检疫总局
归口单位
全国温度计量技术委员会
适用范围
-
发布历史
-
2003-11
文前页预览
免费预览已结束,剩余部分可下载查看
研制信息
- 起草单位:
- 中国航空工业第一集团公司第三○四研究所
- 起草人:
- 吴方、贺宗琴
- 出版信息:
- 页数:16页 | 字数:14 千字 | 开本: 大16开
推荐标准
- GB/T 18989-2013 放射性核素成像设备 性能和试验规则 伽玛照相机 2013-12-17
- GB/T 23473-2009 林业植物及其产品调运检疫规程 2009-04-01
- GB/T 15781-1995 森林抚育规程 1995-12-08
- WH/T 81-2019 美术馆藏品二维影像数据采集规范 2019-01-02
- GB/T 34370.6-2017 游乐设施无损检测 第6部分:射线检测 2017-09-29
- GB/T 15826.4-1995 锤上钢质自由锻件机械加工余量与公差 圆环类 1995-12-13
- JJG 82-2010 公法线千分尺 2010-03-02
- GB/Z 41293-2022 基于广域网通信的感知测控类设备快速自服务部署技术要求 2022-03-09
- JJG 962-2010 X、γ辐射个人剂量当量率报警仪 2010-09-06
- GB/T 26911-2011 植物新品种特异性、一致性、稳定性测试指南 山茶属 2011-09-29
相似标准推荐
更多>- 1 GB/T 5009.3-2003 食品中水分的测定
- 2 SB/T 10722-2012 生产资料流通术语
- 3 GB 4706.60-2008 家用和类似用途电器的安全 衣物干燥机和毛巾架的特殊要求
- 4 GB/T 36147.2-2018 供应链安全管理系统 电子口岸通关(EPC) 第2部分:核心数据元
- 5 GB/T 2099.1-2021 家用和类似用途插头插座 第1部分:通用要求
- 6 GB/T 14088-1993 船用卤代烷灭火系统技术条件
- 7 GB/T 37572-2019 热交换器用铜及铜合金带材
- 8 GB/T 15558.4-2023 燃气用埋地聚乙烯(PE)管道系统 第4部分:阀门
- 9 GB/T 19353-2003 搪玻璃釉 密闭系统中的腐蚀试验
- 10 YS/T 53.1-2010 铜、铅、锌原矿和尾矿化学分析方法 第1部分:金量的测定 火试金富集-火焰原子吸收光谱法

关闭预览
