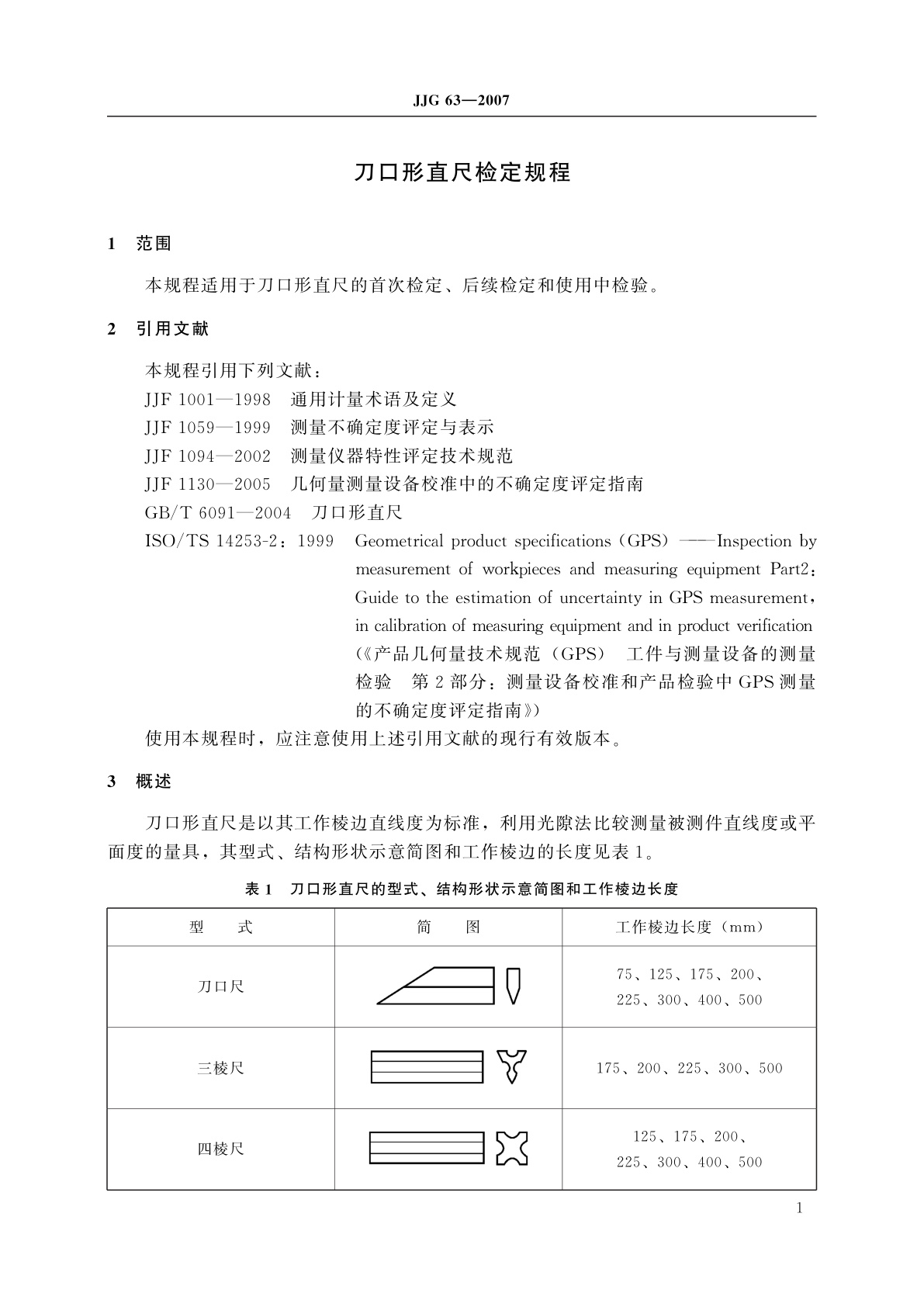
JJG 63-2007 刀口形直尺
JJG 63-2007 Straight Edge
中文简体
现行
页数:20页
|
格式:PDF
基本信息
标准号
JJG 63-2007
相关服务
仅限个人学习交流使用
标准类型
标准状态
现行
中国标准分类号(CCS)
刀口形直尺
国际标准分类号(ICS)
发布日期
2007-02-28
实施日期
2007-08-28
发布单位/组织
国家质量监督检验检疫总局
归口单位
全国几何量工程参量计量技术委员会
适用范围
-
发布历史
-
2007-08
文前页预览
免费预览已结束,剩余部分可下载查看
研制信息
- 起草单位:
- 北京市计量检测科学研究院
- 起草人:
- 马桂茹、吴迅
- 出版信息:
- 页数:20页 | 字数:19 千字 | 开本: 大16开
推荐标准
- GB/T 22989-2008 牛奶和奶粉中头孢匹林、头孢氨苄、头孢洛宁、头孢喹肟残留量的测定 液相色谱-串联质谱法 2008-12-31
- GB/T 43323-2023 涂附磨具 通用安全要求 2023-11-27
- GB/T 7962.14-1987 无色光学玻璃测试方法 耐酸稳定性测试方法 1987-05-25
- JJF 1467-2014 数字音频源校准规范 2014-06-15
- GB/T 36181-2018 萧山鸡 2018-05-14
- GB/T 9314-1995 串行击打式点阵打印机通用技术条件 1995-06-21
- GB/T 12008.1-2009 塑料 聚醚多元醇 第1部分:命名系统 2009-06-15
- GA 61-2010 固定灭火系统驱动、控制装置通用技术条件 2010-05-31
- GB/T 25310-2010 固定式点、凸焊机 2010-11-10
- GB/T 36794-2018 胶粘带剪切破坏温度的测定 2018-09-17
相似标准推荐
更多>- 1 GB/T 8220.5-1998 铋化学分析方法 固液萃取分离 火焰原子吸收光谱法测定锌量
- 2 GB/T 3836.5-2017 爆炸性环境 第5部分:由正压外壳“p”保护的设备
- 3 GB/T 23335-2025 天然气汽车定型试验规程
- 4 FZ/T 32009-2006 亚麻粘胶混纺本色纱
- 5 GB/T 42738-2023 国际贸易业务流程规范 废弃物越境转移
- 6 GB/T 16478.5-1996 硝酸钍化学分析方法 氯量的测定
- 7 GB/T 9125-2003 管法兰连接用紧固件
- 8 GB/T 16850.3-2021 光放大器试验方法 第3部分:单波道光放大器噪声参数
- 9 LS/T 8007-2010 粮食工程建设标准体系
- 10 GB/Z 26248.1-2010 信息技术 文档描述和处理语言 用于XML的规则语言描述(RELAX) 第1部分:RELAX核心

关闭预览
