JJG 484-2007 直流测温电桥
JJG 484-2007 D.C.Bridges for Measuring Temperature
中文简体
现行
页数:28页
|
格式:PDF
基本信息
标准号
JJG 484-2007
相关服务
仅限个人学习交流使用
标准类型
标准状态
现行
中国标准分类号(CCS)
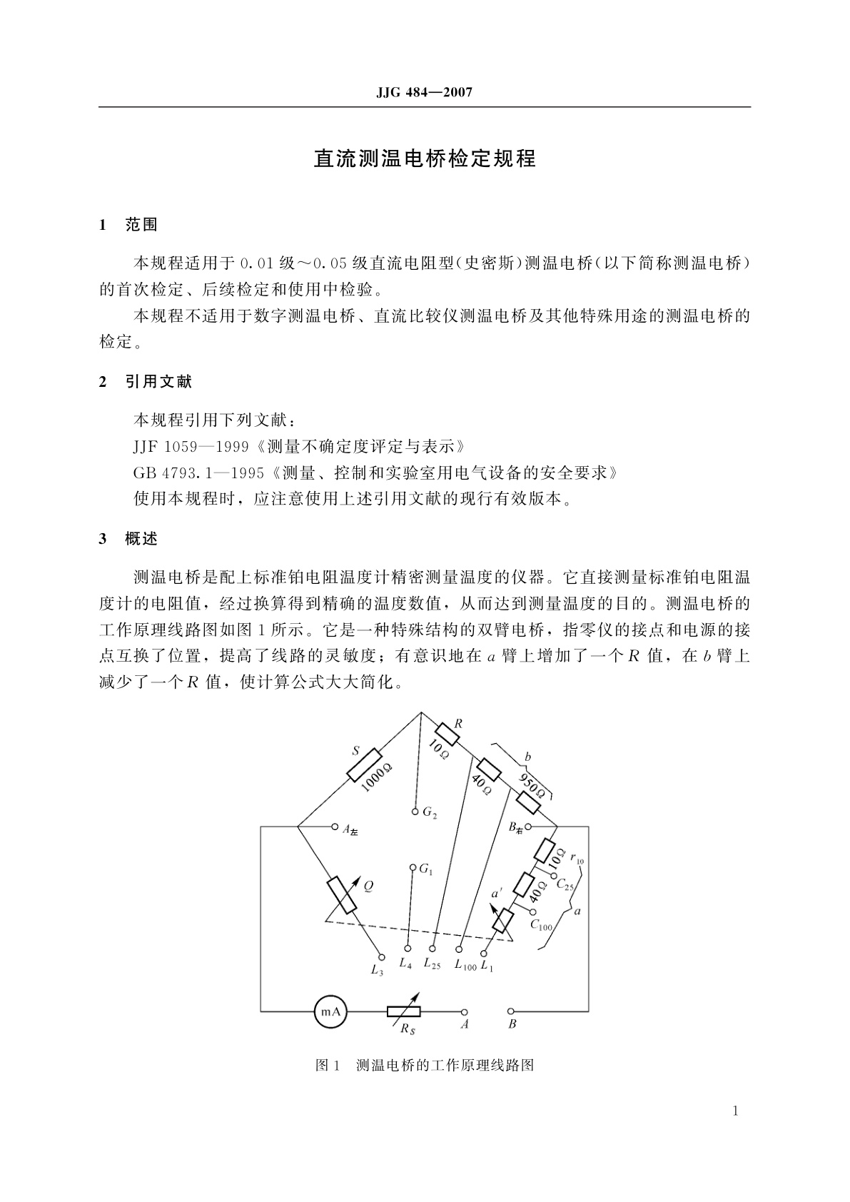
直流测温电桥
国际标准分类号(ICS)
发布日期
2007-08-02
实施日期
2008-02-02
发布单位/组织
国家质量监督检验检疫总局
归口单位
全国电磁计量技术委员会
适用范围
-
发布历史
-
2008-02
文前页预览
免费预览已结束,剩余部分可下载查看
研制信息
- 起草单位:
- 河南省计量科学研究院
- 起草人:
- 刘文芳、陈传岭
- 出版信息:
- 页数:28页 | 字数:30 千字 | 开本: 大16开
推荐标准
- GB/T 26766-2019 城市公共汽电车车载智能终端 2019-05-10
- GB/T 21994.7-2008 氟化镁化学分析方法 第7部分:三氧化二铁含量的测定 邻二氮杂菲分光光度法 2008-06-09
- GB/T 17980.68-2004 农药 田间药效试验准则(二)第68部分:杀虫剂防治农田害鼠 2004-03-03
- GB/T 19104-2008 过氧乙酸溶液 2008-04-01
- BB/T 0018-2000 包装容器 葡萄酒瓶 2000-02-22
- GB/T 1303.4-2009 电气用热固性树脂工业硬质层压板 第4部分:环氧树脂硬质层压板 2009-06-10
- SC/T 8096-1994 渔船电气设备调试 1994-11-01
- GB/T 411-1993 棉印染布 1993-12-25
- GB/T 14842-2007 铌及铌合金棒材 2007-11-23
- GB/T 22891-2008 皮革 物理和机械试验 重革防水性能的测定 2008-12-30
相似标准推荐
更多>- 1 GB/T 32788.1-2016 预浸料性能试验方法 第1部分:凝胶时间的测定
- 2 GB/T 31445-2015 雾天高速公路交通安全控制条件
- 3 GB/T 7636-1987 农村家用沼气管路设计规范
- 4 GB/T 9966.6-2001 天然饰面石材试验方法 第6部分:耐酸性试验方法
- 5 GB 13102-2010 食品安全国家标准 炼乳
- 6 LY/T 1689-2007 暖温带森林生态系统定位观测指标体系
- 7 GB/T 8655-2006 苯乙烯-丁二烯橡胶(SBR) 1500
- 8 GB/T 22915-2008 口蹄疫病毒荧光RT-PCR检测方法
- 9 GB/T 18570.2-2009 涂覆涂料前钢材表面处理 表面清洁度的评定试验 第2部分:清理过的表面上氯化物的实验室测定
- 10 JJG 551-2021 二氧化硫气体检测仪

关闭预览
