JJG 22-2014 内径千分尺
JJG 22-2014 Internal Micrometers
中文简体
现行
页数:24页
|
格式:PDF
基本信息
标准号
JJG 22-2014
相关服务
仅限个人学习交流使用
标准类型
标准状态
现行
中国标准分类号(CCS)
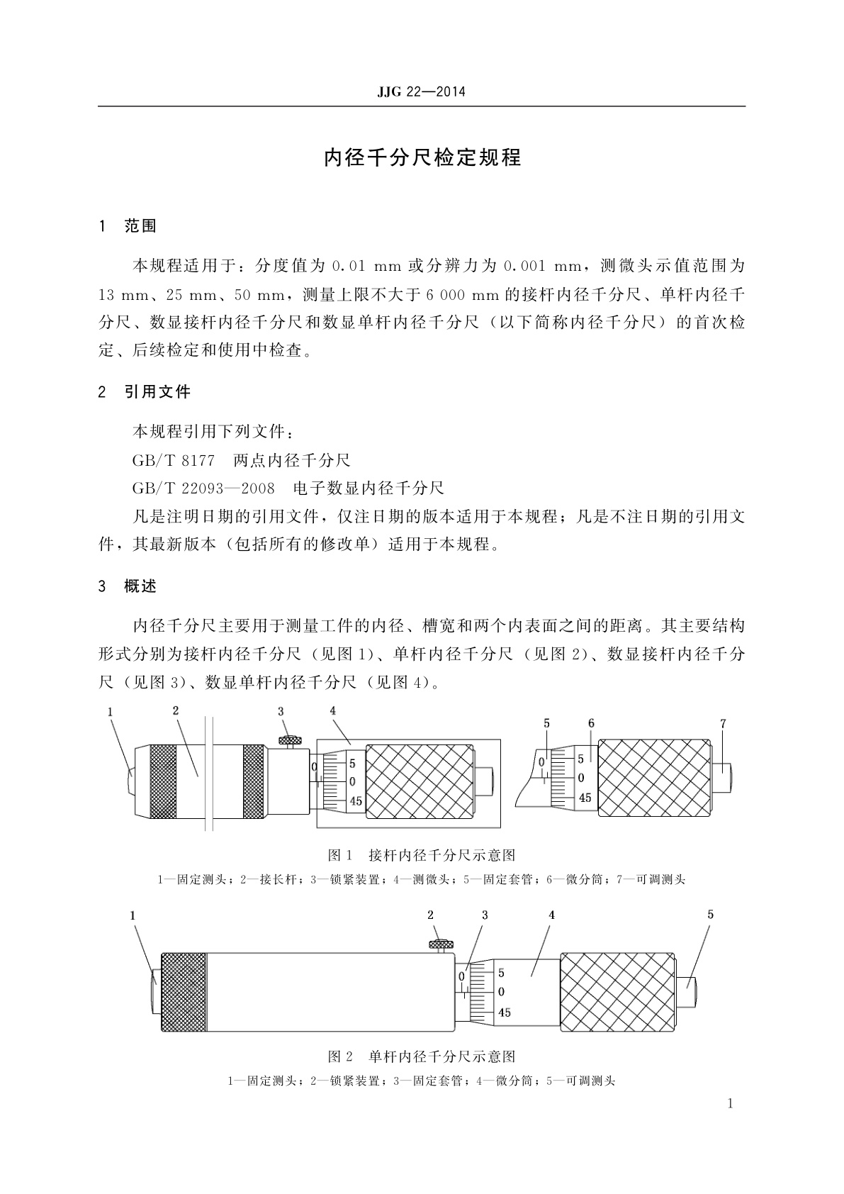
内径千分尺
国际标准分类号(ICS)
发布日期
2014-11-17
实施日期
2015-05-17
发布单位/组织
国家质量监督检验检疫总局
归口单位
全国几何量工程参量计量技术委员会
适用范围
-
发布历史
-
2003-09
-
2015-05
文前页预览
免费预览已结束,剩余部分可下载查看
研制信息
- 起草单位:
- 黑龙江省计量检定测试院、哈尔滨量具刃具集团有限责任公司、牡丹江市质量技术监督检测中心
- 起草人:
- 韩正阳、张海波、董玉文、于文龙
- 出版信息:
- 页数:24页 | 字数:34 千字 | 开本: 大16开
推荐标准
- GB/T 19459-2004 危险货物及危险货物包装检验标准基本规定 2004-03-04
- JJF(纺织)098-2021 振弦式纤维细度仪校准规范 2021-12-02
- GB/T 11618.2-2008 铜管接头 第2部分:卡压式管件 2008-12-31
- GB 3565-2005 自行车安全要求 2005-05-17
- GB/T 7676.3-1998 直接作用模拟指示电测量仪表及其附件 第3部分:功率表和无功功率表的特殊要求 1998-07-28
- GB/T 38018-2019 鞋类 鞋底试验方法 抗疲劳性能 2019-08-30
- GB/T 14191.3-2023 假肢学和矫形器学 术语 第3部分:矫形器术语 2023-05-23
- GB/T 4447-2008 海船用起锚机和起锚绞盘 2008-03-03
- GB/T 15501-1995 空气质量 硝基苯类(一硝基和二硝基化合物)的测定 锌还原-盐酸萘乙二胺分光光度法 1995-03-15
- GB/T 5195.17-2018 萤石 浮选剂含量的测定 重量法 2018-09-17
相似标准推荐
更多>- 1 GB/T 17902.1-2023 信息技术 安全技术 带附录的数字签名 第1部分:概述
- 2 GB/T 25122.1-2018 轨道交通 机车车辆用电力变流器 第1部分:特性和试验方法
- 3 SC/T 4012-1995 双船底拖网渔具装配方法
- 4 GB/T 10236-2006 半导体变流器与供电系统的兼容及干扰防护导则
- 5 YY/T 0587-2018 一次性使用无菌牙科注射针
- 6 GB/T 19851.5-2005 中小学体育器材和场地 第5部分:排球
- 7 GB/T 38608-2020 油墨中可挥发性有机化合物(VOCs)含量的测定方法
- 8 GB/T 37408-2019 光伏发电并网逆变器技术要求
- 9 GB/T 8290-2008 浓缩天然胶乳 取样
- 10 GB/T 11066.3-2008 金化学分析方法 铁量的测定 火焰原子吸收光谱法

关闭预览
