JJG 1045-2008 泥浆密度计
JJG 1045-2008 Mud Density Meter
中文简体
被代替
页数:20页
|
格式:PDF
基本信息
标准号
JJG 1045-2008
相关服务
仅限个人学习交流使用
标准类型
标准状态
被代替
中国标准分类号(CCS)
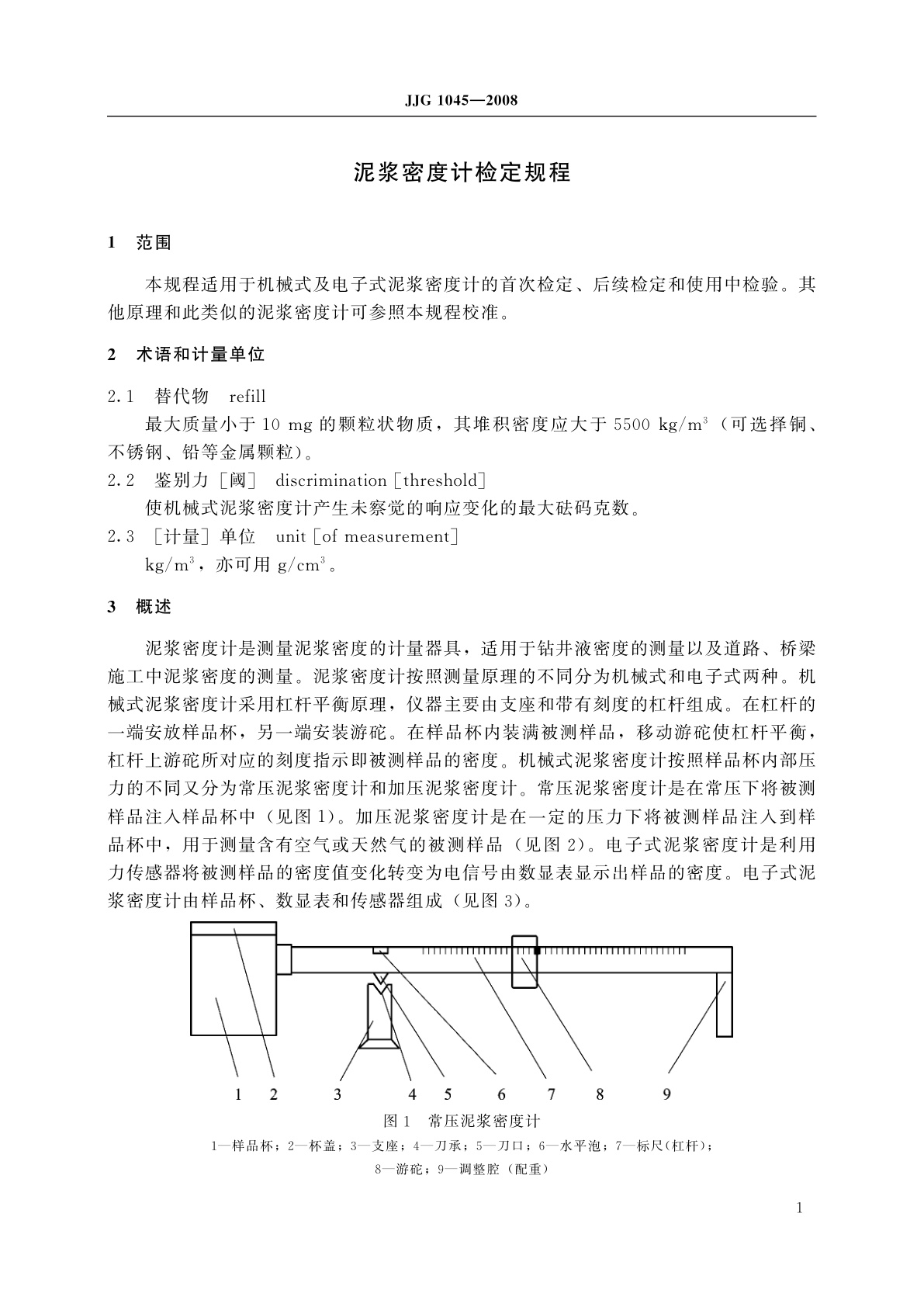
泥浆密度计
国际标准分类号(ICS)
发布日期
2008-12-22
实施日期
2009-03-22
发布单位/组织
国家质量监督检验检疫总局
归口单位
全国质量密度计量技术委员会
适用范围
-
发布历史
-
2009-03
文前页预览
免费预览已结束,剩余部分可下载查看
研制信息
- 起草单位:
- 黑龙江省计量检定测试院
- 起草人:
- 徐秀华
- 出版信息:
- 页数:20页 | 字数:16 千字 | 开本: 大16开
推荐标准
- LB/T 015-2011 绿色旅游景区 2011-02-01
- GB/T 6075.2-2002 在非旋转部件上测量和评价机器的机械振动 第2部分:50MW以上陆地安装的大型汽轮发电机组 2002-05-20
- GB/T 15937-1995 VHF/UHF频段广播业务与移动和固定业务频率共用技术规定 1995-12-21
- GB/T 41236-2022 能源互联网与分布式电源互动规范 2022-03-09
- GB/T 12727-2002 核电厂安全系统电气设备质量鉴定 2002-08-05
- GB/T 3259-1992 中文书刊名称汉语拼音拼写法 1992-02-01
- GB/T 46499-2025 家用电器 生产过程质量状态监测 系统架构 2025-10-05
- FZ/T 01046-1996 兔毛产品掉毛量的测定 1996-12-27
- GB/T 41108.3-2021 机械安全 联锁装置的安全要求 第3部分:截留钥匙联锁装置及系统 2021-12-31
- GB/T 23325-2009 纺织品 表面活性剂的测定 线性烷基苯磺酸盐 2009-03-19
相似标准推荐
更多>- 1 YS/T 1058-2015 镍、钴、锰三元素复合氧化物化学分析方法 硫量的测定 高频感应炉燃烧红外吸收法
- 2 GB/T 12357.2-2004 通信用多模光纤 第2部分:A2类多模光纤特性
- 3 GB/T 18908.1-2002 工业用时间继电器 第1部分:要求和试验
- 4 GB 44246-2024 家用和类似用途电器、体育用品的电气部分及电玩具 安全技术规范
- 5 GB/T 8960-2008 涤纶牵伸丝
- 6 GB/T 16895.17-2002 建筑物电气装置 第5部分:电气设备的选择和安装 第548节:信息技术装置的接地配置和等电位联结
- 7 GB/T 41478-2022 生产过程质量控制 系统模型与架构 装配与铸造
- 8 GB/T 41804-2022 信息技术 生物特征识别系统性能环境影响的评价方法
- 9 GB/T 14559-1993 变化量的符号和单位
- 10 GB/T 5023.3-2008 额定电压450/750 V及以下聚氯乙烯绝缘电缆 第3部分:固定布线用无护套电缆

关闭预览
