JJF(纺织)083-2018 织物沾水度仪校准规范
JJF(纺织)083-2018 Calibration Specification for Fabrics Water Spray Testers
中文简体
现行
页数:28页
|
格式:PDF
基本信息
标准号
JJF(纺织)083-2018
相关服务
仅限个人学习交流使用
标准类型
标准状态
现行
中国标准分类号(CCS)
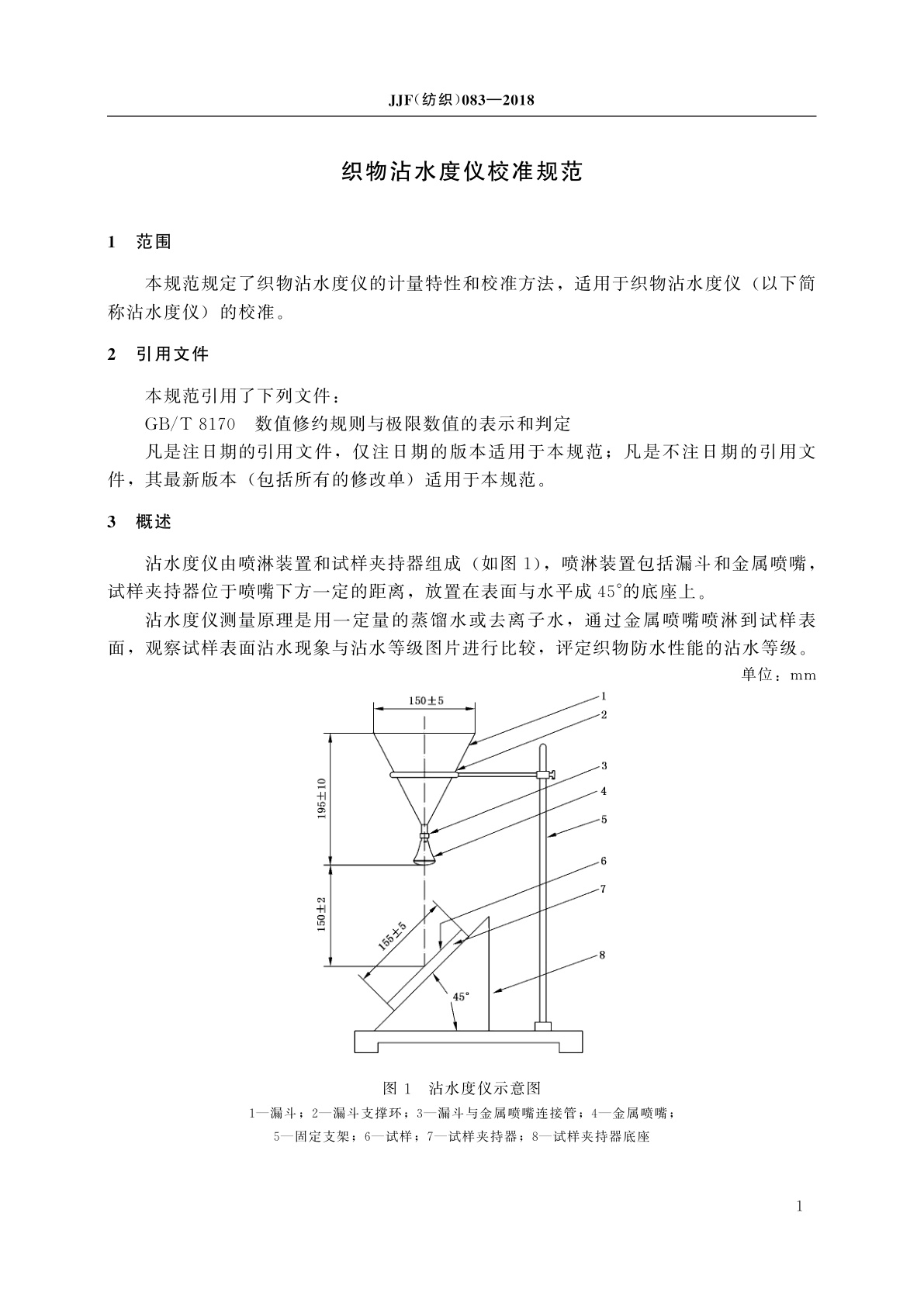
织物沾水度仪校准规范
国际标准分类号(ICS)
发布日期
2018-10-22
实施日期
2018-12-01
发布单位/组织
中华人民共和国工业和信息化部
归口单位
中国纺织工业联合会
适用范围
-
发布历史
-
2018-12
文前页预览
免费预览已结束,剩余部分可下载查看
研制信息
- 起草单位:
- 广州纤维产品检测研究院、福建省纤维检验局、常熟市计量测试所、江西省羽绒制品质量监督检验中心
- 起草人:
- 黎仲明、邓力生、吴军、郑冬明、丘文彬、刘远斌
- 出版信息:
- 页数:28页 | 字数:44 千字 | 开本: 大16开
推荐标准
- GB/T 45159.1-2024 机械振动与冲击 黏弹性材料动态力学性能的表征 第1部分:原理和指南 2024-12-31
- GB/T 45663-2025 麻醉和呼吸设备 麻醉期间用于贴示在含药的注射器上的标签 颜色、图案和特性 2025-05-30
- GB/T 17190-1997 电子设备用压电陶瓷滤波器 电子元器件质量评定体系规范 第1部分:总规范 鉴定批准 1997-12-26
- GB/T 4570-2022 摩托车和轻便摩托车耐久性试验方法 2022-12-30
- GB/T 15472-1995 失真度测量仪通用技术条件和测试方法 1995-01-27
- GB/T 25729-2010 粮油机械 撞击松粉机 2010-12-23
- GB/T 43407.2-2023 道路车辆 低地板专线行驶客车驾驶区人体工程学要求 第2部分:视野 2023-12-28
- GB/T 24837-2018 1 100 kV高压交流隔离开关和接地开关 2018-09-17
- YY/T 1456-2016 铁蛋白定量检测试剂(盒) 2016-01-26
- GB/T 13527.1-1992 软聚氯乙烯管 (流体输送用) 1992-06-12
相似标准推荐
更多>- 1 GB/T 3009-1982 船用防蚀螺塞
- 2 GB/T 18802.311-2017 低压电涌保护器元件 第311部分:气体放电管(GDT)的性能要求和测试回路
- 3 GB/T 17179.3-2000 信息技术 提供无连接方式网络服务的协议 第3部分:由X.25子网提供低层服务
- 4 GB/T 17726-1999 小艇 电气装置 防止点燃周围可燃性气体的保护
- 5 SC/T 4002-1995 渔具制图
- 6 YY 0465-2019 一次性使用空心纤维血浆分离器和血浆成分分离器
- 7 GB/T 4148-2003 混合氯化稀土
- 8 GB 31604.33-2016 食品安全国家标准 食品接触材料及制品 镍迁移量的测定
- 9 GB/T 778.3-1996 冷水水表 第3部分:试验方法和试验设备
- 10 GB/T 21202-2007 数字式多功能黑白静电复印(打印)设备

关闭预览
