JJF 2095-2024 压力数据采集仪校准规范
JJF 2095-2024 Calibration Specification for Pressure Acquisition Instruments
中文简体
现行
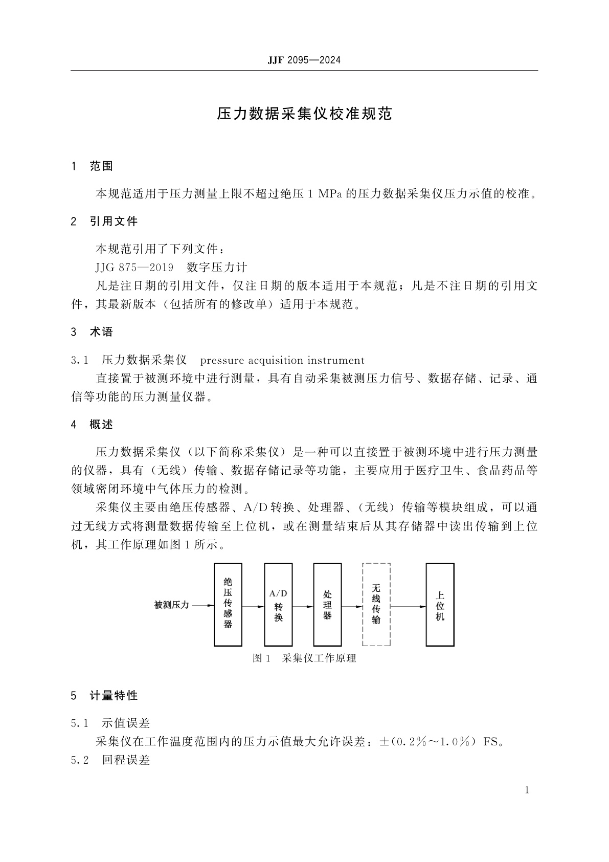
页数:16页
|
格式:PDF
基本信息
标准号
JJF 2095-2024
相关服务
仅限个人学习交流使用
标准类型
标准状态
现行
中国标准分类号(CCS)
压力数据采集仪校准规范
国际标准分类号(ICS)
发布日期
2024-02-07
实施日期
2024-08-07
发布单位/组织
国家市场监督管理总局
归口单位
全国压力计量技术委员会
适用范围
-
发布历史
-
2024-08
文前页预览
免费预览已结束,剩余部分可下载查看
研制信息
- 起草单位:
- 湖南省计量检测研究院
- 起草人:
- 周四清、曾麟、吴双双
- 出版信息:
- 页数:16页 | 字数:20 千字 | 开本: 大16开
推荐标准
- GB/T 23443-2009 建筑装饰用铝单板 2009-03-28
- YC/T 252-2008 烟用料液 葡萄糖、果糖、蔗糖的测定 离子色谱法 2008-04-14
- YY/T 0698.5-2023 最终灭菌医疗器械包装材料 第5部分:透气材料与塑料膜组成的可密封组合袋和卷材 要求和试验方法 2023-09-05
- JJF 1320-2011 仪器化夏比摆锤冲击试验机校准规范 2011-11-14
- GB/T 17037.4-2003 塑料 热塑性塑料材料注塑试样的制备 第4部分:模塑收缩率的测定 2003-02-10
- YY/T 0805.2-2014 牙科学 金刚石旋转器械 第2部分:切盘 2014-06-17
- YB 4035-1991 高炉用氮化硅结合碳化硅砖 1991-05-04
- GB/T 12916-1991 船用金属螺旋桨技术条件 1991-05-22
- GB/T 16718-1996 包装材料 重型瓦楞纸板 1996-10-03
- GB/T 20970-2015 石油天然气工业井下 工具 封隔器和桥塞 2015-12-31
相似标准推荐
更多>- 1 GB/T 14207-1993 夹层结构或芯子吸水性试验方法
- 2 GB/T 38902-2020 中空纤维膜丝截面结构尺寸的测定 图像分析法
- 3 GB/T 9142-2000 混凝土搅拌机
- 4 GB/T 3789.23-1991 发射管电性能测试方法 第三栅极控制能力的测试方法
- 5 CJ/T 3024.2-1995 城市公共交通客运服务 城市公共汽车、无轨电车
- 6 GB/T 32834-2016 干挂饰面石材
- 7 GB/T 9361-2011 计算机场地安全要求
- 8 GB/T 16895.16-2002 建筑物电气装置 第4部分:安全防护 第44章:过电压保护 第444节:建筑物电气装置电磁干扰(EMI)防护
- 9 GB 1886.293-2016 食品安全国家标准 食品添加剂 5-羟乙基-4-甲基噻唑
- 10 JG/T 202-2007 工程管道用聚氨酯、蛭石绝热材料支吊架

关闭预览
