JJF 1902-2021 时间间隔发生器校准规范
JJF 1902-2021 Calibration Specification for Time Interval Generators
中文简体
现行
页数:36页
|
格式:PDF
基本信息
标准号
JJF 1902-2021
相关服务
仅限个人学习交流使用
标准类型
标准状态
现行
中国标准分类号(CCS)
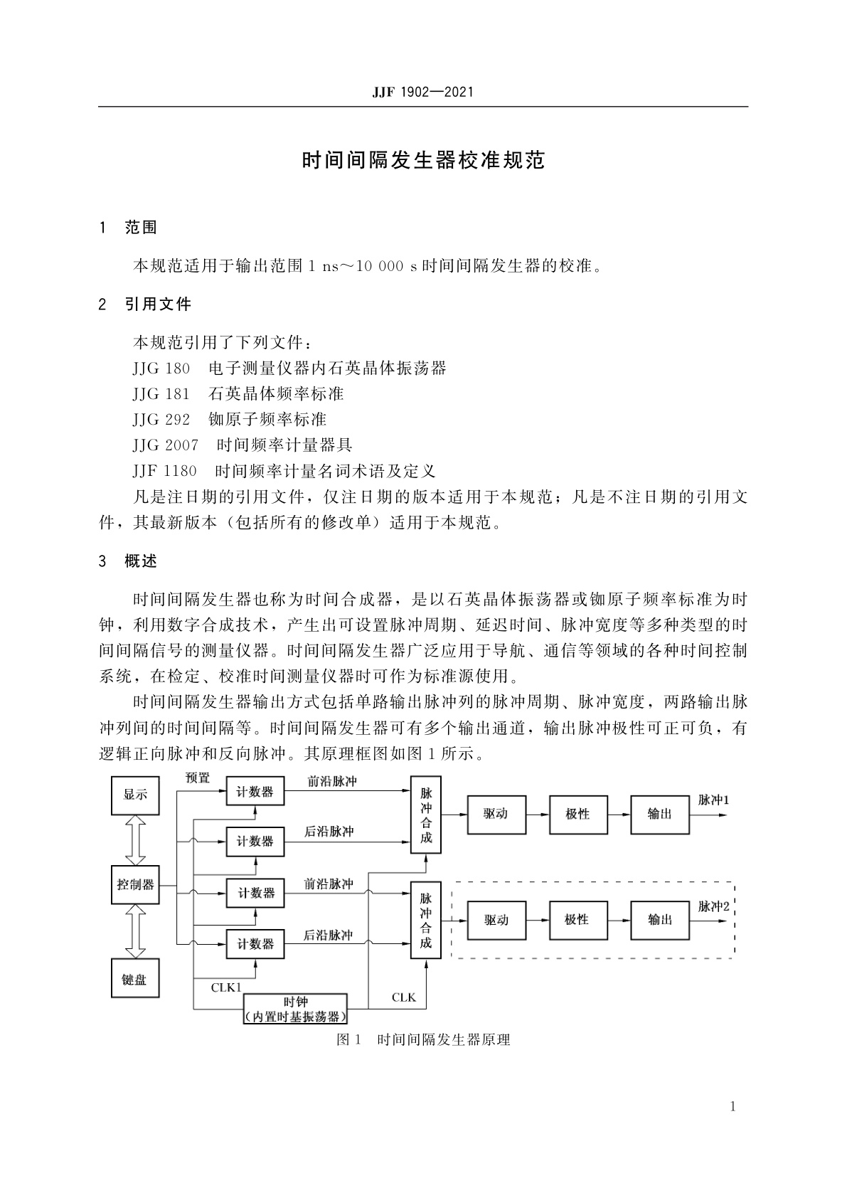
时间间隔发生器校准规范
国际标准分类号(ICS)
发布日期
2021-02-23
实施日期
2021-08-23
发布单位/组织
国家市场监督管理总局
归口单位
全国时间频率计量技术委员会
适用范围
-
发布历史
-
2008-09
-
2021-08
文前页预览
免费预览已结束,剩余部分可下载查看
研制信息
- 起草单位:
- 河北省计量监督检测研究院、河北省计量检测技术中心
- 起草人:
- 白力军、王茜、阎海锋
- 出版信息:
- 页数:36页 | 字数:45 千字 | 开本: 大16开
推荐标准
- JJG 903-1995 激光标准衰减器 1995-10-19
- YS/T 78-1994 铅土矿石 1994-04-07
- GB/T 43320-2023 焊缝无损检测 超声检测 薄壁钢构件自动相控阵技术的应用 2023-11-27
- GB/T 16596-2019 确定晶片坐标系规范 2019-03-25
- GB 4789.23-2024 食品安全国家标准 食品微生物学检验 豆制品采样和检样处理 2024-02-08
- GB 1903.67-2024 食品安全国家标准 食品营养强化剂 植物甲萘醌(维生素K1) 2024-02-08
- GB/T 43530-2023 龙虾眼型聚焦光学元件性能测试方法 2023-12-28
- GB/T 16710.3-1996 工程机械 定置试验条件下司机位置处噪声的测定 1996-12-23
- FZ/T 43057-2021 聚乳酸丝织物 2021-04-19
- GB/T 13629-2008 核电厂安全系统中数字计算机的适用准则 2008-07-02
相似标准推荐
更多>- 1 GB/T 28029.4-2020 轨道交通电子设备 列车通信网络(TCN) 第2-3部分:TCN通信规约
- 2 DZ/T 0251-2012 地质勘查单位质量管理规范
- 3 GB/T 32800.8-2023 手持式非电类动力工具 安全要求 第8部分:磨光机和抛光机
- 4 YB/T 5083-1997 粘土质和高铝质致密耐火浇注料
- 5 GB/T 18277-2025 收费公路收费制式和收费方式
- 6 DZ/T 0078-1993 固体矿产勘查原始地质编录规定
- 7 GB/T 19247.6-2024 印制板组装 第6部分:球栅阵列(BGA)和盘栅阵列(LGA)焊点空洞的评估要求及测试方法
- 8 GB/T 19215.3-2012 电气安装用电缆槽管系统 第2部分:特殊要求 第2节:安装在地板下和与地板齐平的电缆槽管系统
- 9 LY/T 1157-2008 檩材
- 10 CB 1249-1994 鱼雷用ZAlSi7Mg高强度铸造铝合金

关闭预览
