JJF 1171-2007 温度巡回检测仪校准规范
JJF 1171-2007 Calibration Specification for Temperature Itinerant Detecting Instrument
中文简体
被代替
页数:16页
|
格式:PDF
基本信息
标准号
JJF 1171-2007
相关服务
仅限个人学习交流使用
标准类型
标准状态
被代替
中国标准分类号(CCS)
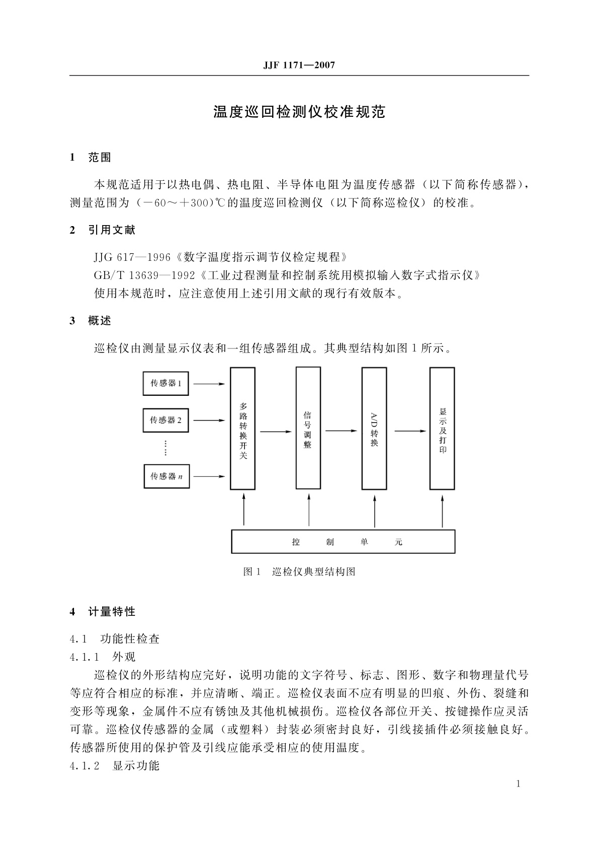
温度巡回检测仪校准规范
国际标准分类号(ICS)
发布日期
2007-02-28
实施日期
2007-08-28
发布单位/组织
国家质量监督检验检疫总局
归口单位
全国温度计量技术委员会
适用范围
-
发布历史
-
2007-08
文前页预览
免费预览已结束,剩余部分可下载查看
研制信息
- 起草单位:
- 山东省计量科学研究院、中国测试技术研究院
- 起草人:
- 孙淑兰、魏寿芳、韦靖、付志勇
- 出版信息:
- 页数:16页 | 字数:14 千字 | 开本: 大16开
推荐标准
- GB 16234-1996 车间空气中异佛尔酮二异氰酸酯卫生标准 1996-04-03
- GB/T 20748-2006 牛肝和牛肉中阿维菌素类药物残留量的测定 液相色谱-串联质谱法 2006-12-31
- GB/T 44851.4-2025 道路车辆 液化天然气(LNG)燃气系统部件 第4部分:手动阀 2025-08-29
- YS/T 455.6-2003 铝箔试验方法 第6部分 铝箔其他相关试验方法 2003-12-29
- GB/T 34067.1-2017 户内智能用电显示终端 第1部分:通用技术要求 2017-07-31
- GB 5413.6-2010 食品安全国家标准 婴幼儿食品和乳品中不溶性膳食纤维的测定 2010-03-26
- GB/T 3906-2020 3.6 kV~40.5 kV交流金属封闭开关设备和控制设备 2020-03-31
- GB/T 42635-2023 空间用锂离子蓄电池通用规范 2023-05-23
- YY 0119-2002 骨接合植入物 金属矫形用钉 2002-09-24
- GB/T 8767-1988 核工业用锆及锆合金铸锭 1988-02-25
相似标准推荐
更多>- 1 GB/Z 25842.1-2010 低压开关设备和控制设备 过电流保护电器 第1部分:短路定额的应用
- 2 YY/T 0633-2008 眼科仪器 间接检眼镜
- 3 JJF 2147-2024 直流磁屏蔽筒校准规范
- 4 GB/T 5195.6-2006 萤石 磷含量的测定
- 5 GB/T 19851.14-2007 中小学体育器材和场地 第14部分:球网
- 6 GB/T 45034-2024 棉花间作轮作技术要求
- 7 GB/T 42467.1-2023 中医临床名词术语 第1部分:内科学
- 8 GB/T 19448.8-2004 圆柱柄刀夹 第8部分:Z型,附件
- 9 GB/T 38587-2020 汽车玻璃识别码信息要求
- 10 GB/T 25928-2010 过程工业自动化系统 出厂验收测试(FAT)、现场验收 测试(SAT)、现场综合测试(SIT)规范

关闭预览
