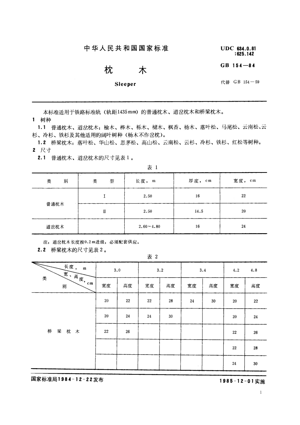
GB 154-1984 枕木
GB 154-1984 Sleeper
国家标准
中文简体
被代替
页数:8页
|
格式:PDF
基本信息
标准号
GB 154-1984
相关服务
仅限个人学习交流使用
标准类型
国家标准
标准状态
被代替
中国标准分类号(CCS)
B69 枕木
国际标准分类号(ICS)
45.080
发布日期
1984-12-22
实施日期
1985-12-01
发布单位/组织
国家标准局
归口单位
木材标准化技术委员会
适用范围
-
发布历史
-
1985-12
文前页预览
免费预览已结束,剩余部分可下载查看
研制信息
- 起草单位:
- 锯材标准起草小组
- 起草人:
- 出版信息:
- 页数:8页 | 字数:7 千字 | 开本: 大16开
推荐标准
- GB/T 12626.1-1990 硬质纤维板 术语和分类 1990-12-26
- GB 8840-2009 船用柴油机排气烟度限值 2009-03-09
- GB/T 3739.2-1983 卡套式锥螺纹直角接头体 1983-06-17
- GA/T 543.5-2012 公安数据元(5) 2012-07-19
- GB/T 3810.5-2006 陶瓷砖试验方法 第5部分:用恢复系数确定砖的抗冲击性 2006-02-07
- GB/T 20629.2-2013 电气用非纤维素纸 第2部分:试验方法 2013-07-19
- NY/T 5079-2002 无公害食品 豇豆生产技术规程 2002-07-25
- GB/T 20436-2025 二甲基硅氧烷混合环体 2025-06-30
- GB/T 19365-2003 自行式林业机械 术语、定义和分类 2003-11-10
- GB/T 31463.1-2015 家用和类似用途灯具的连接装置 第1部分:通用要求 2015-09-11
相似标准推荐
更多>- 1 GB/T 11919-2001 工业用插头插座和耦合器 第2部分:带插销和插套的电器附件的尺寸互换性要求
- 2 GB/T 15579.11-2012 弧焊设备 第11部分:电焊钳
- 3 GB/T 16711-1996 银行业 银行电信报文 银行标识代码
- 4 JJF(石化)067-2023 石油产品库仑测氯仪校准规范
- 5 GB/T 5121.17-1996 铜及铜合金化学分析方法 铍量的测定
- 6 GA/T 1482-2018 机动车驾驶人安全教育内容和方法
- 7 GB/T 17213.18-2015 工业过程控制阀 第9部分:阶跃输入响应测量的试验程序
- 8 GB/T 3903.30-2008 鞋类 外底、内底、衬里和内垫试验方法 水溶物含量
- 9 GB/T 14197-2012 音频、视频和视听系统互连的优选配接值
- 10 GB 18557-2001 车间空气中乙酰甲胺磷职业接触限值

关闭预览
