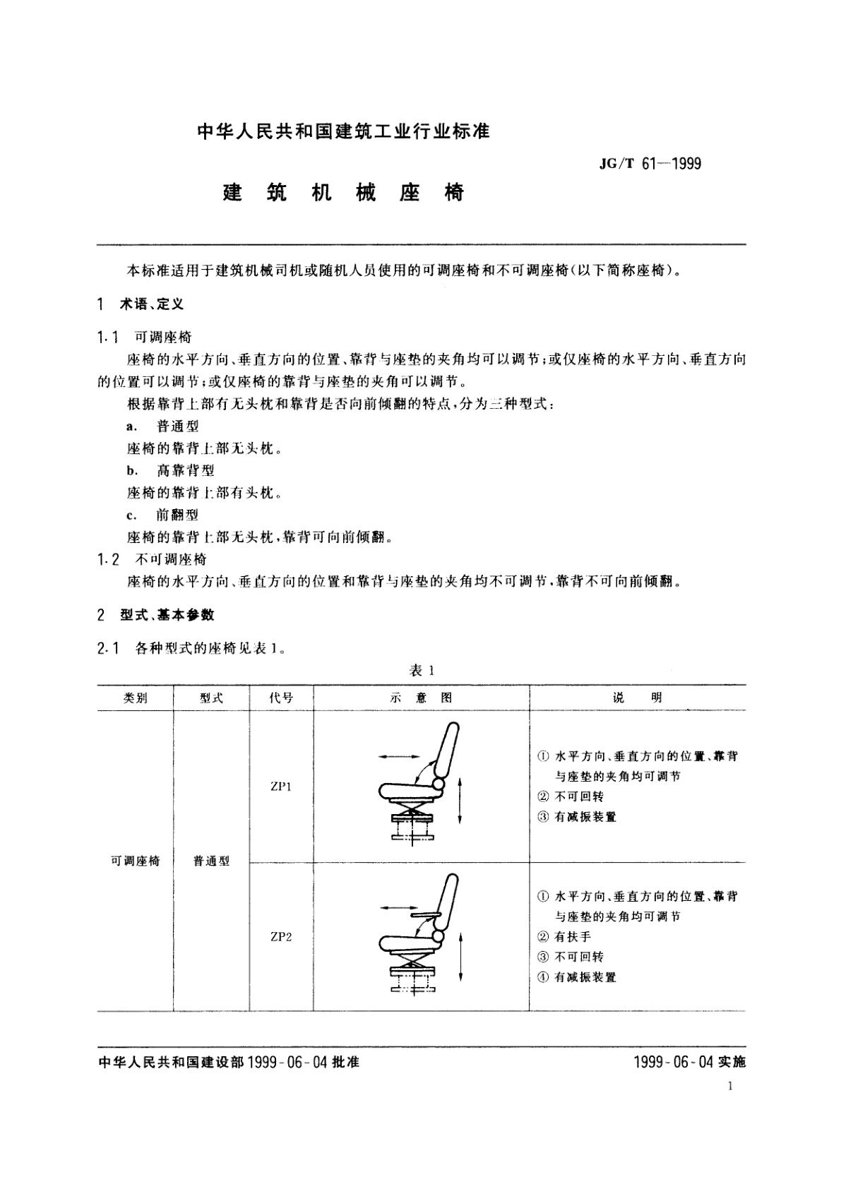
JG/T 61-1999 建筑机械座椅
JG/T 61-1999
行业标准
中文简体
废止
页数:12页
|
格式:PDF
基本信息
标准号
JG/T 61-1999
相关服务
仅限个人学习交流使用
标准类型
行业标准
标准状态
废止
中国标准分类号(CCS)
T26 建筑机械座椅
国际标准分类号(ICS)
43.040.01
发布日期
1999-06-04
实施日期
1999-06-04
发布单位/组织
中华人民共和国建设部
归口单位
适用范围
-
发布历史
-
1999-06
文前页预览
免费预览已结束,剩余部分可下载查看
研制信息
- 起草单位:
- 抚顺挖掘机制造厂
- 起草人:
- 张复兴
- 出版信息:
- 页数:12页 | 字数:15 千字 | 开本: 大16开
推荐标准
- WS/T 204-2001 用稳定性染色体畸变估算职业受照者剂量的方法 2001-07-20
- WB/T 1019-2002 菱镁制品用轻烧氧化镁 2002-09-02
- GB 18040-2008 民用运输机场应急救护设施配备 2008-04-07
- GB/T 10395.22-2010 农林机械 安全 第22部分:前装载装置 2010-12-01
- JB/T 20051-2018 炒药机 2018-07-04
- XB/T 617.7-2014 钕铁硼合金化学分析方法 第7部分:氧、氮量的测定 脉冲-红外吸收法和脉冲-热导法 2014-10-14
- GB/T 20612.2-2006 交通及出行者信息(TTI) 经交通报文编码的TTI报文 第2部分:广播数据系统-交通报文频道(RDS-TMC)的事件和信息编码 2006-11-07
- GB/T 8437-1998 纺织品 色牢度试验 耐硫熏色牢度 1998-11-26
- GB/T 17980.143-2004 农药 田间药效试验准则(二)第143部分:葡萄生长调节剂试验 2004-03-03
- GB/T 24588-2019 不锈弹簧钢丝 2019-06-04
相似标准推荐
更多>- 1 GM/T 0100-2020 人工确权型数字签名密码应用技术要求
- 2 GB/T 43008-2023 皮革 化学试验 关键化学物质的测试指南
- 3 WS 375.4-2012 疾病控制基本数据集 第4部分:职业病报告
- 4 GB/T 8182-2008 钽及钽合金无缝管
- 5 GB/T 12758-2023 城市轨道交通信号系统通用技术条件
- 6 GB/T 17879-1999 齿轮磨削后表面回火的浸蚀检验
- 7 GB/T 6900.7-1986 粘土、高铝质耐火材料化学分析方法 二甲苯胺蓝Ⅰ-溴化十六烷基三甲铵光度法测定氧化镁量
- 8 GB/T 29609-2013 橡胶 苯酚和双酚A的测定
- 9 JJG 1032-2007 标准光电高温计
- 10 GB/T 34798-2017 核酸数据库序列格式规范

关闭预览
