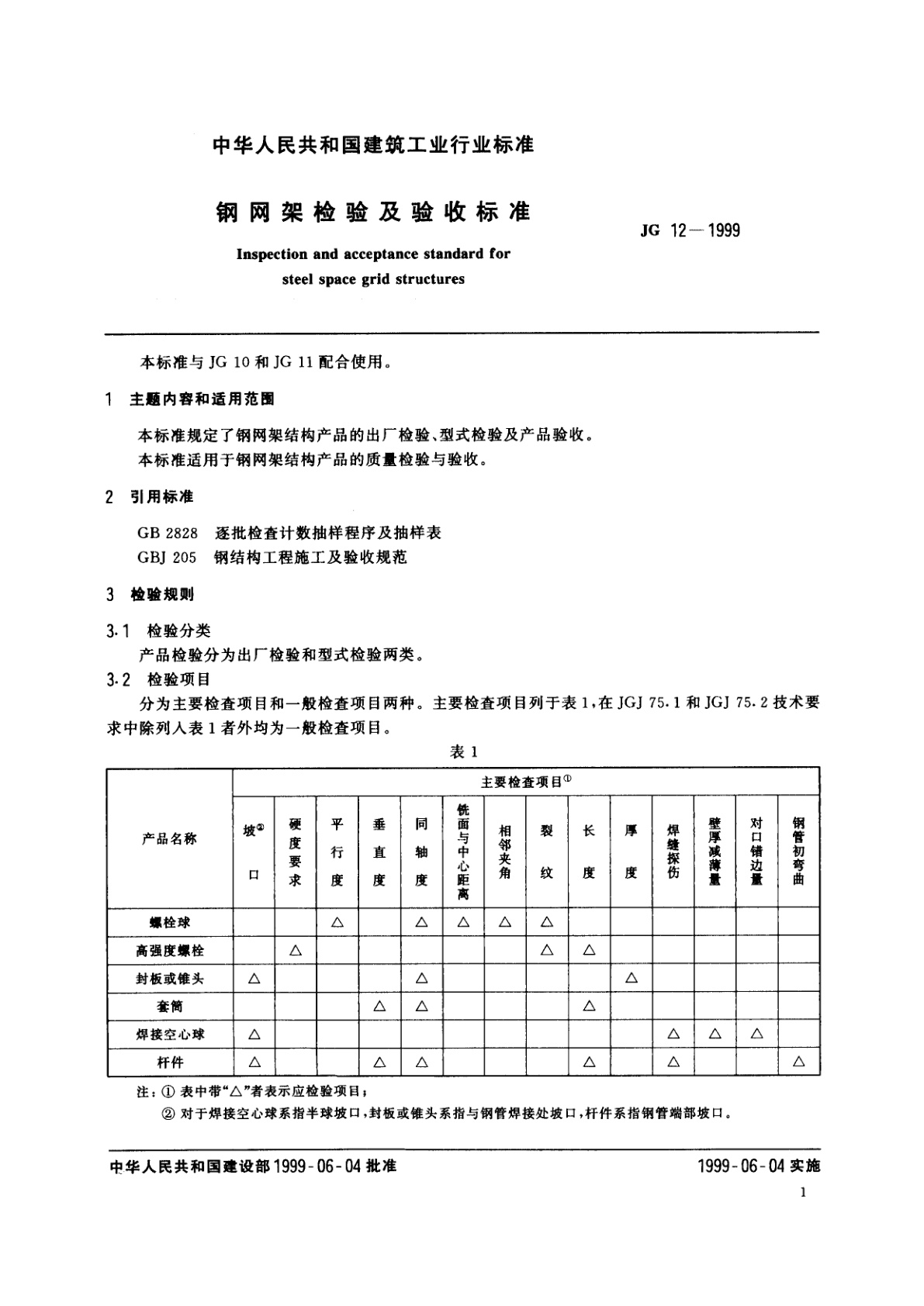
JG 12-1999 钢网架检验及验收标准
JG 12-1999 Inspection and acceptance standard for steel space grid structures
行业标准
中文简体
废止
页数:8页
|
格式:PDF
基本信息
标准号
JG 12-1999
相关服务
仅限个人学习交流使用
标准类型
行业标准
标准状态
废止
中国标准分类号(CCS)
P26 钢网架检验及验收标准
国际标准分类号(ICS)
91.080.10
发布日期
1999-06-04
实施日期
1999-06-04
发布单位/组织
中华人民共和国建设部
归口单位
中国建筑标准设计研究所
适用范围
-
发布历史
-
1999-06
文前页预览
免费预览已结束,剩余部分可下载查看
研制信息
- 起草单位:
- 中国建筑标准设计研究所(主编单位)、徐州飞虹网架公司、山西汾阳建筑金属结构工业公司
- 起草人:
- 张运田、张希铭、郑长兴、钟宪华、张永安、王育钊、刘锡霖
- 出版信息:
- 页数:8页 | 字数:8 千字 | 开本: 大16开
推荐标准
- GB/T 18759.6-2016 机械电气设备 开放式数控系统 第6部分:网络接口与通信协议 2016-04-25
- GB 13308-1998 起重滑车 安全要求 1998-07-30
- GB/T 27476.3-2014 检测实验室安全 第3部分:机械因素 2014-12-05
- GB/T 26958.30-2025 产品几何技术规范(GPS) 滤波 第30部分:稳健轮廓滤波器:基本概念 2025-05-30
- GB/T 25740.2-2013 PROFIBUS & PROFINET技术行规PROFIdrive 第2部分:行规到网络技术的映射 2013-12-31
- GH/T 1344-2021 废旧高分子材料加工基地管理规范 2021-07-07
- GB/T 28724-2012 固体有机化学品熔点的测定 差示扫描量热法 2012-09-03
- GB/T 15614-2015 日用陶瓷颜料光泽度测定方法 2015-05-15
- GB/T 16601.2-2017 激光器和激光相关设备 激光损伤阈值测试方法 第2部分:阈值确定 2017-12-29
- YY/T 1564-2017 心血管植入物 肺动脉带瓣管道 体外脉动流性能测试方法 2017-03-28
相似标准推荐
更多>- 1 WS/T 341-2011 血红蛋白测定参考方法
- 2 LY/T 2966-2018 任豆培育技术规程
- 3 RB/T 101-2013 能源管理体系 电子信息企业认证要求
- 4 GB/Z 20869-2007 工业机器人 用于机器人的中间代码
- 5 GB/T 3195-2023 铝及铝合金拉(轧)制圆线材
- 6 GB 18162-2000 赛车类 游艺机通用技术条件
- 7 GB/T 13173.2-2000 洗涤剂中总活性物含量的测定
- 8 HY/T 062-2002 中空纤维超滤膜组件
- 9 GB/T 18115.4-2021 稀土金属及其氧化物中稀土杂质化学分析方法 第4部分:钕中镧、铈、镨、钐、铕、钆、铽、镝、钬、铒、铥、镱、镥和钇量的测定
- 10 GB/T 8034-2009 焦化苯类产品铜片腐蚀的测定方法

关闭预览
